Ir ao contido principal
Panel lateral
AV CIFP VPA
Inicio
Calendario
Máis
Galego (gl)
English (en)
Español - Internacional (es)
Galego (gl)
Português - Portugal (pt)
Neste momento está usando o acceso para convidados
Acceder
AV CIFP VPA
Inicio
Calendario
Expandir todo
Contraer todo
Abrir o índice do curso
Taboleiro
SIELSC_RGJC_22-23
TEMA 1: CIRCUITOS ELÉCTRICOS
Circuitos de fabricantes
Circuitos de fabricantes
Requisitos do completado
Descargar cartafol
bosch-le-jetronic BMW.jpg
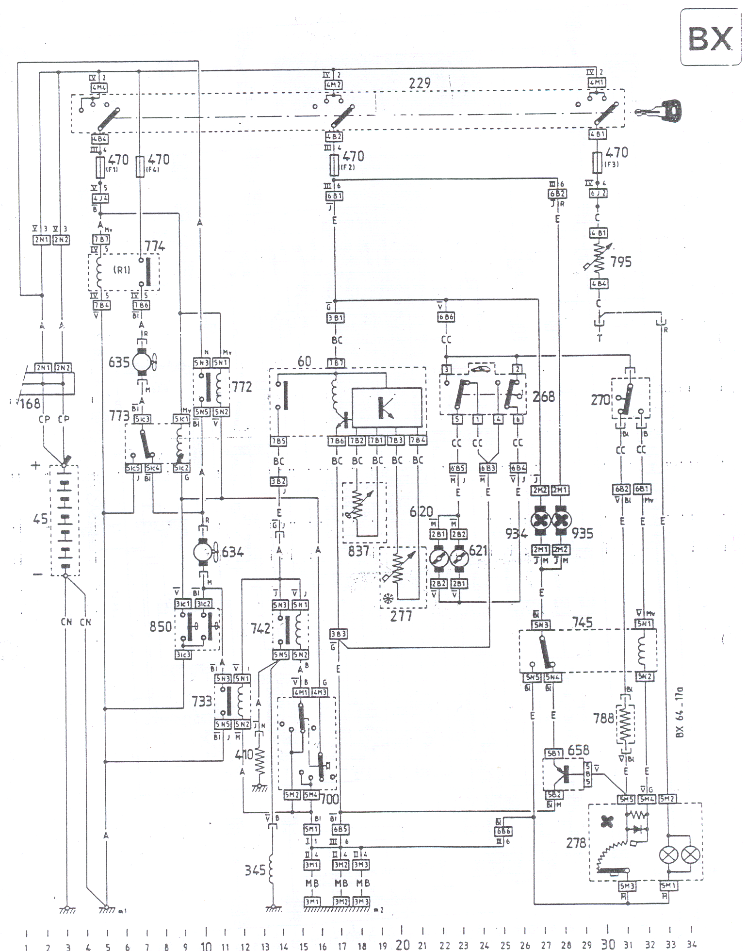
CITROEN BX ELECTROVENTILADOR Y CLIMATIZACION.bmp
CITROEN C15 ELECTROVENTILADOR 1.bmp
CITROEN C15 ELECTROVENTILADOR 2.bmp
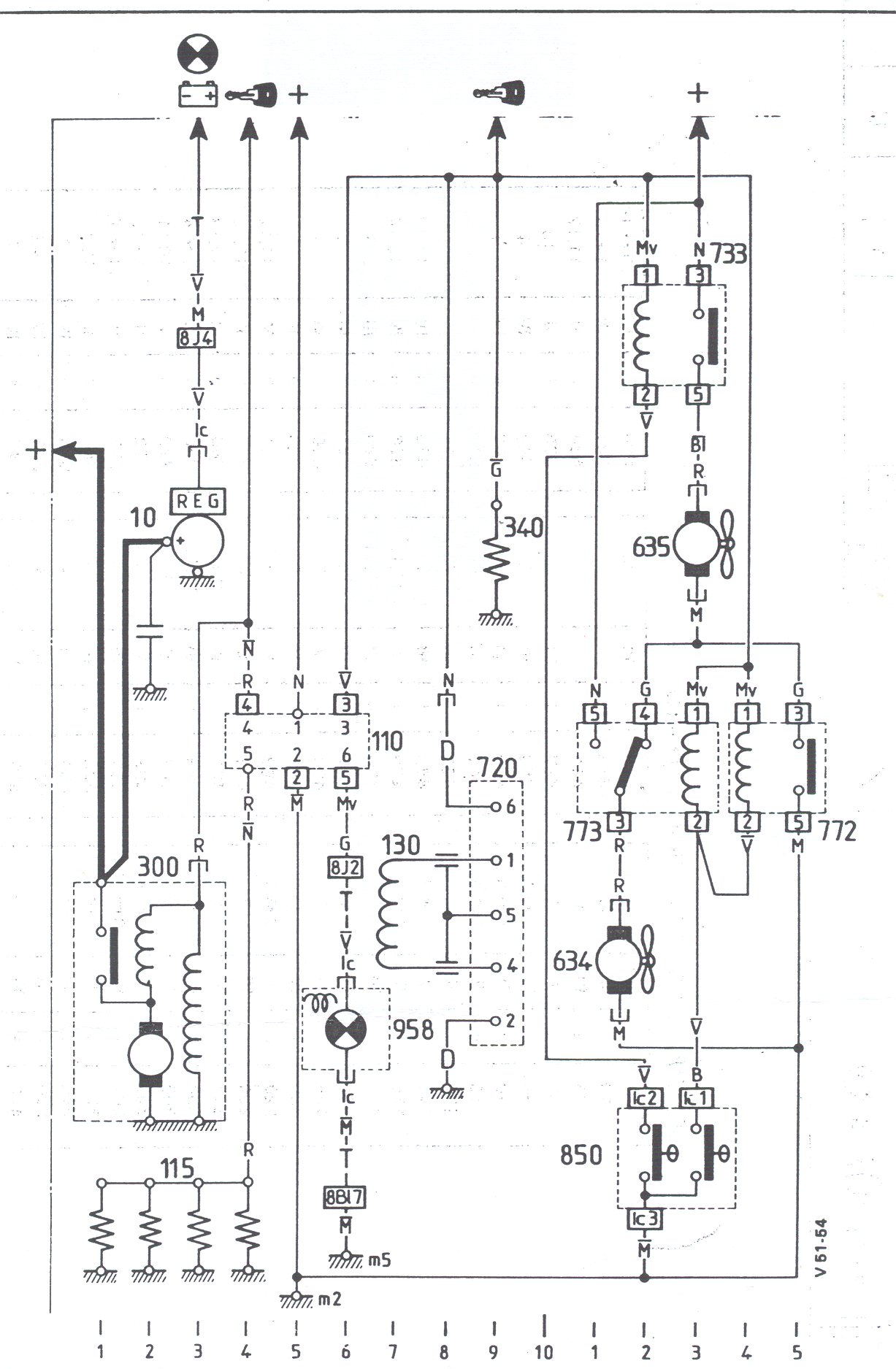
CITROEN XM 1990 ARRANQUE Y CARGA.bmp
CITROEN XM 1990 ESQUEMA ELECTRICO 1.bmp
CITROEN XM 1990 INYECCION V6.bmp
CITROEN XM CUADRO DE A BORDO 1.bmp
CITROEN XM CUADRO DE A BORDO 2.bmp
CITROEN ZX ESQUEMAS DE MAZOS.bmp
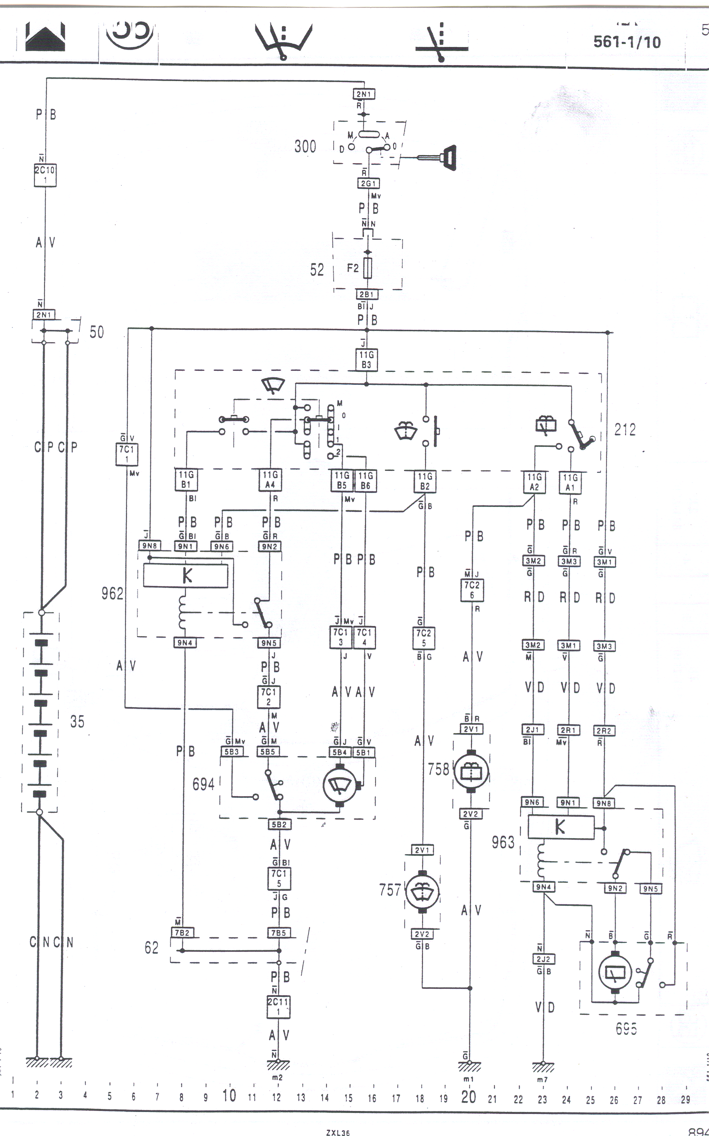
CITROEN ZX LIMPIAPARABRISAS.bmp
esquema UCE motor.jpg
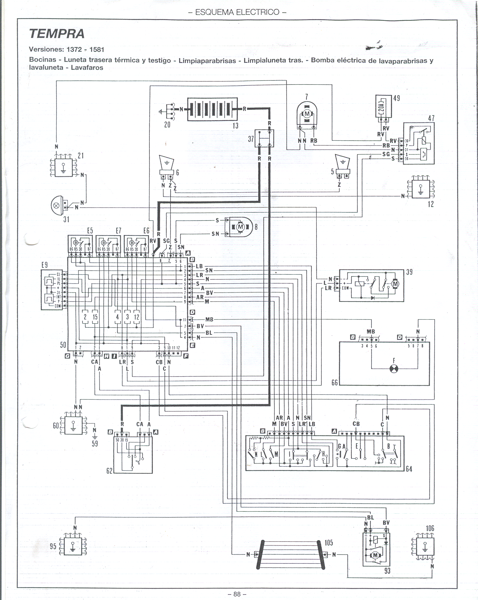
FIAT TEMPRA LIMPIAPARABRISAS.bmp
hdi citroen.jpg
INY PSA BHZ 14-.pdf
INYECCION COMMON RAIL ALFA ROMEO.jpg
LIMPIAPARABRISAS AX.bmp
NISSAN PRIMERA FARO TIPO XENON 1.pdf
NISSAN PRIMERA FARO TIPO XENON 2.pdf
NISSAN PRIMERA INTERMITENCIA 1.pdf
OPEL CORSA 178 - 179.pdf
OPEL CORSA 180 - 181.pdf
OPEL KADETT 270 - 271.pdf
OPEL KADETT 272 - 273.pdf
RENAULT CLIO CIERRE CENTRALIZADO.bmp
RENAULT CLIO ELEVALUNAS.bmp