Introduction
We are living in a real world 3D , the technological challenge is to draw anything we can see in a paper with only
2 dimensions 2D.
We are going to use technical drawing to do it.
Definition (from Wikipedia)
Technical drawing, is the act and discipline of composing drawings that visually communicate how something functions or is constructed.
Technical drawing is essential for communicating ideas in industry and engineering.
There are several ways to draw a technical draw:
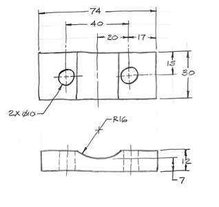
By hand: using solo a pencil: SKETCH

By hand: using a pencil and technical tools: PLAN

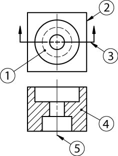
By computer using a computer or other electronic device CAD

In this course we are going to work with computer software, but you should know the basic tools for drawing
And use sketch to draw the first ideas about a project