Tarea presencial para PSAFM03. (I)
Tarea 01 presencial para PSAFM03.
| Enunciado. |
|---|
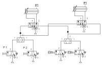
En esta tarea presencial se te explicará cómo se realizan los montajes neumático/electroneumáticos. Después tendrás que realizar los siguientes montajes que se te proponen en estas dos actividades: 1- Realiza el montaje del siguiente sistema neumático. 2- Realiza el montaje del siguiente sistema electroneumático. |
| Criterios de puntuación. Total 10 puntos. |
Actividad 1: - Correcto funcionamiento: 3 puntos. - Rapidez en el montaje: 1 punto. - Orden y limpieza del montaje: 1 punto. Actividad 2: - Correcto funcionamiento del mando eléctrico: 1.5 puntos. - Correcto funcionamiento de la potencia neumática: 1.5 puntos. - Rapidez en el montaje: 1 punto. - Orden y limpieza del montaje: 1 punto. |
| Recursos necesarios para realizar la Tarea. |
| |
| Consejos y recomendaciones. |
- Entender bien el esquema y el funcionamiento que viene representado en el esquema. - Realizar los montajes siguiendo un orden y con limpieza. |

