Tarea para PSAFM03.
Tarea para PSAFM03
| Enunciado. |
|---|
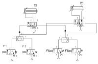
En esta tarea tendrás que indicar los elementos que utilizarás en estos esquemas (actuadores, preaccionamientos, etc.) que serán los que montes en las tareas presenciales 1 y 2. Deberás indicar también, el accionamiento que lleva cada válvula y el tipo de válvula, lo mismo con los accionamientos (cilindros) y demás elementos que aparecen.
|
| Criterios de puntuación. Total 10 puntos. |
En total hay 28 diferentes tipos de elementos. Todos los elementos se puntuarán con el mismo valor. Acertando los 28 diferentes tipos de elementos la nota será de 10 puntos. Los elementos que hay por cada esquema son los siguientes: Esquema 1: 5 tipos de elementos Esquema 2: 4 tipos de elementos Esquema 3: 8 tipos de elementos Esquema 4: 11 tipos de elementos |
| Recursos necesarios para realizar la Tarea. |
| Consejos y recomendaciones. |
- Conoce bien los diferentes símbolos que existen. |
| Indicaciones de entrega. |
Envía mediante un correo electrónico las respuestas señalizando a qué esquema corresponde. Una vez realizada la tarea elaborarás un único documento donde figuren las respuestas correspondientes. El envío se realizará a través de la plataforma de la forma establecida para ello, y el archivo se nombrará siguiendo las siguientes pautas: apellido1_apellido2_nombre_PSAFMxx_Tarea
Asegúrate de que el nombre no contenga la letra ñ, tildes ni caracteres especiales extraños. Así por ejemplo la alumna Begoña Sánchez Mañas para la primera unidad del MP de PSAFM, debería nombrar esta tarea como... sanchez_manas_begona_PSAFM03_Tarea
|



