5.2.- Instalaciones de enlace.
Las instalaciones deben realizarse cumpliendo con el Reglamento Electrotécnico para Baja Tensión (REBT), exigido por razones de seguridad y calidad.
De las líneas eléctricas que distribuyen la electricidad en las inmediaciones de nuestra casa hasta el interior de la misma, hay una serie de elementos que constituyen las denominadas "Instalaciones de Enlace".
En el cuadro que tienes más abajo se detalla cada uno de esos elementos.
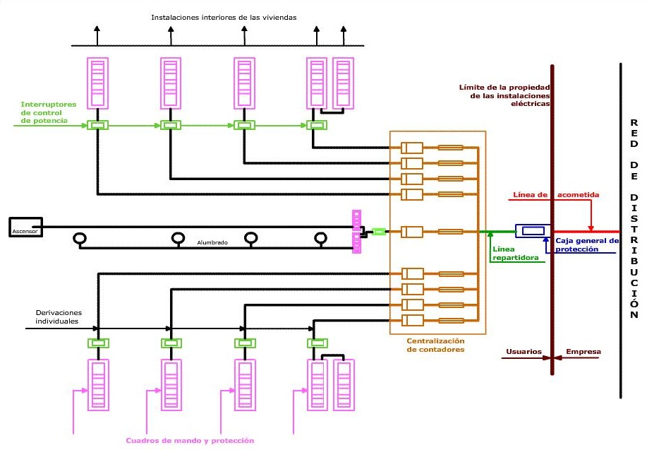
En el siguiente esquema puedes ver, dibujado de forma normalizada, la instalación de enlace de un edificio y sus elementos. Si haces "clic" en la imagen accederás a una animación que te presentará los elementos de la instalación.
Esquema de instalación eléctrica de enlace en un edificio. En Tema 2: Instalación eléctrica en viviendas, Unidad 2: Circuítos, Tecnología Industrial II, del IEDA, Junta de Andalucía | Consejería de Educación, Cultura y Deporte. Licencia CC-BY-NC-SA.
Animación: Instalaciones de enlace. De Mario Baselga Carreras en Educarex.
Se denoimina Instalación de Enlace al conjunto de elementos de la instalación eléctrica de un edificio que van desde la linea general de distribución de electricidad de la compañía suministradora hasta el interior de la vivenda.
| Clic en la imagen para ampliarla | ||||
| Nº | Nombre | Siglas | Descripción | Imagen |
|---|---|---|---|---|
| 1 | Línea de acometida | LA | Es la línea que une la red de distribución pública con la caja general de protección. |
Acometida monofásica. De Sarumo74 en Wikimedia Commons. Licencia CC-BY-SA. |
| 2 | Caja general de protección | CGP | Es un elemento que aloja en su interior los elementos de protección del edificio. |
CGP aerea. De JaviMad en Wikimedia Commons. Licencia CC-BY. |
| 3 |
Línea repartidora o Línea general de alimentación |
LR LGA |
Es la línea que une la caja general de protección con la centralización de contadores. Debe estar en un lugar de uso común y de acceso público. |
Instalación de la LA o LGA bajo tubo en hueco de obra. GUIA - BT-14 Ministerio de Ciencia y Tecnología. |
| 4 | Centralización de contadores | CC | Es el conjunto de contadores situados en un mismo local. El contador lo instala la compañía eléctrica. |
|
| 5 | Derivaciones individuales | DI | Son las líneas que enlazan el contador con el cuadro general de mando y protección de cada instalación privada. |
Derivaciones individuales. De Francisco Escribano García en Instalaciones Eléctricas en Viviendas, Departamento de Industria e Innovación del Gobierno de Aragón. Licencia CC-BY-SA. |
| 6 | Interruptor de control de potencia | ICP | Situado al comienzo de la derivación, que es el que desconecta la instalación cuando la suma de las potencias de los aparatos conectados simultáneamente sobrepasan la potencia contratada. |
Jtecul. De own en Wikimedia Commons. Licencia CC-BY-SA.
|
Cuando el suministro de corriente es monofásico, cada derivación individual está formada por un conductor de fase, uno neutro y otro de protección. Si el suministro es trifásico se utilizan tres conductores de fase, uno neutro y uno de protección.
Estos conductores se identifican por colores normalizados. Para los conductores de fase se utilizan el negro, marrón o gris; para los conductores neutros el azul claro, y para el conductor de protección el amarillo y verde a rayas.
Colores normalizados en conductores eléctricos según Guía BT-19. En Instalaciones Eléctricas en los Edificios, de Miguel Ángel Rodríguez Pozueta, Universidad de Cantabria. Licencia CC-BY-NC-SA.
La red de distribución y línea de acometida son propiedad de la compañía distribuidora de energía, y, desde la caja general de protección, el resto de la instalación es propiedad de los usuarios.
La instalación interior de cada vivienda comienza en el Cuadro General de mando y protección, siendo el Interruptor de control de potencia el último elemento de la instalación de enlace.







