13.3.1.- CIRCUITOS SERIE
Requisitos do completado
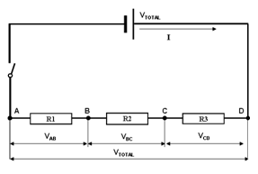
Un circuito está conectado en serie cuando los elementos del circuito se
conectan unos a continuación de los otros.
Características
- La corriente eléctrica que recorre cada uno de los elementos es la misma.
- La tensión de la fuente se reparte entre los diferentes elementos y por lo tanto no funcionan eficazmente.
- Además si alguno de los elementos se avería, la corriente se interrumpe y el circuito deja de funcionar.
Última modificación: mércores, 8 de xullo de 2015, 4:04 PM