Exercicios para practicar as leis de Kirchhoff
Requisitos do completado
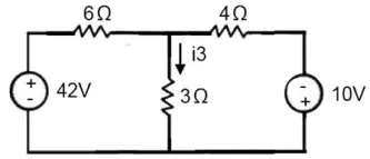
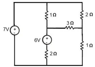
Para os seguintes circuítos:
-
Calcular as intensidades de corrente en todas as ramas.
-
Calcular as tensións en todos os nudos.
-
Calcular o balance de potencias. Comprobar que a suma das potencias entregadas é igual á suma das potencias consumidas.
-
Simular os circuítos.






Última modificación: venres, 18 de outubro de 2024, 10:33 AM