Ir ao contido principal
AVRM
  • Inicio
  • Calendario
  • Mis accesos
    Web IES Ricardo Mella Portal Educativo Formación profesional
  • Ir a Google
  • Máis
Neste momento está usando o acceso para convidados
Acceder
AVRM
Inicio Calendario Mis accesos Contraer Expandir
Web IES Ricardo Mella Portal Educativo Formación profesional
Ir a Google
Expandir todo Contraer todo
  1. Xestión de proxectos de instalacións de telecomunicacións
  2. UD 2 : Elaboración de planos e esquemas de instalacións de telecomunicacións
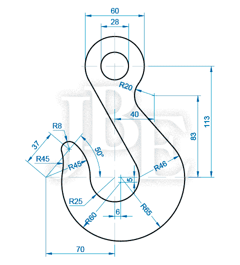
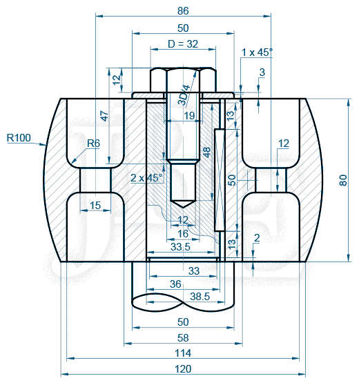
  3. Exercicios de Autocad . Nivel 3

Exercicios de Autocad . Nivel 3

Requisitos do completado

Neste momento está usando o acceso para convidados (Acceder)
Resumo da retención de datos
Políticas
Obter a apli móbil
Fornecido por Moodle