ACTIVIDADES: MONTAJES
Requisitos do completado
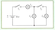
1.- Indica qué lámparas iluminarán en cada uno de los siguientes casos:







a) Cerramos el interruptor I1
b) Cerramos el interruptor I2
c) Cuando cerramos los interruptores I1 e I2, ¿qué lámpara brillará más?
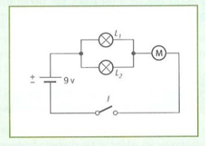
2.- Estando el interruptor I cerrado, ¿qué ocurre cuando...
a) se funde la lámpara L1?
b) se funde la lámpara L2?
c) se estropea el motor?
d) se funden las lámparas L1 y L2?
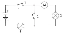
3.- Imagina lo que pasará en este circuíto si:
a) Se quema el motor
b) Se funde la lámpara 1
c) Se funde la lámpara 2
d) Se abre/cierra el interruptor 1
e) Se abre/cierra el interruptor 2
4.- a) ¿Qué ocurre cuando cerramos el interruptor I?
b) Estando el interruptor abierto, ¿qué ocurre al apretar el pulsador P?
c) ¿En qué situación sonará el timbre?
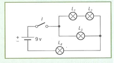
5.- Estando el interruptor cerrado, ¿qué ocurrirá en cada uno de los siguientes casos?
a) ¿Qué lámpara tendrá más brillo?
b) ¿Qué lámparas iluminarán si se funde la L4?
c) ¿Qué lámparas iluminarán si se funde la L2?
d) ¿Qué lámparas dejarán de iluminar si se funde la L3?
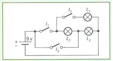
6.- Indica las lámparas que iluminarán en cada uno de los siguientes casos:
a) Al cerrar el interruptor I3
b) Al cerrar el interruptor I1
c) Al cerrar el interruptor I2
d) Al cerrar los interruptores I1 e I2.
7.- Diseña los circuitos en el cuaderno. Copia los enunciados.
a) Se dispone de dos pulsadores y dos lámparas, diseñar un circuito para que cada uno de los pulsadores encienda una sola lámpara.
b) Se dispone de dos pulsadores y una lámpara,
1. Diseñar un circuito para que sólo se encienda la lámpara cuando pulsemos a la vez ambos pulsadores.
2. Diseñar un circuito para que se encienda la lámpara cuando pulsemos cualquiera de los dos pulsadores.
c) Se dispone de dos lámparas y un pulsador.
1. Diseñar un circuito para que se enciendan las dos lámparas con mucha luz.
2. Diseñar un circuito para que se enciendan las dos lámparas con menos luz.
d) Mediante un conmutador y dos lámparas, diseñar un circuito para que se encienda una u otra lámpara.

Última modificación: martes, 11 de agosto de 2015, 4:36 AM