ACTIVIDADES: LEY DE OHM
Requisitos do completado
1.- Un circuito que tiene una pila de 6 voltios genera una corriente que atraviesa una resistencia eléctrica de 2 ohmios.
¿Cuál es el valor de la intensidad de la corriente que pasa por la resistencia?
2.- En el siguiente ejercicio, halla la intensidad de la corriente que pasa por una bombilla cuya resistencia es de 5 ohmios, sabiendo que la pila tiene una tensión de 20 V.
3.- En el circuito de la figura, halla la tensión de la pila que necesitas para que pase una corriente cuya intensidad es de 3 A por una bombilla que tiene dos ohmios de resistencia.
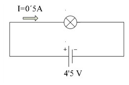
4.- En el circuito de la figura, halla la resistencia eléctrica que posee un bombillo por el que pasa una corriente cuya intensidad es de 0,5 A y es generada por una pila que tiene 4,5 V de tensión.
5.- La siguiente tabla muestra los valores de la intensidad, resistencia y tensión de varios elementos de un circuito. Sin embargo se han borrado diversos valores. Calcula los valores que faltan indicando las operaciones necesarias.
6.- a) Conectamos una resistencia de 5 Ω una pila de 1,5 V, calcular la intensidad I que circula por el circuito.
b) ¿Qué resistencia debemos de conectar a una pila de 4,5 V para que la Intensidad de corriente I que circule sea de 0,050 A.
c) Por una resistencia R=15 Ω circula una corriente de 1 A, calcular que voltaje hay entre los extremos de la resistencia.
7.- Dados los siguientes circuitos, calcula las magnitudes incógnita aplicando la ley de Ohm .
Última modificación: martes, 11 de agosto de 2015, 3:53 AM
