1.- Para dibujo artístico se emplean lápices blandos, sin embargo, para dibujo técnico se emplean mejor duros, ¿por qué crees que puede ser esto?
2.- Mide con tu regla los siguientes segmentos e indica el resultado en mm y en cm.
segmentos
3.- Convierte las siguientes unidades:
unidades

4.- Traza una línea en tu libreta y realiza 9 paralelas a esa línea

5.- Traza una línea en tu libreta y realiza 9 perpendiculares a esa línea

6.- Dibuja un cuadrado de 4 cm de lado.

7.- Dibuja la cuadrícula representada en el croquis
cuadricula

8.- Dibuja las siguientes figuras

figura123
4

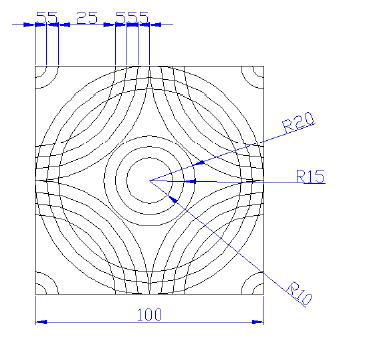
9.- Dibuja la siguientes figura en tu libreta:

5
10.- Mide los siguientes ángulos:

medir
11.- Dibuja los siguientes ángulos en tu libreta:
angulos



Última modificación: martes, 11 de agosto de 2015, 11:56 AM