CÉLULA
| Sitio: | Aula Virtual do CPI Castro Baxoi |
| Curso: | BIOLOXÍA E XEOLOXÍA 4º ESO. 2025/26 |
| Libro: | CÉLULA |
| Impreso por: | Usuario convidado |
| Data: | venres, 27 de febreiro de 2026, 8:13 AM |
Descrición
Táboa de contidos
- 1. Temario BIO
- 2. FROM DNA TO PROTEIN- 3D
- 3. VIRUS
- 4. TELÓMERO/ CROMÁTIDA….
- 5. biology
- 6. BACTERIAS
- 7. ADN/ ARN
- 8. PARTES CÉLULA. M.ELECTRÓNICO
- 9. Cell
- 10. ANIMACIÓN CÉLULA
- 11. ACTIVIDADE C. ANIMAL
- 12. ACTIV. BACTERIA
- 13. ORGÁNULOS CELULARES
- 14. teoría endosimbiótica
- 15. CLOROPLASTO
- 16. RETÍCULO ENDOPLASMÁTICO
- 17. MITOCONDRIAS
- 18. TEORÍA CELULAR
- 19. células nai
- 20. tipos c nai
2. FROM DNA TO PROTEIN- 3D
5. biology
7. ADN/ ARN
11. ACTIVIDADE C. ANIMAL
https://centros.edu.xunta.gal/cpicastrobaxoi/aulavirtual/pluginfile.php/48947/mod_resource/content/1/DIAGRAMA%20CÉLULA%201º%2C%203º%20ESO.pdf
12. ACTIV. BACTERIA

13. ORGÁNULOS CELULARES
14. teoría endosimbiótica
La teoría endosimbiótica explica por qué mitocondrias y cloroplastos tienen ADN: era el genoma original de la bacteria. Un genoma que con el paso de los milenios fue reduciéndose en tamaño, probablemente cediendo parte de sus genes al ADN nuclear.
Hay muchos hechos que apoyan esta teoría. Las mitocondrias son muy similares a bacterias actuales: tienen un tamaño parecido, contienen ADN circular bicatenario cerrado, tienen ribosomas 70S (a diferencia de los 80S de las células eucariotas que las rodean) y se dividen por fisión binaria. Además tiene doble membrana, lo cual es un signo de que la mitocondria ha sido fagocitada (pues la membrana exterior se parece a la de las eucariotas y la interior a la de las bacterias). Por otra parte, se han encontrado similitudes entre el ADN mitocondrial y nuclear, además de que las mitocondrias son incapaces de sobrevivir fuera de la célula eucariota.
https://genotipia.com/mitocondria/

15. CLOROPLASTO


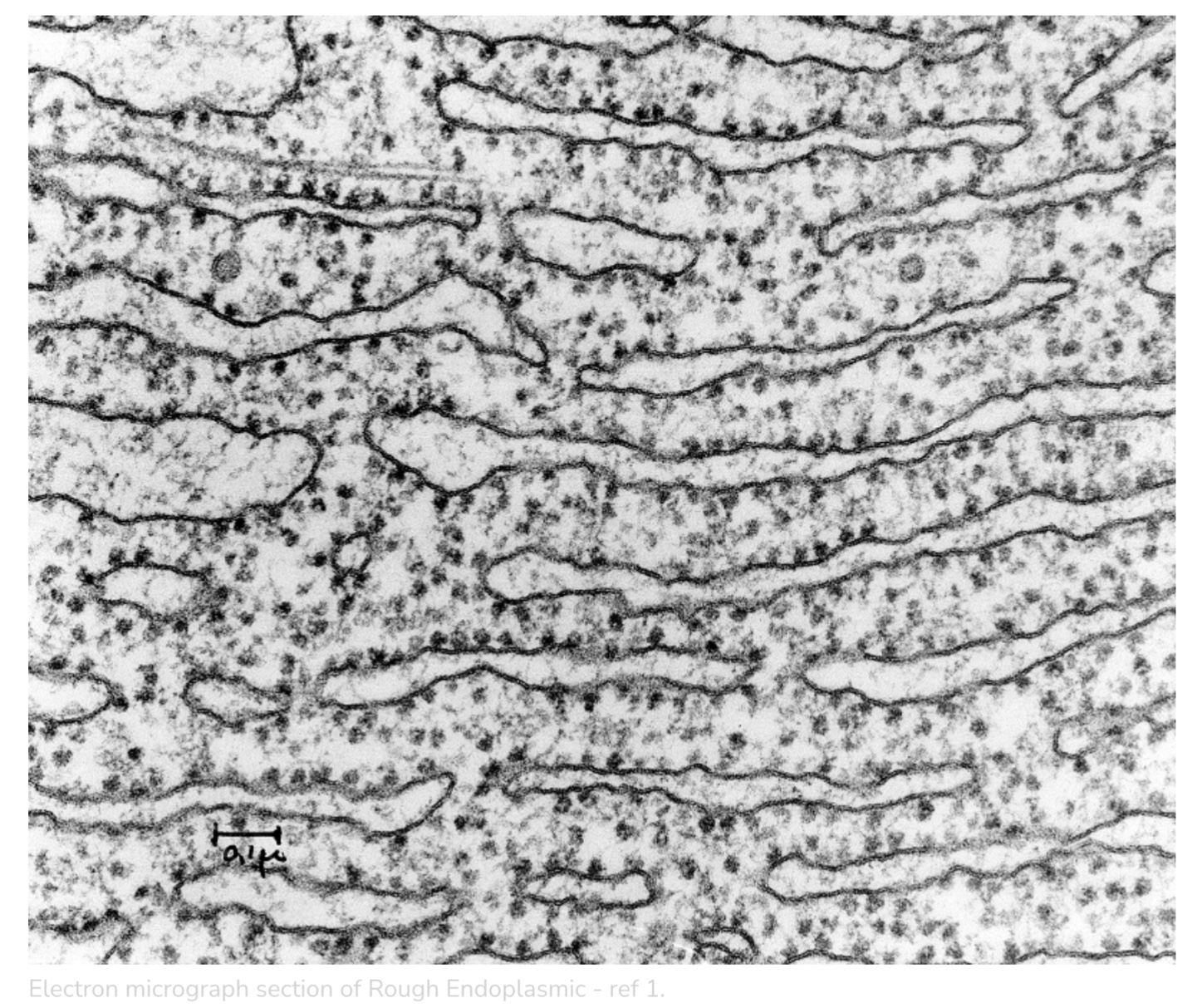
16. RETÍCULO ENDOPLASMÁTICO
http://book.bionumbers.org/how-big-is-the-endoplasmic-reticulum-of-cells/


17. MITOCONDRIAS


20. tipos c nai
Types of stem cell
There are two main types of naturally occurring stem cell: embryonic stem cells and adult stem cells. These have different functions in the body and are suited to different types of research and treatment when used in medical and scientific settings.
In addition to these, there are two types of stem cell that can be made in a lab – these are therapeutic
cloned
stem cells and induced pluripotent
stem cells. These stem cells are made in different ways from different kinds of pre-existing cell, and so are also suited to different types of research and potential treatments.




