Sistemas eléctricos y de seguridad.
Lorenzo y María llevan ya casi dos semanas realizando el módulo de Formación en centros de trabajo. La integración en la empresa de reparación de vehículos ha sido muy buena
Hoy esperan la visita del tutor docente del módulo de FCT, que es el profesor del instituto encargado, junto con el tutor de empresa, de organizar y secuenciar este proceso, plantear un método para su realización y unos procedimientos para su evaluación.
Esta función de planificación, ejecución y seguimiento que se realiza habitualmente y con normalidad por el profesorado en los centros educativos, entraña cierta dificultad al desarrollarse en un entorno diferente, en la empresa, y con unos agentes externos al sistema educativo. Pero no tiene por qué variar sustancialmente. Después de todo, la empresa se rige por unas normas de eficacia programada en el tiempo que, de alguna manera, se pretende trasladar al programa de formación del centro educativo.
El tutor docente es el enlace principal entre el mundo educativo y el de la empresa, sin perjuicio de que un cierto número de responsabilidades formales residan en otras personas del instituto, como puede ser la firma del acuerdo específico de colaboración o la gestión económica.
Cuando el tutor docente llega a la empresa, es acompañado por Ignacio hasta la zona de electricidad del taller, donde encuentran a Lorenzo y María trabajando sobre un automóvil. Ignacio lo deja con ellos y vuelve a la oficina donde lo espera un cliente.
El tutor docente se dirige a ellos.
─Buenos días. ¿Cómo lleváis las prácticas?
─Muy bien ─responden ambos.
─Nos resulta muy gratificante profesionalmente las actividades que desarrollamos y nos animamos mucho cuando conseguimos efectuar una reparación casi sin ayuda de Ignacio ─dice Lorenzo.
─Aunque los primeros días ha resultado un cambio brusco, el pasar del horario del instituto al horario laboral de 8 horas ─añade María.
─Bueno, es normal. Ya os comentamos que es muy importante ajustar la jornada diaria de prácticas al horario laboral del taller para que podáis seguir la totalidad de las operaciones que se efectúan en el mismo. Debéis tener en cuenta que si se programa la jornada con menos horas que el horario del taller, vais a ver muchas cosas "a medias", pues Ignacio no va a dejar reparaciones sin terminar para que vosotros podáis seguirla al día siguiente ─responde el tutor.
─¿Y tenéis o habéis tenido algún problema en este tiempo que lleváis aquí? ─les pregunta a ambos el tutor.
─Al contrario, estamos muy contentos de hacer las prácticas aquí; todos los trabajadores son muy amables y además nos están facilitando mucho nuestra elaboración del Proyecto responde María.
─Estupendo. Entonces voy a hablar con Ignacio un momento y cuando regrese, me enseñáis el cuaderno de prácticas para ver como lo vais rellenando y las actividades que ya habéis cumplido.
Antes de llegar a la oficina el tutor se encuentra varios antiguos alumnos que ya llevan varios años trabajando en esta empresa.
En la oficina, el tutor agradece a Ignacio el buen acogimiento que ha realizado a Lorenzo y a María, el apoyo ofrecido a estos y le comenta que ha sido muy buena idea por su parte haber dedicado las primeras horas del primer día de prácticas a informarles, a realizar con ellos una visita a las distintas dependencias de la empresa y, en definitiva, a orientarles en un entorno que les es ajeno.
1.- Introducción.
La evolución de los equipos eléctricos y electrónicos de los vehículos ha sido muy intensa en los últimos años de forma que en la actualidad, es muy diversa la variedad de sistemas y equipos eléctricos con los que cuenta un vehículo. En la Formación en centros de trabajo que María y Lorenzo se encuentran realizando, ambos van rotando por los distintos puestos de trabajo del taller donde hacen las prácticas y ya llevan varios días en el puesto de mecánico electricista de vehículos, conociendo por sus estudios que es un puesto en el que tendrán que aplicar muchos de los conocimiento adquiridos en el instituto.
Ambos piensan que en este puesto desarrollarán una labor profesional que les permitirá ser mejores profesionales en un futuro cercano.
Es posible que te preguntes cuáles son los sistemas eléctricos de los vehículos actuales y qué características poseen. Pues bien, en esta unidad eso es precisamente lo que vamos a ver, así como los procesos de verificación de los mismos.
El equipo eléctrico de un automóvil está formado por el conjunto de todos los mecanismos que funcionan con energía eléctrica. Este equipo eléctrico se divide en sistemas formados por diversos aparatos interconectados por medio de una instalación eléctrica con sus fusibles y relés centralizados en una o varias cajas de fusibles y con sus órganos de mando en el habitáculo.
Los distintos sistemas eléctricos de los que dispone un vehículo son los siguientes:
- Sistema de carga. El alternador proporciona la energía eléctrica para abastecer a todo el equipo eléctrico del vehículo mientras que el motor está arrancado.
- Sistema de arranque. Mediante el motor de arranque se le proporciona el giro inicial al motor de combustión hasta que éste mantiene el giro por sí mismo.
- Sistema de encendido. Es el encargado de producir la explosión de la mezcla de aire y gasolina contenida en los cilindros.
- Sistema de alumbrado. Tiene por misión iluminar la calzada y señalizar la presencia del vehículo, sin molestar a los demás usuarios de la vía.
- Sistema de maniobras y señalización. Se utilizan para indicar a los demás usuarios de la vía que se va a efectuar una determinada maniobra con el vehículo.
- Sistema de control. A través de los cuales el conductor puede controlar el correcto funcionamiento de diversos sistemas mecánicos, eléctricos y electrónicos del automóvil.
- Sistema de seguridad. Está conformado por el conjunto de elementos eléctricos y electrónicos que hace más segura la conducción.
- Sistema de accesorios. Está conformado por el conjunto de elementos eléctricos y electrónicos que hace más confortable la conducción.
2.- El alternador.
A media mañana ha llegado al taller un automóvil en grúa ya que su propietario no ha conseguido arrancarlo a primera hora para desplazarse hasta su trabajo. Lorenzo, tras comprobar la tensión de la batería, verifica que ésta está descargada. Lorenzo le recuerda a María que el agotamiento de la batería puede producirse por el envejecimiento natural de la misma o por una anomalía existente en el circuito de carga del vehículo.
De esta forma y tras haber comprobado la descarga de la betería, ambos se proponen averiguar la causa de tal descarga.
El alternador es el generador de energía eléctrica que se emplea en los vehículos actuales (anteriormente se empleaba la dinamo, pero fue sustituida por el alternador por las mejoras que conlleva el empleo de este último). Junto con el regulador de tensión y la lámpara testigo o de carga constituyen el circuito de carga del vehículo.
La misión del alternador es la transformación de la energía mecánica de rotación recibida del motor de combustión del vehículo a través de una correa, en energía eléctrica que proporcionará a la batería y a todos los órganos eléctricos del vehículo que la necesiten.
Las distintas condiciones de trabajo del alternador (distintas velocidades de giro del motor y diversidad de consumidores eléctricos) hacen necesario la existencia de un regulador de tensión que permita mantener la tensión de salida del alternador en un valor lo más constante posible.
La lámpara testigo es el elemento imprescindible para avisar al conductor en caso de anomalía en el sistema de carga, aunque más adelante veremos que también tiene una importante función en el propio funcionamiento del sistema de carga.
El alternador se ubica sobre el bloque motor y recibe movimiento desde la polea del cigüeñal por medio de una correa trapezoidal. En la siguiente figura puedes observar la ubicación del alternador sobre el bloque motor, fijado mediante tornillos (elementos 1 y 2 de la figura), la disposición de la correa (elemento F de la figura) y el tensor (elemento 3 de la figura) encargado de proporcionar a la correa la tensión adecuada.
La estructura básica de un alternador está formada por dos partes fundamentales, el inductor, que es el que crea el campo magnético y el inducido que es el conductor atravesado por las líneas de fuerza de dicho campo magnético. El inducido o devanado estatórico trifásico es la parte eléctrica fija, que aloja en su interior al rotor o inductor en el que se forman los polos del electroimán mediante un devanado de excitación al que se hace llegar la corriente eléctrica a través de anillos rozantes y sus correspondientes escobillas. La corriente alterna inducida en las bobinas del estátor es rectificada por medido de diodos emplazados en un puente rectificador.
En los alternadores de los automóviles se obtiene una corriente alterna trifásica. Para ello el devanado estatórico dispone de tres arrollamientos o fases, independientes entre sí, cada uno de los cuales origina una tensión alterna. Los arrollamientos se encuentran desplazados 120º, por lo que las fuerzas electromotrices inducidas en cada arrollamiento se encuentran desfasadas 120º. Como ya veremos, para disminuir la pulsación de la fuerza electromotriz generada, cada fase dispone de varias bobinas conectadas en serie y emplazadas convenientemente de forma que se sumen las tensiones inducidas y el desfase resulte menor, obteniéndose así una tensión más regular (el desfase será numéricamente igual a 120º entre el número de bobinas que tenga cada fase).
Los elementos constituyentes del alternador son los siguientes:
- Inducido o estátor
- Inductor o rotor
- Carcasas delantera y trasera
- Conjunto rectificador
- Polea
- Ventilador
- Regulador
2.1.- Inducido o estátor.
¿Sabrías indicar donde se encuentran las bobinas que generan la corriente eléctrica? El estátor es el elemento del alternador donde se encuentran alojadas las bobinas que generan la corriente eléctrica. Está formado por un paquete de láminas de acero, acopladas en forma de corona circular. En su diámetro interior tiene practicadas unos surcos que albergan las bobinas del inducido, debidamente aisladas.
Este inducido está formado por tres grupos de bobinas uniformemente distribuidas a lo largo de todo el contorno, que generan la corriente eléctrica. Las bobinas de cada una de los grupos están conectadas en serie (denominando fase a cada uno de los tres grupos), arrollándose en sentido contrario alternativamente para que las fuerzas electromotrices inducidas se sumen, mientras que el conexionado de las tres fases puede estar realizado en triángulo (conexión en triángulo) o en estrella (conexión en estrella), quedando en ambos casos tres terminales de salida por donde emerge la corriente generada. Todas las bobinas se encuentran aisladas eléctricamente de la estructura que las contiene.
Para comprobar el citado aislamiento de cada fase se medirá con un óhmetro el valor de resistencia entre masa y cada uno de los terminales de las fases, debiendo obtenerse una lectura de resistencia infinita.
La continuidad y el cortocircuito se pueden comprobar a la vez mediante el empleo de un óhmetro para medir el valor de resistencia entre los extremos de cada dos fases: mientras que un valor infinito denota la ausencia de continuidad, un valor de cero indica la existencia de cortocircuito entre las fases de que se trate.
2.2.- Rotor o inductor.
Sigamos viendo los componentes del alternador. Ahora le toca al rotor o inductor.
El rotor es un conjunto resistente y equilibrado dinámicamente, formado por un eje de acero que apoya por sus dos extremos en las carcasas delantera y trasera mediante cojinetes de bolas.
Dispuesta sobre el eje y aislada eléctricamente del mismo, se encuentra una bobina cuyos extremos se conectan a unos anillos rozantes montados a presión en un extremo del eje, también aislados eléctricamente de él. Dicha bobina constituye el devanado de excitación que produce el campo magnético inductor. Montadas a presión en el eje y rodeando a la bobina van las dos mitades de la pieza que constituye los polos magnéticos del rotor. Cada una de estas mitades tiene forma de garra, quedando intercalados los salientes de una de las mitades entre los salientes de la otra mitad.
Contra los anillos rozan las escobillas, a través de las cuales entra y sale la corriente de la bobina. El paso de corriente por ella forma un campo magnético que se ve reforzado por el núcleo que constituye las dos mitades de las piezas polares. Según el sentido de paso de la corriente por la bobina, en todas las garras de una mitad se forman los polos Norte y en la otra los Sur.
El rotor recibe el giro del motor de combustión por medio de una correa trapezoidal de varios surcos que proporciona el movimiento de giro a la polea montada en el eje del rotor.
En el eje se monta un ventilador para provocar una corriente de aire (mediante succión) que enfríe los componentes del alternador.
Para las pruebas de continuidad y el cortocircuito se emplea un óhmetro para obtener el valor de resistencia entre los anillos rozantes. Mientras que un valor de resistencia infinito implica que la bobina no presenta continuidad, un valor muy próximo a cero indica la existencia de cortocircuito entre las espiras de la bobina.
Para la comprobación del aislamiento de masa también se emplea un óhmetro para obtener el valor de resistencia entre masa y cada uno de los anillos rozantes, debiéndose obtener un valor de resistencia infinito.
2.3.- Puente rectificador.
Es muy importante que no olvides que el alternador es un generador de corriente eléctrica de naturaleza alterna (corriente alterna). Debido a que la corriente eléctrica que se necesita en el vehículo es continua, inicialmente se empleaba la dinamo como generador de corriente (corriente continua). Los avances en electrónica y la aparición de los diodos posibilitaron el empleo del alternador como generador del vehículo.
El puente rectificador o puente de diodos es el encargado de rectificar la corriente alterna trifásica generada en el devanado estatórico. La rectificación realizada por el puente de diodos se denomina de onda completa, ya que se cambia la polaridad del semiciclo negativo y se emplea para ello dos diodos por cada fase. Los diodos están aislados de la placa soporte, sujeta a la carcasa soporte del lado de los anillos rozantes, mediante tres tornillos aislados eléctricamente.
Los alternadores actuales son autoexcitados, esto es, la corriente eléctrica necesaria para la alimentación de la bobina del rotor es generada por el propio alternador. Para ello, estos alternadores disponen de nueve diodos, de forma que seis de ellos (diodos de potencia) son utilizados para la rectificación de la corriente (dos diodos por fase) y los tres restantes (diodos de excitación) se emplean, conjuntamente con los tres diodos de potencia del lado negativo (uno por cada fase), para la rectificación de la corriente eléctrica destinada a la alimentación eléctrica de la bobina del rotor.
Como puedes observar en la siguiente figura, en su conexión, tres diodos de potencia se conectan a masa por su ánodo y otros tres se conectan a la salida del alternador por su cátodo. Los extremos libres de todos se conectan a los extremos de las fases, que pueden estar conexionadas en estrella, tal y como puedes ver en la figura, o en triángulo.
El calentamiento de los diodos está limitado, por lo que se montan sobre cuerpos de refrigeración (gran superficie y buena conductividad térmica), a veces con aletas de refrigeración. Otras veces, los diodos van montados sobre la carcasa trasera, debidamente aislados, haciendo la citada carcasa de cuerpo de refrigeración.
La batería no se descarga a través del bobinado del estátor del alternador cuando éste se detiene en su giro, pues los diodos se disponen contrarios al sentido de la corriente de descarga.
La verificación eléctrica de los diodos que forman el puente consiste en comprobar que permiten la circulación de la corriente eléctrica en un solo sentido. Para ello se empleará un polímetro en la función de comprobación de diodos. Los puntos de conexión del puente de diodos son el terminal de masa (ánodo de tres de los diodos de potencia) y el terminal positivo (cátodo de los tres diodos de potencia restantes) y los tres puntos intermedios del puente de diodos donde se conectan las tres fases. Para los diodos de excitación, los tres puntos intermedios del puente de diodos donde se conectan las tres fases suponen el ánodo de cada uno, mientras que los cátodos de los tres diodos citados se encuentran conectados a la salida de excitación (cable verde que se observa en la imagen del puente de diodos montado en placa soporte).
2.4.- Carcasas.
La carcasa del lado de accionamiento (carcasa delantera) es una pieza de aluminio fundido cuyo interior alberga un cojinete de apoyo del eje del rotor. En su contorno dispone de unas bridas para la sujeción del alternador al motor del vehículo y el tensado de la correa de arrastre. También dispone de orificios de salida de la corriente de aire producida por el ventilador. Delante de esta carcasa se dispone el ventilador y la polea.
La carcasa del lado de los anillos rozantes (carcasa trasera) también es una pieza de aluminio fundido en la que se monta el portaescobillas, fijado por tornillos. De ella salen los bornes de conexión del alternador y en su interior se aloja un cojinete para el apoyo del otro extremo del eje del rotor. Al igual que en la carcasa delantera, en su cara frontal dispone de orificios de entrada de la corriente de aire del ventilador.
Ambas carcasas se unen por medio de tornillos, quedando en su interior estátor, rotor y puente rectificador.
Las carcasas no tienen función eléctrica, por lo que su verificación es sólo mecánica y consiste en comprobar la ausencia de deformaciones y fisuras, así como el buen estado de los cojinetes de apoyo del eje del rotor.
2.5.- Ventilador.
El ventilador del alternador se encuentra dispuesto detrás de la polea de arrastre y sus funciones son:
- Disipar tanto el calor desarrollado dentro del propio alternador, como el calor irradiado y transmitido por el motor de combustión y el sistema escape.
- Proteger del calor los aislamientos y puntos de soldadura del alternador.
- Proteger los diodos de su deterioro, pues no soportan temperaturas superiores a 80 ºC.
El giro del ventilador provoca que el aire frío procedente del exterior pase en primer lugar a través del soporte de los diodos, enfriando a éstos. Si la corriente de aire no fuera de succión, el aire que entrase por el lado opuesto al del puente de diodos tendría menos capacidad de enfriar a éste ya que se habría calentado en su circulación interior. En la siguiente figura puede verse un alternador y el sentido del flujo del aire provocado por el giro del ventilador.
La comprobación del ventilador es sólo mecánica y consiste en comprobar la ausencia de deformaciones y/o roturas en el mismo.
En el caso de alternadores de gran potencia, son refrigerados por su parte trasera mediante el propio líquido refrigerante del motor, disponiéndose en ellos las conexiones eléctricas en el lado del accionamiento.
2.6.- Regulador.
Ya has visto los elementos que hacen funcionar al alternador para producir electricidad, pero ¿cómo la controlamos?
La necesidad de la regulación de la tensión proporcionada por un alternador es debida a que esta tensión generada es proporcional a la velocidad de giro del rotor y esta velocidad de giro varía durante las distintas condiciones de marcha del automóvil. La regulación de la tensión generada se logra actuando sobre la corriente de excitación del alternador, afectando así al campo magnético creado por el rotor. Si la tensión generada es inferior a la de regulación, el regulador no actúa, pero si la tensión generada es superior a la de regulación, el regulador producirá una reducción o eliminación total de la corriente de excitación. Este proceso de regulación es muy rápido, de manera que la tensión de salida del alternador queda regulada, manteniéndose así en el valor constante necesario.
Por otro lado, la intensidad de corriente proporcionada por el alternador depende de la carga a la que se encuentra sometido en cada momento. Así, una gran cantidad de consumidores podrían producir un consumo excesivo que calentarían en exceso los devanados inducidos, pero debido a sus propias características, el alternador no necesita un regulador de intensidad. Esto se debe a que cuando la corriente producida por el alternador y que sale del estátor es elevada, el campo magnético creado en las bobinas de las distintas fases del estátor es suficientemente alto para oponerse al flujo inductor, lo que supone una limitación de la corriente inducida. El fenómeno de la autoinducción que sucede, provoca que la corriente generada no suba por encima de un cierto valor y además, cuanto más elevado es el giro del alternador, mayor la frecuencia de la corriente alterna inducida, lo que produce una mayor autoinducción y limita todavía más la corriente inducida.
Aunque han existido reguladores de tipo mecánico y con ayuda electrónica, en la actualidad son totalmente electrónicos, formados esencialmente por dos transistores. Las ventajas de estos reguladores son:
- Los tiempos de regulación son más breves, posibilitando menores tolerancias de regulación.
- No existe desgaste de componentes, no requiriendo mantenimiento.
- La conmutación sin chispas evita interferencias en la radiotransmisión.
- Son resistentes contra choques, vibraciones e influencias climáticas.
- Su pequeño tamaño posibilita su montaje en el propio alternador.
Dados la estructura compacta y el poco espacio que ocupa un regulador electrónico junto con su pequeño peso, en la actualidad suelen integrarse en el mismo alternador, montados en la carcasa del lado de los anillos rozantes y formando una sola unidad con el portaescobillas. Ello conlleva que el desgaste de las escobillas o la avería del regulador provoquen la sustitución de todo el conjunto.
2.7.- Lámpara testigo.
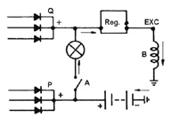
¿Cómo puedes darte cuenta de que algo se ha averiado? Con algún elemento que te avise. En el alternador, como ocurre en múltiples sistemas de los vehículos, tenemos la lámpara testigo.
La lámpara testigo no forma parte del propio alternador, pero sí del conjunto del circuito de carga, disponiéndose en el cuadro de instrumentos del vehículo y teniendo como funciones informar de anomalías en el citado circuito y proporcionar tensión a la bobina del rotor en el momento de inicio del giro.
En los alternadores con puente rectificador de nueve diodos (alternadores autoexcitados), para que el alternador produzca una fuerza electromotriz es precisa la existencia de un campo magnético en el rotor, que se consigue haciendo pasar por su bobina una corriente eléctrica. El problema radica en que la bobina del rotor se alimenta de la propia corriente que produce el alternador y éste no ha comenzado todavía a producirla.
Para solucionar este problema de la alimentación del bobinado rotórico antes de la producción de fuerza electromotriz por los alternadores autoexcitados, se recurre a preexcitar el alternador durante la fase de arranque mediante una lámpara intercalada entre el borne positivo del alternador y el borne que conecta con el devanado rotórico a través del regulador, tal y como puedes ver en la siguiente figura. En ella puedes observar cómo la lámpara conecta con el borne positivo del alternador a través del interruptor de la llave de contacto del vehículo. La corriente que circula por la lámpara se conecta a la masa a través del devanado rotórico, siendo esta corriente suficiente para superar la tensión umbral de los diodos y preexcitar al alternador durante el arranque.
Como has visto, en estos alternadores de nueve diodos la corriente de excitación es tomada del propio alternador, por lo que el motivo de denominarse alternadores autoexcitados es por su conexionado.
2.8.- Funcionamiento del alternador.
El funcionamiento del alternador se basa en el fenómeno de inducción electromagnética, consistente en que cuando un conductor eléctrico se ve afectado por un campo magnético variable que corta sus líneas de fuerza, se induce en él una fuerza electromotriz. Este campo magnético variable puede conseguirse cuando el campo magnético está fijo y el conductor se mueve o cuando el conductor está fijo y es el campo magnético el que se mueve.
El campo magnético inductor se crea por el paso de corriente eléctrica a través de la bobina del rotor. Este campo magnético rotatorio afecta a los conductores que forman las bobinas del estátor y en cada una de ellas se induce una fuerza electromotriz. Y para un determinado régimen de giro, la fuerza electromotriz total inducida se obtiene como suma de las inducidas en cada fase, siendo la misma para cada instante.
Puesto que al variar la intensidad de la corriente en la bobina del rotor se modifica la intensidad del campo magnético inductor y, con ello, la fuerza electromotriz inducida en el devanado estatórico, es necesario el empleo de un regulador de tensión para el control de la intensidad de la corriente en la bobina del rotor, como ya hemos explicado.
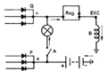
Mientras que en los alternadores con puente rectificador de seis diodos la corriente de excitación procede directamente de la batería del vehículo, en los alternadores con puente rectificador de nueve diodos (alternadores autoexcitados), tal y como puedes ver en la siguiente figura, la corriente de excitación procede del devanado del estátor y es rectificada por tres diodos de excitación y los tres diodos de potencia del lado negativo. Por otro lado, como puedes observar en la figura, según el conexionado de la lámpara testigo entre el borne positivo de la batería y la salida del alternador, la preexcitación del mismo durante la fase de arranque del motor de combustión se consigue con la conexión de esta lámpara testigo.
3.- Placa solar.
A la salida del taller María, viendo la proliferación de captadores de energía solar en las cubiertas de las viviendas comenta con Lorenzo la posibilidad de emplear tal energía en los vehículos.
El empleo de la energía solar en los vehículos ya es un hecho consumado, aunque todavía dista de poder ser empleada en el sistema de propulsión.
La placa o célula solar es un dispositivo semiconductor capaz de convertir la radiación del Sol en electricidad de una forma directa e inmediata. Esta conversión se denomina efecto fotovoltaico.
Las células solares tienen muchas aplicaciones. Son particularmente interesantes y han sido históricamente utilizadas para producir electricidad en lugares donde no llega la red de distribución eléctrica, de manera limpia y sostenible.
La necesidad de grandes superficies captadoras limita la energía captada, de forma que su principal empleo en los vehículos se centra en la ventilación del habitáculo y en la recarga de la batería, tanto en vehículos híbridos como convencionales. Para ello, estos vehículos montan un techo solar practicable con placas fotovoltaicas que permiten activar la circulación de aire en el interior del habitáculo con el coche parado. De esta forma, la energía eléctrica producida por las placas es empleada para que el sistema de ventilación del coche renueve el aire cuando está aparcado (este sistema ya lo utilizan desde hace tiempo algunos vehículos del Grupo Volkswagen y el Toyota Prius de tercera generación).
Con el coche parado el sistema consigue un suministro constante de aire, con lo que la temperatura del vehículo se reduce por el flujo de aire procedente del exterior. Esta ventilación preliminar permite al sistema de aire acondicionado reducir más rápidamente la temperatura interna hasta el nivel requerido, con un consumo más reducido de energía y un menor uso de la climatización.
4.- Baterías.
María mide el estado de una batería mediante un voltímetro de descarga, comprobando así que la batería está descargada. Lorenzo le indica que antes de proceder a su sustitución efectúe la carga de la misma, pues la citada descarga ha podido deberse, en vez de al envejecimiento de la misma, al poco uso del vehículo o a un problema externo a la batería. Para ello, mediante un cargador de baterías, María inicia el proceso de carga de la misma, no sin antes tomar las debidas precauciones, ya que recuerda que la carga de un acumulador de plomo es una operación delicada.
Las baterías, como acumuladores de energía eléctrica los tienes muy presentes en tu vida cotidiana: teléfono móvil, ordenador portátil, etcétera.
Un acumulador es un generador que transforma en energía eléctrica la energía química almacenada en su interior por medio de una reacción química entre sus reactivos, produciéndose la descarga de la misma y que, además, al aportarle energía eléctrica, en su interior pueden deshacerse las transformaciones químicas que han producido su descarga, con lo que queda cargada para un nuevo ciclo de descarga.
La conexión de varios de estos acumuladores en serie constituye una batería. Para una determinada reacción entre sus reactivos, la diferencia fundamental entre baterías de baja y de alta tensión radica en el número de acumuladores dispuestos en serie, pues a mayor número de éstos, mayor es la fuerza electromotriz que puede proporcionar.
Seguidamente conocerás la estructura de una batería de automóvil, sus características físicas y eléctricas, los procesos de carga y descarga, el procedimiento de carga de la misma y el mantenimiento y sustitución de la misma en el vehículo.
4.1.- Batería de baja tensión.
¿A qué crees que se debe el valor de la tensión producida por un acumulador?
La tensión producida por un acumulador es característica de las reacciones químicas que se originan en su interior, caracterizándose aquella por ser de un valor pequeño (de 1,2 a 2,2 voltios). Con objeto de obtener valores superiores de tensión se suelen conectar varios acumuladores en serie, tal y como ya conoces por la unidad anterior y además puedes observar en la siguiente figura, constituyéndose así la batería.
Las baterías más comúnmente empleadas en los vehículos son acumuladores de plomo y ácido, en las que los electrodos son placas positivas de peróxido de plomo y placas negativas de plomo esponjoso. Por otro lado, se encuentra el electrolito que es el elemento conductor de la corriente eléctrica entre las placas de un polo y del otro, dentro de cada vaso. En las baterías de plomo el electrolito empleado puede ser líquido o sólido:
- El electrolito líquido es una disolución de ácido sulfúrico en agua destilada, cuya densidad aumenta con el estado de carga de la batería y con el aumento de la temperatura.
- El electrolito sólido consiste en un gel compacto o unas bolsas de microfibras absorbentes que contienen el ácido.
La fuerza electromotriz que se consigue en estos acumuladores por medio de las reacciones químicas que se suceden en su interior llega hasta los 2,2 voltios, considerándose el valor de 2 voltios como la tensión nominal de la misma.
El aumento continuo en el consumo eléctrico de los vehículos ha conllevado la necesidad de aumentar los valores de la tensión empleada en los vehículos, pasando desde los 6 a los 36 voltios. De esta forma, en una batería de plomo y ácido, la tensión nominal de la misma viene dada por el número de vasos:
Seguidamente vas a conocer la estructura y características de una batería de plomo y ácido, así como los procesos de carga y descarga y los procedimientos para efectuar su carga, mantenimiento y sustitución.
4.2.- Estructura de la batería.
El recipiente que conforma la batería se denomina monotabique o monobloque y consiste en una caja con tapa, dividida en varias celdas, vasos o compartimentos, fabricada en polipropileno, por ser este un material ligero y no atacable por el ácido.
Los vasos disponen en su interior de una serie de rejillas constituidas por una aleación de plomo y antimonio y exteriormente de un orificio para el tapón de llenado y un respiradero para la salida de gases.
Las rejillas son las encargadas de servir de soporte al material que interviene en la reacción química de obtención de energía eléctrica. Para ello se disponen en cada uno de los vasos una serie de rejillas con peróxido de plomo (placas positivas), intercaladas con otras de plomo esponjoso (placas negativas), uniéndose entre sí y mediante una pieza o puente de conexión todas las del mismo signo. Entre cada dos placas se encuentra un separador a modo de aislante.
Como puedes observar en la siguiente figura, en la parte inferior de la caja se dispone una pieza (apoyo de elementos) sobre la que se asientan las distintas placas, quedando bajo éstas un espacio libre para el depósito de los sedimentos que se generan durante la vida de la batería; de este modo se impide que los sedimentos depositados en el fondo puedan provocar un cortocircuito entre las placas de distinto signo.
Como has visto anteriormente, los vasos entre sí se encuentran unidos en serie, pudiendo almacenar cada uno de ellos en una batería de plomo energía eléctrica a tensión de 2 voltios. El primer y último vaso se encuentran unidos por su extremo libre a cada uno de los bornes de la batería, pudiendo ser éstos cilíndricos o planos con un orificio para la fijación mediante tornillo del cableado del automóvil. En baterías con bornes cilíndricos, el borne positivo es de mayor diámetro que el negativo, pudiendo además estar en el lado izquierdo o derecho de la batería (al tomar como referencia el lado que contiene ambos bornes y que está más próximo al observador).
4.3.- Características de las baterías.
Llegados a este punto, pensarás acertadamente que en la sustitución de la batería de un automóvil no basta con elegir una cualquiera.
A la hora de proceder a la sustitución de la batería de un vehículo resulta imprescindible conocer sus características, pues de ello depende que la citada sustitución sea exitosa.
Podemos distinguir entre características físicas y eléctricas. Mientras que las características físicas permiten la adecuada disposición de la batería en el vehículo, las eléctricas hacen referencia a la tensión y capacidad adecuadas al suministro de energía necesario para el vehículo.
Las características físicas fundamentales son la altura y anchura de la batería que permitan su adecuada ubicación en el receptáculo del vehículo provisto para tal fin. Estas dimensiones están en gran parte relacionadas con las características eléctricas de la batería, aunque siempre es conveniente una comprobación previa de que dichas dimensiones son adecuadas.
Asimismo, la disposición del borne positivo a la derecha o izquierda según proceda (tomado como referencia el lado mayor próximo al observador) resulta imprescindible para la adecuada conexión eléctrica en el vehículo.
Las características eléctricas de una batería son la fuerza electromotriz o tensión nominal proporcionada, la intensidad máxima y la capacidad de la batería y éstas suelen estar impresas en la etiqueta de la batería.
Aunque la tensión existente entre los bornes de la batería depende de sus estado de carga y de su conexión o no a un circuito eléctrico (por la caída de tensión que se produce en ella a consecuencia de sus resistencia interna), la tensión nominal (medida en voltios, V) es el voltaje que se considera existente entre los bornes de la batería. En el caso de baterías de plomo-ácido la tensión que puede proporcionar una batería viene dada por el número de vasos de la batería (generalmente 6) multiplicado por 2 V que puede dar la reacción química que se produce en cada vaso.
La intensidad máxima o corriente de cortocircuito (medida en amperios, A) es la intensidad máxima que la batería puede proporcionar. Para obtener su valor se somete la batería a una descarga continua a una determinada temperatura durante 15 segundos, de forma que la tensión por vaso no descienda de 1,2 V.
La capacidad de una batería (medida en amperios por hora, A·h) es la energía que puede suministrar cuando está totalmente cargada. Aunque la energía eléctrica se define como el producto de la tensión por la intensidad y por el tiempo, en la medida de la energía de la batería mediante la capacidad de la misma no se emplea la tensión (por ser comúnmente de 12 V) y el tiempo es expresado en horas, de forma que, tal y como hemos dicho, la capacidad queda expresada en amperios por hora.
4.4.- Proceso de descarga.
¿Qué reacciones químicas se suceden en la descarga de una batería de plomo?
Tomando como base de partida que la materia activa de las placas positivas es peróxido de plomo y la de las placas negativas es plomo esponjoso, la conexión de cualquier receptor entre los bornes del acumulador conlleva la aparición de una corriente eléctrica que circula a través del electrolito, provocando la disolución del ácido sulfúrico en iones hidrógeno (con carga positiva) e iones sulfato (con carga negativa), combinándose estos últimos en ambas placas.
De esta forma, mediante la descarga se produce la conversión en energía eléctrica de la energía química acumulada en la batería.
Tal y como puedes observar en la siguiente figura, el ion sulfato se combina en la placa positiva con el peróxido de plomo, que se transforma en sulfato de plomo, quedando libre el oxígeno de la molécula de peróxido de plomo. Puedes ver también como el ion sulfato además se combina en la placa negativa con el plomo, transformándose en sulfato de plomo. El hidrógeno libre procedente de la molécula de ácido sulfúrico y el oxígeno libre del peróxido de plomo se combinan, formando agua, conllevando una disminución de la densidad del electrolito y un aumento del sulfato de plomo en las placas de ambos signos.
Cuando la tensión por elemento desciende por debajo de 2 V la batería debe cargarse. Y si la descarga se prolonga en exceso se producirá la sulfatación de las placas negativas, consistente en que las placas se recubren de sulfato duro en forma de cristales gruesos. Este sulfato no puede volver a convertirse en materia activa normal y por su dureza provoca tensiones mecánicas internas en las placas que producen deformaciones y alabeos.
4.5.- Proceso de carga.
¿Qué reacciones químicas se suceden en la carga de una batería de plomo?
Partiendo de que la batería esté descargada, la materia activa de las placas es en gran parte sulfato de plomo. Al conectar un generador a sus bornes se establece una corriente eléctrica que circula desde el generador al acumulador e interiormente en éste través del electrolito.
Así, mediante la carga se produce la conversión en energía química de la energía eléctrica que circula a través de la batería.
Tal y como puedes ver en la figura, en la placa positiva el sulfato de plomo se transforma en peróxido de plomo, mientras que en la placa negativa el sulfato de plomo se transforma en plomo. En los dos casos las placas de ambos signos liberan iones sulfato al electrolito aumentando su densidad. También puedes observar como el paso de la corriente eléctrica a través del electrolito provoca la electrólisis del agua y su consecuente pérdida mediante la producción de burbujas de hidrógeno y oxígeno a través de los tapones y/o respiraderos de la batería.
| Tensión de la batería | Estado de carga |
|---|---|
| Mayor o igual que 12,60 V | 100 % |
| De 12,50 a 12,45 V | 80 % |
| De 12,35 a 12,25 V | 50 % |
| De 12,15 a 12,00 V | 25 % |
Tanto un exceso de corriente durante el proceso de carga de la batería como un excesivo tiempo carga originan una sobrecarga que produce un deterioro del acumulador por los siguientes efectos:
- Oxidación de las placas positivas, consistente en que el oxígeno depositado en las citadas placas causa su corrosión, con el consiguiente debilitamiento mecánico, la deformación de las placas y la pérdida de conducción eléctrica.
- Descenso del nivel de electrolito, quedando parte de las placas sin cubrir y provocando que la materia activa de las placas se reseque, se desprenda y pueda causar un cortocircuito al establecer contacto entre las placas de distinto signo.
- Lavado de las placas por las burbujas de hidrógeno y oxígeno procedentes de la descomposición del agua, arrastrando aquellas la materia activa.
- Fuerte concentración de electrolito, que deteriora los componentes, particularmente a elevadas temperaturas.
4.6.- Proceso de comprobación de la carga.
Como ya viste al final de la unidad “Fundamentos eléctricos. Circuitos. Aparatos de medida”, el comprobador de baterías o voltímetro de descarga es un aparato de medida muy adecuado para comprobar el estado de carga del acumulador de un automóvil, ya que efectúa la medida de la tensión del mismo en condiciones de descarga.
Otra manera de comprobar de forma precisa el estado de carga de una batería de plomo y ácido consiste en la medida de la densidad del electrolito contenido en sus vasos, empleándose para ello un densímetro.
El densímetro consta de:
- Una perilla para el vacío.
- Un tubo transparente exterior resistente al ácido.
- Una pipeta para introducir en los vasos.
- Un flotador con escala.
Para efectuar la medida de la densidad con el densímetro se hará el vacío en el mismo con la perilla y seguidamente se introduce en uno de los vasos de la batería para succionar una cantidad suficiente de electrolito. La medida se realizará con la batería en vacío y el nivel superior alcanzado por el electrolito sobre la escala es la lectura que se obtiene.
La medida de densidad se efectuará en cada vaso y una diferencia sensible entre vasos (usualmente 0,03) indicará que el vaso con menos densidad es defectuoso.
| Densidades a 25 ºC | Estado de carga |
|---|---|
| De 1,270 a 1,290 | 100 % |
| De 1,230 a 1,250 | 75 % |
| De 1,200 a 1,220 | 50 % |
| De 1,170 a 1,190 | 25 % |
| De 1,110 a 1,130 | Totalmente descargada. |
Como la densidad del electrolito se ve afectada por la temperatura (la densidad disminuye con un incremento de temperatura), la medida de aquella deberá efectuarse conociendo su temperatura y corregirse de forma que se restará 0,0035 g·cm-3 al valor de la densidad medido por cada 5 ºC que se encuentre la temperatura por debajo de 25 ºC. De la misma forma, se sumará 0,0035 g·cm-3 al valor de la densidad medido por cada 5 ºC que se encuentre la temperatura por encima de 25 ºC.
4.7.- Procedimiento de carga.
Ciertas veces, el uso que se hace de los vehículos, con continuos arranques y paradas junto con el funcionamiento durante largo tiempo de sistemas eléctricos, ocasiona que el alternador sea incapaz de cargar la batería en modo suficiente para compensar la descarga que ha sufrido durante su uso. Es por ello que ciertas veces es recomendable el empleo de un cargador de baterías para devolverle a la misma una carga adecuada.
Para efectuar la carga de una batería deberán establecerse los siguientes parámetros:
- Tensión de carga, correspondiente a la tensión nominal del acumulador o del conjunto de acumuladores según estén conexionados en serie o paralelo.
- Intensidad de carga, su valor numérico se correspondiente normalmente con el 10% de la capacidad nominal del acumulador o del conjunto de acumuladores según estén conexionados en serie o paralelo. Excepcionalmente puede seleccionarse una intensidad de carga superior al citado 10% (así se cargará antes), aunque esto sólo debe realizarse en baterías en buen estado, más nuevas cuanto más elevado sea el porcentaje seleccionado.
- Tiempo de carga, que para una batería totalmente descargada y expresado en horas, correspondería al cociente entre la capacidad de la batería y la intensidad de carga. Sin embargo, el estado de descarga, junto con los indicios de estado cargado (fuerte olor a ácido, gran burbujeo del electrolito y valores constantes en la última hora de carga de la tensión y de la densidad del electrolito) determinan el tiempo necesario para la carga completa.
Las operaciones previas que se deben efectuar en la carga de una batería mediante un cargador son las siguientes:
- Lavar exteriormente la batería con agua, tapando los respiraderos.
- Limpiar los bornes.
- Comprobar el nivel de electrolito y rellenar con agua destilada hasta la altura adecuada, usualmente dos centímetros por encima de las placas.
- Quitar los tapones antes de comenzar la carga.
- Conectar los bornes del cargador adecuadamente
Para efectuar el procedimiento de carga de una batería, deben seguirse las siguientes recomendaciones:
- Recargar la batería tan pronto como se detecte la descarga, pues una descarga prolongada conllevará un envejecimiento de la misma por deterioro de las rejillas.
- Al cargar varios acumuladores en serie, la tensión de carga será la suma de las tensiones de todos, mientras que para la intensidad de carga debe seleccionarse la correspondiente a la batería de menor capacidad.
- Para cargar varios acumuladores en paralelo todos ellos deben ser de la misma tensión nominal y estar en similar estado de descarga. Asimismo, la tensión de carga será la tensión nominal de uno de ellos, mientras que para la intensidad de carga debe seleccionarse la correspondiente a la suma de la capacidad de todas las baterías.
- La carga debe efectuarse en una sala con ventilación natural y con ambiente fresco.
- Para comprobar el nivel del electrolito nunca debe acercarse una llama a los tapones (riesgo de explosión) ni introducir ningún objeto tal como un destornillador (riesgo de cortocircuito).
- Debe controlarse la temperatura del electrolito en carga de forma que no supere 50 ºC.
4.8.- Mantenimiento y sustitución de los acumuladores.
Si realizas un buen mantenimiento de la batería, alargarás su vida útil.
Las operaciones de mantenimiento de un acumulador son las siguientes:
- Corregir el nivel del electrolito añadiendo agua destilada hasta que el nivel esté 2 cm por encima de las placas.
- Nunca rellenar con ácido, pues el aumento en la concentración del electrolito puede provocar corrosiones internas.
- Para corregir el nivel del electrolito se empleará exclusivamente agua destilada, no debiéndose conservar nunca en recipientes metálicos por el posible riesgo de cortocircuito al aproximarlo a la batería.
- No se añadirá agua en exceso por el riesgo de desbordamiento y la consecuente pérdida de electrolito.
- Siempre deben mantenerse limpios los orificios de salida de gases de los tapones (respiraderos) y convenientemente engrasados los bornes.
- La batería se mantendrá en el vehículo bien sujeta, evitando los golpes que pueden producir daños interiores por desprendimiento de la materia activa.
- Debe mantenerse limpia la batería, fundamentalmente la parte superior de la misma, pues esto ayuda a reducir la propia autodescarga.
Para efectuar la sustitución de la batería de un vehículo deben observarse las siguientes indicaciones:
- La capacidad del nuevo acumulador debe ser igual o mayor a la del sustituido. Una mayor capacidad del acumulador implica un mayor tamaño del mismo (por la mayor cantidad de materia activa que presenta en sus placas) por lo que habrá que comprobarse que el receptáculo dispuesto en el vehículo para el acumulador da cabida al mismo.
- Para el conexionado eléctrico, en la desconexión de batería a sustituir debe realizarse primero el desembornado del borne negativo, mientras que para la conexión de la batería nueva deberá conectarse en primer lugar el borne positivo de la misma. Mediante este procedimiento de conexión y desconexión se evita el posible riesgo de cortocircuito durante la manipulación de los bornes.
- En caso de existir partes de chapa del vehículo dañadas por el electrolito, éstas deben lavarse con bicarbonato y pintarse con pintura antiácida.
- En caso de que los terminales del vehículo se encuentren deteriorados, éstos también se lavarán con bicarbonato, cubriéndolos, tras la conexión de la nueva batería con vaselina o grasa para mejorar la conexión eléctrica y evitar el deterioro de los mismos.
4.9.- Batería de alta tensión.
Las baterías de alta tensión, por encima de los 100 V, se emplean en automoción fundamentalmente en vehículos eléctricos e híbridos para su tracción. Debido a la elevada potencia absorbida por los motores eléctricos empleados en la tracción de estos vehículos, es conveniente el empleo de tensiones de alimentación elevadas y así reducir la intensidad de corriente en la misma proporción.
Las baterías de alta tensión se obtienen mediante la conexión en serie de un elevado número de vasos o celdas, constituyendo el conjunto un módulo. Asimismo, es necesario que estas baterías dispongan también de una elevada capacidad para una mayor autonomía; para ello se disponen varios módulos con conexión en paralelo entre ellos.
A modo de ejemplo, la batería del Toyota Prius dispone de una tensión nominal de 201,6 V, obtenida por la conexión en serie de 168 celdas de níquel e hidruro metálico (1,2 voltios por celda) y una capacidad de 6,5 A·h conseguida mediante 28 módulos. Estos módulos de baterías se pueden instalar y sustituir de forma individual por el servicio técnico, aunque es más probable que la batería completa sea reemplazada para ahorrar en costes de mano de obra.
La existencia del sistema eléctrico de alta tensión en los vehículos híbridos y eléctricos hace necesario poner una gran atención al manipular cualquiera de los componentes por el propio riesgo eléctrico, siendo imprescindible la desconexión del borne negativo de la batería auxiliar de 12 V seguida de la desconexión de la alta tensión (mediante conector o fusible). Asimismo, tras estas operaciones previas deberá esperarse unos 5 minutos para que se descargue el condensador de alta tensión con el que estos vehículos suelen equiparse.
El objetivo del citado condensador es preservar a la batería de alta tensión de elevadas descargas en los inicios de marcha del motor de tracción, ya que el condensador dispuesto en paralelo con la batería permite proporcionar una elevada potencia que disminuirá la descarga de la batería y alargará su vida útil.
Sistema híbrido y características del Toyota Prius.
También puedes conocer mediante este enlace que los acumuladores con más expectativas de futuro son los de ion litio por su relación entre la energía acumulada y su peso.
5.- Motor de arranque.
Cuando intentamos arrancar un vehículo y el motor de combustión no hace ningún ruido, la primera idea que nos viene a la cabeza es la de que la batería se encuentra descargada. Aunque esta es una de las principales causas, sobre todo a primeras horas de la mañana (debido a la baja temperatura del ambiente entre otros motivos), no es la única. María sabe bien esto y tras comprobar en un automóvil con esta sintomatología que la batería del mismo tiene un valor adecuado de tensión, opta por comprobar con la ayuda de Lorenzo el circuito de arranque del vehículo.
Para poner en marcha un motor térmico se necesita proporcionarle un movimiento inicial hasta funcionar por sí mismo a consecuencia de la combustión de la mezcla en sus cilindros. La misión fundamental del circuito de arranque es la de que el motor térmico del vehículo dé los primeros giros hasta conseguir que éste gire por si solo.
En el circuito se establece una circulación de la corriente eléctrica desde la batería, pasando por la llave de contacto o el pulsador de arranque, hasta el motor de arranque que lleva a cabo la transformación de la energía eléctrica suministrada por la batería a energía mecánica de rotación que será transmitida al motor de combustión del vehículo.
El motor de arranque es un motor eléctrico de corriente continua que proporcionará un determinado par y velocidad de giro. Sería deseable que ambas magnitudes fueran elevadas, pero esto conllevaría un motor demasiado caro y pesado, por lo que los fabricantes buscan un equilibrio entre el peso y la potencia junto con un bajo consumo.
El giro del motor de arranque se transmite al cigüeñal del motor por medio de un sistema de acoplamiento que engrana su piñón con la rueda dentada que envuelve al volante de inercia. De esta forma y tal y como te mostramos en la siguiente figura, el motor de arranque se ubica en la parte trasera del motor térmico, al lado del embrague, fijado mediante tres tornillos (A) y empleándose a veces un tornillo (B) para su fijación lateral.
5.1.- Descripción del motor de arranque.
En este y los siguientes apartados podrás comprobar las grandes diferencias existentes entre el alternador y el motor de arranque, así como en los componentes de una y otra máquina.
El motor de arranque está constituido por rotor o inducido que gira en el interior del estátor o inductor apoyado en ambos extremos del eje. En su extremo delantero está provisto de un piñón de engrane que durante su funcionamiento acopla con la rueda dentada del volante motor para arrastrarla en su giro. El accionamiento eléctrico del motor de arranque se consigue por medio de un relé que, a la vez, puede desplazar hacia adelante el piñón de engrane para acoplarlo a la rueda dentada del volante motor.
De forma general, los componentes del motor de arranque son los siguientes:
- Estátor o inductor.
- Rotor o inducido.
- Carcasas soporte delantera y trasera.
- Piñón de engrane.
- Relé.
A continuación conocerás con detalle la función y las características de cada uno de los componentes del motor de arranque.
También puedes ver este vídeo que te puede proporcionar una idea general del funcionamiento del conjunto del circuito de arranque.
5.2.- Estátor o inductor.
Vamos a empezar por el estátor o inductor del campo magnético. ¿Crees que es tan sencillo como aparenta ser? El estator se encuentra formado por una carcasa metálica cilíndrica que rodea y protege a los demás componentes.
Tal y como puedes ver en la siguiente imagen, en el interior de la carcasa metálica se alojan los componentes que producirán el campo magnético necesario para su funcionamiento. Este campo magnético puede ser producido por imanes permanentes o por unas bobinas arrolladas sobre masas polares (3) que se fijan a la carcasa mediante tornillos (1). Las citadas bobinas se denominan inductoras (2) y están conectadas al polo positivo mediante un borne (5), mientras que su conexión a masa se efectúa a través de las escobillas que alimentan al rotor (4 y 6). El hueco existente entre el estátor y el rotor se denomina entrehierro.
Las bobinas son de hilo de cobre de gran sección debido a la elevada intensidad que circula por ellas. Las bobinas opuestas forman polos del imán de distinto nombre, arrollándose para ello en sentido contrario.
Los motores de excitación mediante bobinas pueden ser de dos o cuatro polos (bipolares o tetrapolares), con dos escobillas los primeros y dos o cuatro escobillas los segundos. También existen motores con excitación mediante imanes permanentes, en los que no existen bobinas inductoras en el estátor.
La continuidad de las bobinas se comprueba con un óhmetro, cuyos terminales se aplican a los dos extremos de las bobinas. Un valor infinito indica que el circuito está interrumpido en algún punto.
Las derivaciones a masa se detectan con un óhmetro, conectando una punta al borne de entrada de corriente y la otra a masa. Un valor cero indica que hay derivación a masa en algún punto, mientras que un valor infinito es prueba de un correcto aislamiento.
5.3.- Rotor o inducido.
¿Preparado para continuar con el rotor? El rotor o inducido está formado por un eje de acero sobre el que se monta un tambor formado por un paquete de láminas magnéticas en el que se albergan varias bobinas que constituyen los arrollamientos inducidos, montándose también en uno de los lados del eje un colector o anillo rotatorio a modo de conmutador.
Este colector está formado por un cilindro aislante sobre el que se sujetan las láminas o delgas dispuestas longitudinalmente y aisladas entre sí, sobre las que rozan las escobillas para el conexionado eléctrico. A las delgas del colector se unen las bobinas del inducido en un conexionado en serie (se une el final de una bobina con el principio de la otra a través de la misma delga). El paso de la corriente eléctrica por estas bobinas sometidas al campo magnético del estátor, produce el giro del motor.
En el extremo del eje opuesto al colector existe un estriado helicoidal por el que se desplaza el piñón de engrane para engranar con la corona del volante de inercia del motor térmico. Los extremos del eje se apoyan en cojinetes alojados en las carcasas delantera y trasera.
La continuidad se comprueba mediante un aparato llamado zumbador, consistente en un electroimán sobre el que se coloca el inducido, apoyado en el tambor. El paso de corriente por el comprobador produce un campo magnético cuyas líneas de fuerza atraviesan el tambor. Conectando un amperímetro entre dos delgas se va girando el inducido hasta conseguir la lectura máxima, cuyo valor debe ser igual para todas las medidas realizadas en las diferentes delgas. Una lectura más baja que las demás indica que no existe continuidad en la bobina conectada a las delgas en prueba. La interrupción suele encontrarse en la soldadura de las bobinas al colector.
El cortocircuito se comprueba también con el zumbador. Para ello se coloca una lámina metálica sobre la superficie del tambor. Manteniendo la lámina en esa posición se va girando el inducido y si, en algún momento se produce una vibración de la lámina, es que existe un cortocircuito en el bobinado o en las delgas del colector.
Las derivaciones a masa se detectan con un óhmetro, conectando una punta al colector y la otra a masa en el tambor o en el eje. Un valor cero indica que existe derivación, mientras que un valor infinito es indicador de un correcto aislamiento.
5.4.- Piñón de engrane.
¿Cómo se transmite el movimiento desde el motor de arranque al motor térmico del vehículo?
El piñón de engrane tiene por misión transmitir el movimiento del rotor, con la reducción adecuada, a la corona del volante de inercia. El tamaño del piñón es sobre una docena de veces menor que la corona para poder transmitir al motor térmico un elevado par de giro. Debido a esta reducción es necesario que una vez arranque el motor de combustión, se produzca el desengrane de piñón y corona, pues la velocidad con la que el motor de combustión arrastraría al de arranque sería enorme y produciría la destrucción del rotor.
En uno de los extremos del eje del rotor existe un estriado helicoidal por el que se desplaza el piñón de engrane, el cual puede ser accionado por una horquilla a través de un relé con núcleo móvil o por inercia. En el caso de que el desplazamiento del piñón se produce por inercia, el engrane del piñón sucede por su desplazamiento a través de la hélice. Una vez arrancado el motor térmico, el movimiento relativo del piñón sería en sentido contrario al anterior, por lo que se produciría su retroceso. Si el desplazamiento del piñón se produce mediante horquilla, se dispone de un mecanismo de rueda libre en el piñón para desconectar el rotor del motor de arranque cuando el motor térmico ha empezado a girar pero el usuario aún sigue con la llave de contacto en la posición de arranque.
Como puede observarse en la siguiente figura, el mecanismo de rueda libre está formado por una corona exterior (A) unida al piñón de engrane (F) y un anillo interior (C) unido al manguito deslizante estriado. Entre ambos anillos se disponen unos rodillos (B) alojados en rampas de deslizamiento (D). Unos muelles helicoidales (E) mantienen los rodillos contra la parte más estrecha de la rampa, enclavando los dos anillos. Pero si la corona gira más rápido que el piñón, los rodillos son empujados hacia la parte más ancha de la rampa y se produce el desacople.
La verificación mecánica del piñón de engrane consiste en comprobar el correcto funcionamiento de la rueda libre, que debe permitir el giro del piñón de engrane en un sentido, pero no en el contrario. También debe comprobarse el estado de la horquilla de mando del piñón de engrane, que no debe presentar roturas ni deformaciones y que los brazos acoplen correctamente sobre el plato de empuje del piñón.
5.5.- Carcasas soporte.
Ahora verás que las carcasas, además de cerrar el conjunto, tienen otras funciones.
En los elementos de cierre del conjunto del motor de arranque podemos distinguir entre la carcasa soporte delantera y la carcasa trasera o tapa portaescobillas.
La carcasa delantera es una pieza de fundición en la que se aloja el cojinete para apoyo del eje del rotor. Dispone de una abertura o ventana para proporcionar el contacto entre el piñón y la corona del volante de inercia, accionándose el piñón hacia delante para engranar con la corona, mediante una pieza en forma de horquilla fijada a la carcasa por medio de un pasador. En la parte superior de la carcasa se encuentra el receptáculo para el relé. El extremo superior de la horquilla de mando se une al núcleo del relé, que es el encargado de accionarla. En los motores con reductora, esta carcasa aloja también el mecanismo epicicloidal del reductor.
En la carcasa trasera o tapa portaescobillas va alojado el cojinete donde apoya el otro de los extremos del eje del rotor. Dispone de un alojamiento llamado portaescobillas donde se montan las escobillas que son presionadas contra el colector mediante muelles o resortes de escobillas en espiral o helicoidal.
5.6.- Relé.
¿Qué función tiene el relé? El relé es el elemento que controla la corriente eléctrica necesaria para el funcionamiento del motor de arranque, protegiendo a su vez los contactos del interruptor de arranque del vehículo. Consiste en un interruptor electromagnético que está incorporado en el mismo motor, acoplado a la tapa del lado de accionamiento mediante dos o tres espárragos.
El relé está formado por dos bobinas (bobina de retención y bobina de accionamiento) de núcleo móvil que se desplaza hacia el interior de las bobinas por efecto magnético al ser alimentadas eléctricamente. Cuando pasa corriente eléctrica por las bobinas, se crea un campo magnético que hace desplazarse a la armadura hacia los contactos fijos, empujando al contacto móvil contra los bornes de conexión que forman los contactos del interior. Cuando se excita el relé, el borne de corriente directa de la batería manda la corriente al motor de arranque a través del borne del motor de arranque.
Como puede observarse en la siguiente figura, mientras que la bobina de retención está conectada entre la entrada positiva de corriente (terminal 50) y masa, la bobina de accionamiento está conectada entre la entrada positiva de corriente (terminal 50) y un terminal que conecta con las bobinas inductoras del estátor. Esta disposición permite una rápida formación del campo magnético necesario para desplazar el núcleo móvil y una posterior disminución de la resistencia eléctrica del circuito inductor, elevando la corriente que circula por las bobinas inductoras y aumentando el campo magnético.
Además, el relé puede tener una función mecánica para acoplar el piñón a la corona, ya que con el movimiento del núcleo del relé se consigue el movimiento de la horquilla que efectúa el engrane del piñón con la corona del volante de inercia. Al abrir el pulsador, el núcleo del relé retrocede y tira de la horquilla, desengranando el piñón.
La comprobación eléctrica del relé consiste en comprobar que las bobinas no estén seccionadas. Para ello se medirá la resistencia de cada una con un polímetro y si la resistencia de alguna de ellas presenta un valor de infinito, indicará que está cortada. Además, el valor de resistencia óhmica de la bobina de accionamiento debe ser inferior al medido en la bobina de retención. La posible derivación a masa no suele ser posible comprobarla pues la bobina de retención no puede desconectarse de masa por ir soldado a masa uno de sus extremos.
5.7.- Funcionamiento del motor de arranque.
Aunque existe una gran variedad de motores de arranque, el funcionamiento de todos ellos es similar, llegándoles la corriente desde el borne positivo de la batería a través de la llave de contacto. En la siguiente figura puedes observar con líneas más intensas el sentido de la corriente eléctrica. En esta figura puedes ver como la corriente recorre las bobinas de accionamiento y de retención hasta que el relé cierra los contactos E y F. En ese momento la bobina de accionamiento deja de estar alimentada y en el estátor se induce un campo magnético, para llegar después la corriente a la escobilla positiva. En el caso de un estátor constituido por imanes permanentes, la corriente pasa directamente a la escobilla positiva que la dirige a las bobinas del rotor y esto produce el empuje de los conductores activos del mismo, que le harán girar. Desde la escobilla negativa la corriente pasa a masa, cerrando circuito con el borne negativo de la batería.
El campo magnético creado en los conductores del rotor como consecuencia del paso de la corriente es tal que, en combinación con el del estátor, dan lugar a unas fuerzas de atracción y repulsión que actúan sobre el rotor y éste comienza a girar. Una vez iniciado el giro, las escobillas establecen conexión con otras delgas y la corriente eléctrica pasa por las espiras que ocupan ahora la posición anterior, con lo que la situación en que se forman los polos en el rotor es siempre la misma y por ello las fuerzas actuantes sobre él continúan existiendo, con lo que el giro de éste se mantiene.
En los motores de arranque actuales con inducido mediante bobinas, el estátor suele ser tetrapolar, de manera que las bobinas pueden ir conectadas en serie, como en el caso de los motores bipolares, o bien en serie y paralelo dos a dos. En este último caso, desde el terminal de entrada la corriente se bifurca, pasando una parte por dos de las bobinas conectadas en serie y la otra parte por las dos bobinas restantes también en serie, juntándose de nuevo a la salida de cada uno de los dos grupos, desde donde llega la totalidad de la corriente hasta la escobilla positiva. Desde la escobilla positiva la corriente pasa hasta la negativa a través de las bobinas del rotor y desde aquella la corriente va a masa, cerrando el circuito.
En los motores tetrapolares pueden disponerse sólo dos escobillas, que van situadas a 90 grados, para que el campo magnético creado en el rotor sea el adecuado. En otros casos se disponen cuatro escobillas separadas 90 grados entre sí, de forma que dos de ellas son positivas (enfrentadas) y las otra dos negativas.
5.8.- Tipos de motores de arranque.
Como ya has visto en los apartados anteriores, en la transmisión del movimiento del motor de arranque al de combustión, es necesaria una reducción para aumentar el par que transmite el motor de arranque. El sistema reductor está formado por un piñón que se desliza sobre el estriado del eje del inducido y por una corona dentada que envuelve al volante de inercia del motor de combustión.
Según la transmisión del movimiento y el sistema de acoplamiento, se pueden distinguir cuatro tipos de engranajes: acoplamiento libre por horquilla, con engranaje por inercia, con reductora y con inducido deslizante:
- El motor de arranque con acoplamiento libre por horquilla es el más empleado. Como puedes observar en la siguiente figura, en este tipo de motor la palanca de accionamiento del piñón de engrane va comandada por el núcleo móvil del relé que vence la acción de un muelle opuesto. La palanca que mueve el núcleo del relé termina por su extremo inferior en forma de horquilla. Cuando se desconecta la llave de contacto, el piñón regresa a la posición de reposo empujado por la horquilla y el muelle.
- En los motores de engrane por inercia el piñón de engrane va montado en un estriado helicoidal en forma de rosca de gran paso que lleva labrado el eje del inducido. El sentido de la hélice es tal que, al comenzar a girar el rotor, el piñón es impulsado hacia adelante a causa de su inercia, hasta engranar con la corona. Tras ponerse en marcha el motor de combustión, el piñón de engrane es arrastrado por la corona que ahora gira más rápida que él, produciéndose entonces el desengrane al desplazarse el piñón hacia atrás por efecto de la hélice.
- Actualmente también es muy utilizado el sistema reductor del tipo de engranaje planetarios en motores de arranque pequeños (que pueden girar a mayor velocidad). Este sistema reductor se emplea para aumentar el par de arrastre y tiene como ventaja esencial que el eje del rotor queda en prolongación con el del piñón de engrane sin necesidad de un eje auxiliar y una carcasa auxiliar para su alojamiento.
- Los motores de arranque con inducido deslizante se emplean en vehículos con motores de gran cilindrada, en los que se necesita un engrane suave del piñón con la corona. En la siguiente figura puedes observar como el movimiento axial del piñón lo provoca el propio inducido sobre cuyo eje va montado fijo el piñón. Para permitir el deslizamiento axial del inducido el colector es más largo y en el estátor se disponen tres devanados, auxiliar, de retención y serie. Mientras que los devanados auxiliar y de retención funcionan en la etapa de engrane del piñón, el devanado serie lo hace en la segunda etapa de giro a mayor velocidad.
6.- Interpretación de documentación técnica.
El conocimiento de la simbología es imprescindible para la interpretación de los esquemas eléctricos y, por tanto, para la reparación y diagnosis de averías. Debes tener en cuenta que debido al incremento del número de dispositivos eléctricos empleados en los automóviles modernos, la instalación eléctrica de los mismos se ha hecho cada vez más compleja, por lo que es totalmente necesario saber interpretar los esquemas eléctricos pues ayudan a localizar los componentes y las conexiones entre ellos.
Además, en la elaboración de los esquemas eléctricos, los fabricantes utilizan diferentes códigos de letras, números e imágenes para la identificación de componentes, cables y conectores. Para poder interpretar dichos códigos, los esquemas eléctricos van siempre acompañados de una leyenda de símbolos y códigos que es necesario conocer, ya que no todos los fabricantes siguen la misma simbología y nomenclatura en sus esquemas eléctricos. Lo que si es igual para todos es que trabajan siempre con retorno a masa y, normalmente, los mandos trabajan a corriente y los receptores a masa.
Con este enlace puedes profundizar en el conocimiento de la simbología eléctrica y su normativa.
6.1.- Esquemas eléctricos.
Imagínate la envergadura y dificultad que tendría un esquema eléctrico que albergase todos los sistemas eléctricos de un determinado vehículo.
La complejidad de las instalaciones eléctricas de los vehículos modernos hace imprescindible el empleo de esquemas eléctricos en el momento de localizar una avería, pues los cables que enlazan los distintos componentes eléctricos de un circuito determinado se integra en el mazo de cables de la instalación y no resulta fácil de identificarlos.
La representación esquemática de los circuitos eléctricos de cada vehículo se parcializa por circuitos, cada uno de los cuales hace referencia a una función concreta. En los esquemas generales pueden diferenciarse dos tipos: los funcionales y los de cableado.
- En la siguiente figura se representa un esquema funcional que consiste en el esquema interno de los distintos componentes eléctricos del sistema de airbag y pretensores, de forma que puede deducirse el funcionamiento del circuito. En estos esquemas funcionales se necesita una leyenda del mismo, tal y como puedes observar en la siguiente figura, para poder identificar los distintos componentes mostrados en el esquema en función del número que se le asocia y de su leyenda correspondiente.
- En los esquemas de cableado, se muestra el esquema junto con los conectores y los componentes eléctricos (designados por un número que corresponde a la denominación de dicho componente), pero sin sus circuitos internos, presentando la ventaja de mostrar con mayor claridad los conectores y las vías por las que pasan los cables de los distintos circuitos y el recorrido de los mismos.
Por otro lado, los esquemas de situación de componentes ofrecen información para localizar componentes y conectores. En ellos puede incluirse el cableado o mostrar únicamente la ubicación de cada componente en un dibujo tridimensional del vehículo. En la siguiente figura, puedes observar un esquema de situación de componentes en el cofre motor con un número al lado de cada componente que sirve para su identificación a través de la leyenda del esquema.
6.2.- Simbología en esquemas.
En los esquemas se emplea una simbología para designar los diferentes elementos eléctricos, que difiere ligeramente de unos fabricantes a otros. De cualquier forma, los manuales de reparación incluyen en sus contenidos la leyenda de los esquemas eléctricos representados, que consiste en una explicación sobre cómo debes interpretar dichos esquemas.
Aunque muchos fabricantes emplean una simbología propia para sus esquemas eléctricos, existe una simbología regulada. Ésta sirve para denominar a los componentes, tipos de señales y terminales de conectores.
Los símbolos empleados por la mayoría de fabricantes para representar el tipo de señal que llega a un componente o que circula por un cable son los siguientes:
- +30: positivo directo desde batería.
- +15: positivo comandado por la llave de contacto.
- -31: conexión a negativo o masa.
- +50: señal de circuito de arranque.
Otras consideraciones que debes tener en cuenta en el uso de los esquemas eléctricos son las siguientes:
- La alimentación positiva se representa en la parte superior del esquema y la conexión a masa en la inferior.
- Cuando dos cables que se cruzan tienen contacto eléctrico, se representa con un punto sobre su intersección.
- Los componentes (elementos de mando y relés) se representan en posición de reposo.
- Cuando en un esquema aparecen componentes con vías sin conectar es debido a que las mismas no intervienen en el sistema eléctrico que está representado en el circuito.
Los símbolos más empleados para representar componentes son los mostrados seguidamente pero, además, cada fabricante cuenta con sus propios símbolos.
7.- Seguridad.
Parece mentira que el conductor de este vehículo haya salido ileso del accidente. María y Lorenzo no se extrañan al ver el estado del vehículo, pues conocen que la seguridad que deben presentar los vehículos ante los posibles accidentes de circulación es una de las mayores líneas de investigación por parte de los fabricantes. Por otro lado Lorenzo se pregunta si este vehículo podrá repararse y cuánto costaría su reparación.
Los sistemas de seguridad contemplan tres tipos de actuaciones: preventiva, activa y pasiva.
- La seguridad preventiva es el conjunto de dispositivos y características del vehículo que facilita la conducción y crean un entorno confortable favoreciendo así la atención en las condiciones del tráfico y evitando la fatiga del conductor y pasajeros aún en trayectos largos.
- Los sistemas de seguridad activa (ABS, sistemas de tracción, etc.) tratan de evitar en lo posible que el vehículo sufra un accidente.,
- Los sistemas de seguridad pasiva tratan de que los ocupantes sufran el menor daño posible en el caso de sufrir un accidente.
Así, los sistemas de seguridad pasiva actúan cuando se produce un accidente, y son los encargados de proteger a los ocupantes del vehículo en estas circunstancias. Como veremos a continuación con más detalle, son elementos de seguridad pasiva el cinturón de seguridad y los airbag, entre otros.
Tanto en el pretensor del cinturón de seguridad como en los airbag el accionamiento de mayor efectividad por su precisión y confiabilidad es el pirotécnico, que activa el dispositivo en cuestión a través de una explosión controlada. El pretensor se dispara a través de sensores mecánicos de inercia o bien haciendo uso de los sensores del airbag. En este último caso se obtiene una óptima complementación entre el pretensor y el airbag frontal, con lo que la combinación de estos sistemas resulta tremendamente eficaz para reducir lesiones en impactos frontales.
Por otro lado, también veremos en este apartado sistemas que procuran un mayor confort y ergonomía del usuario y ocupantes del vehículo y que conducen a una seguridad preventiva que conlleva una mayor atención en las condiciones de circulación. Tales sistemas son los elevalunas eléctricos, el cierre centralizado, los retrovisores y la luneta térmica y las alarmas.
7.1.- Cinturón de seguridad.
¿Crees que las sanciones que la autoridad efectúa a aquellos conductores o acompañantes que no llevan puesto el cinturón de seguridad influyen en su uso?
El cinturón de seguridad es un elemento de seguridad obligatorio en la actualidad para todos los asientos de un automóvil. Este elemento ha demostrado su importancia en caso de accidente por choque y vuelco ya que asegura una efectiva reducción en el número de heridos y muertos.
El diseño del cinturón ha sido objeto de especial interés y su fabricación debe seguir estrictas normas de homologación que establecen su deformabilidad de acuerdo a la fuerza estática equivalente a la fuerza dinámica del choque, para que sea capaz de absorber parte de la energía cinética del cuerpo humano en el momento de la desaceleración.
El sistema de cierre es también de vital importancia para permitir la rápida liberación del usuario en caso de accidente, por lo que debe llevar hebillas de anclaje y apertura rápida. Una hebilla especial permite el enganche del cinturón, mientras el desenganche se efectúa rápidamente por sistema de palanca o pulsador instalados en la propia hebilla.
Las normas de homologación prescriben que los cinturones de seguridad deben estar construidos con dos o más cintas de tejido muy resistentes, capaces de soportar una carga de 1.500 Kg y fijados con bridas a los anclajes colocados en la carrocería.
En la actualidad está generalizado el cinturón con tres puntos de anclaje, combinado con un dispositivo automático de enrollamiento. Al desacelerar bruscamente, al circular por curvas o con un movimiento repentino del ocupante, un trinquete de parada bloquea el mecanismo de enrollamiento.
El sistema de retención con pretensor de los cinturones de los asientos delanteros es un dispositivo que, en caso de un choque frontal, compensa el alargamiento inevitable de los cinturones bajo la acción del cuerpo, manteniendo éste apoyado contra el respaldo del asiento. Así, cuando se produce un choque frontal, es indispensable que el cinturón se mantenga lo más cerca posible del cuerpo (conductor o pasajero) de forma que absorba de manera progresiva la energía cinética del cuerpo durante el choque del vehículo. El pretensor de los cinturones no se dispara en el caso de colisiones laterales o traseras o en colisiones frontales leves. Aunque se han empleado pretensores de accionamiento mecánico, la incorporación de los cinturones con pretensor pirotécnico optimiza la protección de los ocupantes del vehículo, pues el tensado del cinturón se realiza en tan sólo 10 ms. Así, en caso de colisión detona la carga pirotécnica que libera un gas que empuja un pistón hacia arriba en el interior del cilindro y tira del cable de acero que lo hace recuperar entre 10 y 15 cm, bloqueándolo posteriormente.
Aunque existen varios tipos y modelos, el más común en vehículos nuevos es el pretensor pirotécnico por medio de la hebilla del cinturón. Este pretensor es un dispositivo integrado en el elemento que ancla la hebilla y tiene una carga pirotécnica con mando eléctrico. Este mando eléctrico es asegurado por una unidad de control a través de un conector. La unidad dispara también los sistemas de airbag (conductor y pasajero). En su funcionamiento, el encendido del gas provoca una presión en el pistón y causa el desplazamiento de éste que, en su movimiento, arrastra consigo el cable de conexión, que a su vez tira de la hebilla del cinturón retráctil por medio de un sistema de guía. Una vez están los cinturones bien tensados, a causa de la inercia del cuerpo (del conductor o del pasajero), el pistón efectúa entonces un movimiento en sentido contrario y es en este preciso instante cuando entra en acción el mecanismo de bloqueo.
7.2.- Airbag.
¿Hasta qué punto ha mejorado la seguridad en los vehículos gracias al airbag? El airbag es un sistema de retención suplementario cuyo dispositivo consiste en un cojín de aire que, en caso de colisión, se infla para proteger a los ocupantes, evitando que puedan golpearse contra elementos rígidos del vehículo. Existen distintos tipos de airbag: de conductor, de acompañante, laterales, de rodilla y de techo.
Respecto a su ubicación, en el caso de los airbag frontales, el cojín de aire para el conductor va alojado en el volante de la dirección, mientras que el del lado pasajero va alojado en el tablero de a bordo, debidamente plegado. Los airbag laterales se sitúan en los paneles laterales de las puertas o bien en forma de una bolsa inflable única sujeta al asiento. El airbag de techo suele consistir en una cortina lateral a cada lado del vehículo tejida en una sola pieza y oculta bajo el forro del techo. El airbag de rodilla se encuentra bajo el salpicadero del lado del conductor. También se han desarrollado airbag frontales para asiento trasero, cuya particularidad es que está integrado a la parte central del cinturón de seguridad.
Este sistema es gobernado por una centralita electrónica dotada de sensores de deceleración calibrados adecuadamente, que detectan el choque y activan un detonador eléctrico, que a su vez provoca la reacción de un compuesto químico (pastillas de sodio) que produce gas nitrógeno. Este gas infla los cojines de fibra sintética en unas milésimas de segundo. Aproximadamente una décima de segundo después, el gas escapa por las ranuras laterales del cojín y éste se deshincha. El airbag se llena de gas en 30 ms, mientras que la fase completa de deformación dura unos 150 ms. Los airbag laterales tienen un tiempo de inflado más rápido que el frontal debido al menor espacio libre. La centralita electrónica tiene una posición única de emplazamiento en el montaje, de manera que los sensores queden debidamente situados. La centralita dispone de una memoria de averías que, en caso de anomalía del sistema, hace encenderse una luz en el cuadro de instrumentos que advierte al conductor. También dispone de una memoria de choque que registra las condiciones en que éste se produce.
La conexión eléctrica del airbag en el volante se realiza por medio de un contactor espiral, que consiste en una pieza circular con al menos dos conectores y cuatro cables (dos de entrada y dos de salida). Internamente los cables van conectados a unas pistas flexibles aisladas entre sí y arrolladas en forma de muelle espiral. La parte externa del conector espiral está fijada en rotación a la columna de dirección mientras que la parte interna del conector gira con el movimiento del volante. La forma de las pistas permite que, al girar el volante, éstas se enrollen o desenrollen (dependiendo del sentido de giro del volante) permitiendo la comunicación de la señal eléctrica hacia el detonador del airbag, sea cual sea la posición de giro.
La acida de sodio (NaN3 ), es el compuesto que se emplea generalmente en el dispositivo conocido como airbag para que en su descomposición en Na y N2 , después del impacto, se infle la bolsa rápidamente y de esta forma se minimicen las lesiones debidas al impacto. La descomposición es de la forma siguiente.
El gas N2 producido infla rápidamente la bolsa que se encuentra entre el conductor u otro ocupante y el objeto con el que se va a impactar con la cabeza y otra parte del cuerpo.
Se pide el volumen de gas N2 generado a 26 ºC y 855 mm de Hg, por la descomposición de 60 g de NaN3.
7.2.1.- Seguridad laboral y medioambiental.
El manejo inapropiado de los dispositivos pirotécnicos puede ocasionarte, como mínimo, un buen susto.
El manejo de los dispositivos pirotécnicos exige unas normas que aseguren tanto la seguridad laboral de los trabajadores como el respeto medioambiental en su desecho.
La centralita del airbag, como componente electrónico que es, deberá desecharse utilizando los contenedores destinados para tal fin.
Para la manipulación de un sistema de airbag deben tomarse unas precauciones especiales que, de no ser así, pueden ocasionar graves lesiones o provocar errores de funcionamiento del sistema. Seguidamente se exponen las normas de seguridad a seguir.
- Nunca desmontar el airbag cuando se encuentre conectado eléctricamente a la instalación. Hay que desconectar la batería, esperar al menos 10 minutos y luego desconectar el conector situado en la parte posterior del airbag. El conector del airbag es especial, y al desenchufarlo cortocircuita los dos terminales del detonador para evitar riesgo de disparo debido a una señal eléctrica externa.
- Manipular lo menos posible el airbag. Siempre que se desmonte se deben situar en una zona protegida y con la parte de salida del airbag (frontal del volante) hacia arriba, en una zona despejada de objetos y personas.
- Si se deben efectuar trabajos de soldadura cerca del airbag hay que desmontarlo y sacarlo fuera del vehículo. Si se realizan trabajos de soldadura en el exterior del vehículo desconectar la batería y esperar al menos 10 minutos antes de comenzar a soldar. Es muy recomendable en estos casos desconectar también el airbag.
- Después de manipular un airbag que haya sido disparado hay que lavarse las manos con agua y jabón en caso de no emplear guantes (siendo esto último muy recomendable). Los restos de partículas que se generan en la detonación no son tóxicos ni perjudiciales para la salud en concentraciones y tiempos de exposición reducidos, sin embargo no es conveniente permitir que estas partículas entren en contacto con nuestra piel, ojos y boca.
- Para la comprobación de los detonadores no se puede utilizar ningún aparato de medida para medir su resistencia (suele ser de unos 2 a 4 Ω) ya que existe riesgo de disparo mediante la corriente que suministra el aparato de medida. La diagnosis de los detonadores se realiza mediante eliminación de averías (como una unidad de control) o mediante el sistema de autodiagnosis de la unidad de control.
- No modificar los volantes ni las carcasas que recubren los airbag. No se pueden poner pegatinas, anagramas, tela, etc., ya que pueden reducir la eficacia del airbag e incluso producir lesiones.
- Desechar cualquier airbag que haya sufrido impactos, golpes o rozaduras importantes. No se deben utilizar estos elementos en ningún caso. Los fabricantes establecen como riesgo muy elevado de mal funcionamiento del airbag cuando éste cae al suelo desde una altura de unos 40 cm.
El generador de gas que se utiliza en los airbag es una sustancia tóxica que se transforma en un material inocuo cuando se hincha el airbag. No obstante, este gas convierte a los airbag no utilizados (en vehículos para entregar al desguace y en aquellos en los que el airbag no haya sido disparado tras un accidente importante) en un problema potencial para el medioambiente. Para estos casos existe la posibilidad y la obligación de provocar manualmente el disparo del airbag para poder desecharlo. En principio, la operación es muy sencilla, ya que simplemente se trata de aplicar tensión al detonador del airbag para que se produzca el disparo. El problema reside en que, como se ha comentado anteriormente, al desconectar el cojín los terminales del detonador se cortocircuitan por lo que es necesario el conector especial para poder efectuar la conexión eléctrica.
El circuito empleado simplemente requiere un par de cables, de al menos 10 metros cada uno, unas pinzas para conectar a la batería, un interruptor colocado en serie con las dos líneas de cable y el conector para el detonador. Y en el procedimiento a seguir, lo más importante es la colocación del airbag. Lo recomendable es que se encuentre firmemente sujeto, en una zona libre de personas en unos 10 metros de radio y sin ningún objeto o material suelto que pueda salir despedido por la onda expansiva de la explosión. Hay que advertir a las personas presentes el disparo del airbag ya que el ruido que se produce en la detonación es bastante fuerte. Si el airbag se encuentra montado en el vehículo hay que detonarlo con las puertas y ventanillas cerradas. Lo ideal en estos casos es colocarse a 10 metros de distancia por delante del vehículo ya que el airbag puede proyectar objetos en su salida y siempre lo hará hacia la parte trasera del vehículo. Una vez detonado el airbag hay que esperar al menos 15 minutos antes de acercarse al cojín para permitir su enfriamiento y disipación del gas. En caso de que el disparo no se produzca hay que dejar pasar al menos 5 minutos antes de acercarse a verificar las conexiones. Terminado este procedimiento ya se puede desechar el airbag, utilizando los contenedores destinados a tal uso.
7.3.- Alarmas.
Han sido numerosos los sistemas de alarma de seguridad que se han montado en los vehículos con objeto de evitar su robo. Los más sencillos disponían de un interruptor situado en un lugar oculto y conectado en serie con la corriente de alimentación del sistema de encendido, que impedían la puesta en marcha del motor estando desconectados. Otras veces se montaban, también ocultos, los llamados desconectadotes de batería, cuya función consistía en anular la toma de masa cuando se desconecta.
En la actualidad la protección contra los intentos de robo de los vehículos está realizada con distintos sistemas de tipo electrónico. Estos sistemas se desarrollan en varios niveles y controlan tanto el acceso al habitáculo como los intentos no autorizados de arranque del motor.
Los niveles de protección ofrecidos se pueden clasificar en los siguientes:
- Alarma perimétrica. Controla la apertura no permitida de las puertas, maletero y capó, así como los intentos de remolcado.
- Alarma volumétrica. Controla la presencia en el habitáculo de objetos en movimiento.
- Sistema de control de arranque. Controla que el arranque se realice sólo con la llave habilitada.
Además de sensores perimétricos y volumétricos, el sistema de alarma también dispone de una centralita electrónica de gestión, una centralita receptora, una sirena, un testigo luminoso y los mandos a distancia de activación y desactivación. La sirena en algunos sistemas puede integrarse en la misma centralita de gestión. Estos elementos se mantienen siempre en comunicación tanto para desempeñar las funciones de autodiagnosis como para realizar una vigilancia eficaz y lo más inviolable posible.
La sirena, separada o conjunta con la centralita, es la encargada de la señalización acústica, suele ser autoalimentada y está ubicada en un lugar de difícil acceso dentro del cofre motor. Dicha señalización acústica se combina con el encendido intermitente de pilotos.
El testigo luminoso de tipo led emite destellos de forma periódica y su función es advertir de la activación de la protección del sistema y servir de elemento disuasorio ante posibles intentos de robo.
El mando a distancia de activación y desactivación es un dispositivo de radiofrecuencia capaz de transmitir un código, a una frecuencia de 430MHz aproximadamente. Estos códigos son específicos de cada mando a distancia y varían en cada activación según un algoritmo matemático.
El control perimétrico anti-intrusión se produce, excepto para el capó del motor, aprovechando los mismos interruptores que encienden las luces de los plafones. La unidad electrónica, cuando está activada la protección, controla la señal a masa de estos interruptores. Asimismo, en algunos sistemas de alarma también se ha previsto un sistema anti-inclinación con un sensor específico que detecta el intento de levantar el vehículo para su remolcado.
7.3.1.- Alarma volumétrica.
¿Te has preguntado cómo puede activarse la alarma de un vehículo cuando éste intenta robarse mediante su remolcado?
El control de la presencia de objetos en movimiento dentro del habitáculo se produce normalmente mediante sensores de ultrasonidos. Los sensores se montan por parejas y presentan cada uno un transmisor y un receptor. La señal transmitida por un sensor es recibida por el otro y viceversa. La detección de un objeto en movimiento se produce en función de la variación del nivel de la señal recibida.
El emisor de ultrasonidos se emplaza junto al retrovisor interior, generalmente junto a la luz interior, de manera que cuando es activado, emite ondas de ultrasonidos en todas direcciones hacia el habitáculo, reflejándose en las paredes interiores para ser captadas de nuevo en un receptor que forma parte del propio emisor. Si la señal reflejada procede únicamente de objetos fijos, su frecuencia y amplitud son constantes; pero si la reflejan objetos móviles, la frecuencia y amplitud cambian activando la alarma.
Este tipo de alarmas dispone de un interruptor en el interior del habitáculo que permite activar el cierre centralizado con la activación perimétrica y desactivación de la protección volumétrica de la alarma con el objeto de que algún ocupante pueda permanecer en el interior del vehículo, con las puertas cerradas sin que se produzcan falsos disparos de la alarma.
En el siguiente esquema se puede observar como la unidad central de confort (J393) gestiona el sistema de alarma antirrobo del vehículo. Las funciones que asume la unidad central de confort son:
- La vigilancia de puertas, maletero y capó, mediante los pulsadores de apertura ubicados en los mismos.
- La vigilancia del habitáculo, a través del módulo (G303) de emisión y recepción de vigilancia del habitáculo
- La protección contra el remolcado, mediante la señal del transmisor de inclinación del vehículo (G384) que se encuentra en el interior de la unidad central de confort.
El funcionamiento del transmisor de inclinación está basado en una detección del cambio de resistencia en un líquido conductor eléctrico. El líquido empleado se dispone dentro de una carcasa cerámica en la que se ubican varios electrodos que dividen el interior de la carcasa en cámaras parciales. Cada uno de estos electrodos se conecta a una tensión entre sus extremos, de forma que circula una corriente eléctrica por ellos. En su activación, cualquier cambio en la inclinación del vehículo modifica la distribución de líquido en las cámaras y con ello la resistencia eléctrica, afectando de esta forma a la corriente circulante. Ese cambio de resistencia es detectado por la unidad electrónica y hace activar la alarma. En su inicio el sistema toma como referencia la resistencia existente en el momento en el que se activa el cierre centralizado.
7.3.2.- Sistema de control de arranque.
Te has planteado qué sucedería si se agota la pila interna que lleva la llave de un vehículo actual. ¿Arrancaría?
Para aumentar la protección contra los intentos de robo ofrecida por los sistemas de alarma como los descritos anteriormente, los vehículos han sido dotados de un sistema electrónico de bloqueo del motor, denominado inmovilizador. Este sistema, con una unidad electrónica específica, puede reconocer la llave introducida en el conmutador de arranque dialogando con un dispositivo electrónico contenido en ella y comunicarse con la centralita de control del motor para dar o no el consentimiento al arranque.
El sistema está compuesto por:
- Centralita del control de arranque y centralita de control del motor.
- Juego de llaves con dispositivo electrónico integrado.
- Antena específica en el conmutador de arranque.
Entre la centralita de control de arranque y la centralita de control del motor se produce inicialmente un reconocimiento mutuo para evitar manipulaciones que hayan provocado la sustitución de una de las dos centralitas. Seguidamente la centralita de control del motor solicita un código a la centralita de control de arranque, obteniendo este código a través del diálogo con la llave de contacto. Cuando el código es correcto, la centralita de control del motor inicia el procedimiento de arranque del motor.
Uno de los componentes esenciales del sistema de control de arranque es la llave electrónica de contacto. La forma exterior de la llave es totalmente parecida a la tradicional pero en su interior lleva un dispositivo electrónico de comunicación llamado transpondedor.
El transpondedor no dispone de una alimentación propia y, por lo tanto, necesita una fuente de energía exterior. Esta fuente de energía está realizada con un acoplamiento inductivo a través del conmutador de arranque. En la práctica, con un devanado alrededor del conmutador y alimentándolo con una corriente alterna se induce una corriente en el dispositivo colocado dentro de la llave. De esta manera el dispositivo alimentado puede responder a las preguntas de la unidad electrónica.
La antena que se comunica con el transpondedor está compuesta por el mismo devanado y suministra energía al dispositivo. Por lo tanto, mediante este devanado se produce el intercambio de datos y de códigos. La posición coaxial de la antena con el conmutador de arranque está determinada por las imposiciones sobre la compatibilidad electromagnética y por la necesaria cercanía al transpondedor debido a su limitado campo de acción.
7.4.- Elevalunas eléctricos.
En la actualidad el equipamiento de elevalunas eléctricos es casi generalizado, disponiéndose un elemento de mando para accionar cada ventana en la puerta de la misma. Igualmente el conductor dispone de la posibilidad de accionar los cuatro elevalunas en su puerta o en la consola intermedia y poder bloquear los elementos de mando de las puertas traseras como medida de seguridad infantil.
Actualmente los elevalunas eléctricos funcionan con cables tirantes, de manera que un motor eléctrico impulsa un tambor con el cable con la ayuda de un tornillo sin fin. En el tambor los dos extremos del cable de acero están diseñados para que con el giro un extremo se enrolle y el otro se desenrolle.
En la siguiente figura puedes observar un esquema eléctrico de alimentación de un motor de elevalunas en el que los dos sentidos de giro se consiguen con un doble conmutador que cambia la polaridad de la alimentación.
El antipinzamiento es un sistema de seguridad que evita daños en objetos o personas si estos son atrapados cuando se cierra la ventana. Los elevalunas eléctricos más complejos y confortables con función de cierre automático y de un solo toque requieren un sistema antipinzamiento en el que cuando el momento de propulsión para cerrar la ventana supera un valor límite dependiente de la posición de la ventana, entonces se invierte la dirección de movimiento de la ventana para liberar el objeto pinzado. El sistema de antipinzamiento debe de diferenciar con ayuda de la posición de la ventana si se trata de un objeto externo o si se ha alcanzado el límite en el que se encuentra el aislamiento de goma. Normalmente se implementa la función antipinzamiento con electrónica del motor, dado que se puede averiguar la posición de la ventana en el eje del motor de forma sencilla con la ayuda de un sensor Hall.
Los elevalunas eléctricos con sistema antipinzamiento necesitan ser reiniciados cuando el vehículo queda sin alimentación eléctrica (por ejemplo, al sustituir la batería) con objeto de reconocer su posición. Para ello cada elevalunas debe accionarse en una y otra dirección y mantenerse accionado el pulsador durante unos segundos cuando el cristal haya llegado hasta sus posiciones extremas (la más baja y la más alta).
Los sistemas de techo corredizo son similares a los de elevalunas eléctricos.
7.5.- Cierre centralizado.
El cierre centralizado es la denominación que recibe el proceso de cerrar o abrir todas las puertas de un vehículo de forma eléctrica y sincronizada. En ese sentido, permite el cierre o apertura de todas las cerraduras, incluida la del maletero. El proceso por lo general está vinculado con los sistemas de alarma en la mayoría de los vehículos.
El mecanismo de funcionamiento antiguo consistía en el accionamiento neumático o electromagnético de los pestillos. En la actualidad, cada vez que el cierre centralizado es accionado, pequeños motores eléctricos reversibles accionan los pestillos de las puertas del vehículo y permiten que ésta no pueda ser abierta desde fuera. El funcionamiento del cierre centralizado esta basado en pequeños motores de inducción magnética incluidos en cada puerta, los mismos que abren las cerraduras o accionan las palanquitas de cierre. El accionamiento del cierre centralizado puede realizarse desde varios puntos: en la cerradura de la puerta del conductor y también en la puerta del copiloto (en la actualidad se impone la presencia de una sola cerradura en la puerta del conductor), en el propio salpicadero o en el interior de la puerta mediante un interruptor destinado a tal fin o a través de una señal de radiofrecuencia emitida por un mando a distancia integrado en la llave del vehículo, capaz de transmitir un código, a una frecuencia de 430 MHz aproximadamente. Estos códigos son específicos de cada mando a distancia y varían en cada activación según un algoritmo matemático (es la misma señal que activa y desactiva el sistema de alarma en caso de que el vehículo disponga de ella).
Actualmente la información de cierre se transmite mediante un bus de datos de una red multiplexada. Las órdenes circulan por un cableado compartido por todo el equipamiento de confort (ventanillas, cierre, asientos con regulación eléctrica, climatización,…) en vez de un cable que va de un interruptor al dispositivo a manejar. Este sistema ahorra mucho cableado y permite mayor flexibilidad en la ubicación de los elementos de mando y dispositivos. Además permite opciones destacadas como accionar los elevalunas eléctricos (subida y bajada) cuando se activa o desactiva el cierre centralizado o accionar el cierre o apertura cuando el vehículo inicia o cesa la marcha.
En caso de disponer de la función de enclavamiento de las cerraduras con el inicio de la marcha (como medida antirrobo durante la circulación), se impone un contactor de inercia como dispositivo de seguridad que desenclava las puertas en caso de colisión si la velocidad es superior a 15 km/h.
7.6.- Retrovisores eléctricos.
En los vehículos equipados con retrovisores exteriores eléctricos suele ser común que dispongan de una unidad de control a través de la cual se comandan las siguientes funciones.
- Ajuste eléctrico de su orientación en los ejes vertical y horizontal para proceder a su adecuada orientación. También suele disponerse de una función de ayuda al aparcamiento, de forma que el espejo del lado del acompañante se regula automáticamente durante la maniobra de aparcamiento para ofrecer una mayor visibilidad de los bordillos.
- Plegado eléctrico (posición parking) mediante un motor dispuesto en cada espejo exterior que por cambio de polaridad permite el plegado y desplegado de estos. Ello conlleva una seguridad adicional para los peatones que se ven menos expuestos a recibir un golpe cuando el vehículo está estacionado. Suelen disponerse un mecanismo de desenclavamiento del motor para que, ante un eventual impacto, no se produzca la rotura del dispositivo motorizado.
- Función térmica a través de una resistencia adherida a la parte posterior del retrovisor que permite el calentamiento y desempañado del espejo en condiciones de baja temperatura exterior. Esta resistencia puede ser comandada por el propio mando de regulación, a través de una posición específica para ello, en la que la calefacción de los retrovisores exteriores se enciende y funciona sólo si la temperatura ambiente es baja (inferior a 20 ºC). En otros casos, la función térmica se activa conjuntamente con la luneta térmica al seleccionar ésta.
- Efecto antideslumbrante automático o fotosensible, para lo que los espejos disponen en su interior de dos revestimientos conductores entre los que se intercala un electrolito cuya polarización, cuando recibe alimentación eléctrica, provoca el oscurecimiento de su fondo. El retrovisor exterior antideslumbrante automático en el lado del conductor se controla junto con el retrovisor interior. En este último puede disponerse un interruptor para poder activar y desactivar dicha función a voluntad del conductor. El retrovisor dispone de dos sensores de luz ambiental, uno a cada lado, de forma que la función se activará automáticamente cuando el sensor orientado al exterior detecta oscuridad (condiciones nocturnas) y el sensor orientado al interior del habitáculo detecta claridad (el alumbrado del vehículo que circula por detrás).
Por otro lado, este enlace te permitirá conocer una visión de futuro de las funcionalidades el espejo retrovisor.
7.7.- Luneta térmica.
En la luneta trasera puedes ver una serigrafía que corresponde a la luneta térmica, pero algunas veces también corresponde a la antena de la radio.
La luna trasera de un automóvil pierde visibilidad al depositarse sobre ella la lluvia, nieve o hielo. Para facilitar la visibilidad se instala en la luna trasera una resistencia eléctrica que, al calentarse, elimina por evaporación los elementos atmosféricos indicados.
El desempañado de la luneta trasera, dada su lejanía, no puede lograrse mediante la corriente de aire caliente canalizada por el sistema de calefacción del vehículo, por cuya causa se recurre a un sistema propio de caldeo que consiste en disponer un hilo conductor sobre la luneta trasera, que la recorre y por el que se hace pasar la corriente eléctrica.
El circuito de la luneta se encuentra constituido, tal y como puedes observar en la siguiente figura, por el interruptor de mando (3), el fusible de protección del circuito (4), el relé de alimentación del circuito (2), la lámpara testigo de funcionamiento (5) y la propia luneta térmica (1).
En los vehículos actuales el relé dispone de un temporizador en su interior que permite la desconexión automática del sistema tras un determinado tiempo en funcionamiento (unos 20 minutos) para evitar olvidos en su desconexión o su funcionamiento innecesario.
Como ya hemos citado en el anterior apartado, en algunos vehículos, el interruptor que comanda la luneta térmica es también el elemento de activación de los retrovisores con función de desempañado.
8.- Mapas conceptuales sobre seguridad.
Lorenzo levanta el capó de un vehículo para efectuar una comprobación rutinaria del nivel de aceite en el cárter y observa con atención un adhesivo con el símbolo de peligro eléctrico en la parte superior de cada faro. Recuerda que en clase el profesor del módulo de Sistemas Eléctricos y de Seguridad y Confortabilidad explicaba los riesgos eléctricos asociados a los trabajos de reparación y mantenimiento eléctrico en el vehículo.
La seguridad laboral es imprescindible en el puesto de trabajo.
En esta imagen puedes ver un mapa conceptual sobre la eliminación de riesgos.
Y en la siguiente imagen puedes ver el mapa conceptual sobre las consideraciones, peligros y forma correcta de uso de los equipos de trabajo en automoción.
Por último, en esta última imagen se muestra un mapa conceptual acerca de los peligros, causas y soluciones de aquellos en el uso de herramientas manuales en el taller.
9.- Realización y cálculo de instalaciones de nuevos equipos.
María y Lorenzo van a iniciar la tarea de instalar unos faros de largo alcance en un vehículo antiguo. Para ello deberán definir la sección del cable a emplear, el calibre del fusible de protección del circuito y el tipo de relé que emplearán. Y deberán acometer la instalación de forma que el funcionamiento de estos faros esté en consonancia con el resto del alumbrado del vehículo (encendido exclusivo de los mismos con el alumbrado de carretera).
La realización de instalaciones de nuevos equipos pasa por efectuar una serie de cálculos que permitan determinar la sección del cable necesaria, el calibre del fusible de protección del circuito y las características del relé a emplear. La longitud de los conductores viene impuesta por el emplazamiento de los aparatos eléctricos que interconexionan.
Como ya viste en la unidad de trabajo anterior, los conductores eléctricos empleados en los vehículos deben poseer cualidades mecánicas que les permitan resistir los esfuerzos de torsión o de tracción y las vibraciones a que están sometidos en el vehículo. Es por ello que el alma de los mismos está formada por un conjunto de hilos de cobre, generalmente de un diámetro inferior a una décima de milímetro y disponen de un aislamiento que suele ser de plástico (PVC que es autoextinguible).
El fusible es un elemento de seguridad que protege el circuito cuando aumenta la intensidad de forma excesiva, bien por un exceso de consumo o bien por un cortocircuito. Estas causas hacen que los conductores se calienten excesivamente con el consecuente riesgo de combustión de sus fundas y el correspondiente peligro de incendio.
Cuando la intensidad es muy elevada el fusible no puede resistir el calor producido y se funde. Esta propiedad se utiliza para interrumpir la corriente de manera automática en los circuitos. De esta manera el circuito queda interrumpido o abierto cuando la corriente que pasa por el fusible rebasa un valor determinado, denominándose a este valor calibre del fusible.
Por otro lado, en aquellos circuitos que alimentan receptores con elevada intensidad se hace común el empleo de relés, los cuales evitan el deterioro de los contactos del interruptor del circuito, ya que éste sólo controla la corriente de mando (la de alimentación de la bobina del relé) mientras que la corriente de alimentación del receptor circula a través de los contactos móviles del relé.
9.1.- Cálculo de conductores.
Si el conductor empleado no es el adecuado, los faros no lucirán correctamente.
En los conductores de los circuitos eléctricos se producen caídas de tensión, puesto que presentan cierta resistencia al paso de la corriente eléctrica. Como la caída de tensión es proporcional a la resistencia y a la intensidad de corriente que circule, en los circuitos deberán utilizarse conductores de poca resistencia, para evitar en lo posible las caídas de tensión, que en este caso son perjudiciales para el buen funcionamiento de los receptores.
Sabemos que la resistencia eléctrica de un conductor es directamente proporcional a su longitud y su resistividad e inversamente proporcional a su sección; por tanto, deberán emplearse conductores lo más cortos posible y de materiales apropiados, como el cobre, para que su resistividad sea baja; además, la sección debe ser suficiente.
En general se tolera una resistencia en el cable correspondiente a una caída de tensión en el mismo del 2,5% del valor de la tensión de la instalación, aunque este porcentaje puede aumentar hasta el 5% en cables de alimentación de motores. Como ya viste en la anterior unidad de trabajo, este valor de resistencia determina la sección del conductor.
En cuanto a la resistividad, ésta es dependiente de la temperatura, de forma que aumenta con la misma. Tomando como referencia la correspondiente a una temperatura de 0 ºC (0,0175 Ω·mm2·m-1), puede calcularse su valor a otra temperatura cualquiera. Es frecuente trabajar con un valor de resistividad superior al correspondiente a cero grados, pudiéndose tomar un valor de 0,0200 Ω·mm2·m-1 para cálculos habituales, el correspondiente a una temperatura ambiente aproximada de 40 ºC.
9.2.- Cálculo de fusibles y relés.
Los fusibles para nuevas instalaciones se calculan para que se fundan a una intensidad superior a la intensidad circulante por el circuito. Esta intensidad se calcula a partir de la fórmula de la potencia eléctrica (en vatios), conocida la potencia absorbida por el receptor y la tensión a la que éste se alimenta.
Las características eléctricas del relé a emplear son la tensión de funcionamiento (generalmente 12 V) y la intensidad máxima que permiten sus contactos, para que no se produzca una degradación prematura de éstos. Con carácter general se puede establecer como intensidad máxima la misma que la empleada para la determinación del calibre del fusible.
En cuanto al conexionado del relé, se pueden emplear relés con doble salida de potencia simultánea (dos bornes 87) cuando la nueva instalación disponga de dos receptores (por ejemplo, unos faros antiniebla) o con una salida de potencia cuando el relé está excitado y otra cuando no lo está (salidas 87 y 87a respectivamente). En paralelo con la bobina de relé suele montarse una lámpara testigo que señaliza el funcionamiento del nuevo equipo. Asimismo, también puede emplearse un relé de enclavamiento cuando el accionamiento del circuito se realice mediante un pulsador.
9.3.- Normativa aplicable.
Si no quieres tener problemas con la autoridad deberás conocer la normativa aplicable vigente sobre las reformas en vehículos.
La instalación de nuevos equipos en los vehículos supone una modificación en los mismos que debe efectuarse de forma que se garantice que, tras la instalación de un nuevo equipo, el vehículo siga cumpliendo los requisitos técnicos exigidos para su circulación.
A través de la Comisión Económica para Europa de las Naciones Unidas se elaboran y armonizan convenios, reglamentos, normas y estándares relacionados con los requisitos técnicos sobre vehículos.
La regulación del procedimiento para la realización y tramitación de las reformas efectuadas en vehículos después de su matriculación definitiva en España con el fin de garantizar que tras la reforma se siguen cumpliendo los requisitos técnicos exigidos para su circulación viene dado por el Real Decreto 866/2010.
Este Real Decreto 866/2010, por el que se regula la tramitación de las reformas de vehículos, tiene como objeto unificar criterios de la legislación española en la materia y la emitida por la Unión Europea. De esta forma, el citado Real Decreto mantiene la coherencia entre la normativa europea de homologación de vehículos y la nacional sobre las reformas de los mismos.
Asimismo, establece la documentación que se debe presentar ante los órganos de la administración competentes en materia de inspección técnica de vehículos. La tramitación y los requisitos específicos exigibles serán los contenidos en el manual de reformas de vehículos.
10.- Circuitos eléctricos auxiliares.
A la salida del taller, María y Lorenzo quedan con unos amigos para tomar algo. Uno de los amigos, conociendo lo experta que es, le comenta a María sobre una anomalía producida en su vehículo, consistente en que al cambiarle los pilotos traseros de lámparas incandescentes convencionales por otros pilotos nuevos mediante diodos led, ha aparecido encendido el testigo de avería del sistema ABS del vehículo. A ello le responde María que le resulta normal pues el conjunto de circuitos eléctricos auxiliares de los vehículos actuales disponen de una gestión electrónica y, en el caso de esta avería, ella supone que el control electrónico de lámparas ha detectado un escaso consumo, que ha identificado con lámparas fundidas y el sistema ABS se ha desconectado para evitar frenadas de emergencia sin su correspondiente señalización a los conductores que circulan detrás del vehículo. Lo mejor será que ese amigo pase por un taller para que le codifiquen correctamente el módulo de la central eléctrica que controla, entre otros, el sistema de alumbrado de su vehículo
La industria automovilística evoluciona de una forma extremadamente rápida, aplicando nuevas tecnologías e incorporando mecanismos cada vez más sofisticados. La electrónica está cada vez más presente en el automóvil en forma de unidades de control que incorporan procesadores. Dichas unidades reciben información de los sensores y captadores del vehículo, la procesan según unos parámetros introducidos previamente y la envían a los diferentes actuadores.
En la actualidad los circuitos de alumbrado, de maniobras, de señalización y de control se encuentran gobernados por unidades de control y emplean componentes que optimizan y permiten alcanzar una mayor precisión y fiabilidad en su funcionamiento. Asimismo, el correcto funcionamiento de estos sistemas implica una mayor seguridad activa del vehículo (mejores alumbrados, mayor y más precisa información en el cuadro de control, etc.).
Seguidamente conocerás las características, tipología, particularidades, componentes y funcionamiento de los circuitos de alumbrado, circuitos de control y circuitos de maniobras y señalización.
10.1.- Circuitos de alumbrado.
¿Te has fijado en la cantidad de faros y pilotos que puede llevar un vehículo?
Para que un vehículo pueda circular en condiciones nocturnas, de baja visibilidad o cuando así lo indique la señalización (por ejemplo en túneles o vías reversibles) es necesario iluminar la calzada. Asimismo, también es necesario que los demás usuarios de la vía puedan ver al vehículo. Por esto resulta imprescindible disponer en los vehículos un conjunto de alumbrados que permitan ver y ser vistos.
De acuerdo con el Código de la circulación, los vehículos han de estar provistos de los siguientes circuitos de alumbrado:
- Alumbrado de posición.
- Luz de placa.
- Alumbrado de cruce.
- Alumbrado de carretera.
También existen otros alumbrados que añaden un extra en seguridad preventiva y un mayor confort en la conducción: faros antiniebla, faros de luz diurna y el alumbrado interior del vehículo.
El empleo de la electrónica en la iluminación del vehículo ha traído en los últimos años avances sorprendentes que se traducen en una mayor seguridad y confort durante la conducción. La incorporación de diferentes sensores en el circuito de alumbrado ha permitido obtener una iluminación más dinámica y adaptada a cada instante de la conducción. Todos estos cambios requieren un conocimiento en profundidad de tales sistemas y su funcionamiento.
Resulta de gran importancia la comprobación de estos circuitos para detectar posibles averías. Así, las comprobaciones más usuales son la medida de caída de tensión en el circuito positivo (entre borne positivo de la lámpara correspondiente y el borne positivo de la batería), cuyo valor no debe ser superior a 0,5 V, y en el circuito de masa (entre masa de la lámpara y borne negativo de la batería), donde el valor debe ser 0 V). Cuando no es posible acceder a los bornes de la batería por lejanía, puede medirse la corriente circulante y compararla con el valor teórico de acuerdo con la potencia de la lámpara o lámparas dispuestas en el circuito. Todas estas comprobaciones sirven para detectar una resistencia por contacto en algún punto del circuito que produzca una caída de tensión en el mismo y consecuentemente, una disminución del alumbrado.
10.1.1.- Luces de posición y placa.
La función de las luces de posición es la de garantizar que el vehículo sea visto por los demás usuarios de la vía. Según la normativa vigente, las luces de posición son obligatorias en número de dos, de color blanco delanteras, dos de color rojo traseras y dos laterales en vehículos con longitud superior a seis metros. La colocación de las luces de posición viene determinada por su función de delimitar el perímetro del vehículo para alertar a los otros usuarios de la vía de la presencia y dimensiones del vehículo.
Mientras que las luces de posición delanteras suelen estar dispuestas en el conjunto del faro, las luces de posición traseras se integran en los pilotos traseros, los cuales agrupan el resto de las luces posteriores (freno, intermitente, marcha atrás y antiniebla). Además, en combinación con los pilotos traseros se disponen otros sobre o bajo la placa de matrícula para la iluminación de ésta, generalmente en número de dos, de forma que permita su legibilidad a una distancia mínima de 20 metros estando detenido el vehículo.
Los alumbrados de cruce, carretera y antiniebla delantero y trasero se encienden acompañados de las luces de posición.
El circuito de las luces de posición suele estar dividido en dos: uno para el lado izquierdo del vehículo y otro para el derecho, ambos simétricos, alimentados por el mismo terminal del mando de luces y protegido por un fusible cada uno de ellos. De esta forma se asegura que una avería existente en el circuito de uno de los pilotos no provoque una pérdida de iluminación de todos los pilotos.
A continuación se presenta el esquema de las luces de posición de un vehículo y su leyenda. Puedes observar en el mismo características tales como la separación del alumbrado en dos circuitos, uno para el lado izquierdo y otro para el derecho, ambos con un fusible de protección. El esquema también muestra la alimentación del circuito directamente desde el borne positivo directo para poder emplear las mismas luces como alumbrado de estacionamiento (cuando el vehículo está estacionado en una vía con baja iluminación).
La luz de gálibo se acciona con el alumbrado de posición y es la destinada a señalizar la anchura total en determinados vehículos. Será de color blanco en la parte delantera del vehículo y rojo en la parte posterior. La llevarán instalada los vehículos de más de 2,10 metros de anchura, lo más cerca posible del borde exterior más elevado del vehículo. Su instalación será opcional en vehículos con una anchura de entre 1,80 y 2,10 metros.
10.1.2.- Alumbrado de cruce.
Su finalidad es alumbrar la vía de noche por delante del vehículo, sin deslumbrar ni molestar a los conductores que vengan en sentido contrario, ni a los demás usuarios de la vía.
Todo vehículo de motor y ciclomotor que circule entre el ocaso y la salida del sol por vías urbanas o interurbanas suficientemente iluminadas o a cualquier hora del día por túneles y demás tramos de vías afectados por la señal túnel suficientemente iluminados, llevará encendido, además del alumbrado de posición, el alumbrado de corto alcance o de cruce. Igualmente, llevará encendido dicho alumbrado en las poblaciones, cuando la vía esté insuficientemente iluminada. También se utilizará el alumbrado de cruce al circular, cuando concurran algunas de las siguientes circunstancias:
- Cuando no se disponga del alumbrado de largo alcance.
- Cuando se circule a velocidad no superior a 40 km/h y no se esté utilizando el alumbrado de largo alcance.
- Cuando exista la posibilidad de producir deslumbramiento a otros usuarios de la vía.
- Cuando se circule por cualquier tipo de vías y en circunstancias en que la visibilidad sea sensiblemente menor que la normal como en caso de niebla, lluvia intensa, nevada, nubes de humo o de polvo o cualquier otra circunstancia análoga también se utilizará el alumbrado de corto alcance.
La conmutación entre luces de cruce y de carretera puede ser de dos tipos:
- Al activar el alumbrado de carretera permanece encendido el de cruce.
- Al activar el alumbrado de carretera se apaga el de cruce.
La primera opción es más adecuada, pues estudios realizados demuestran que esta disposición favorece una conducción más confortable en condiciones nocturnas, ya que conlleva una menor variación en la intensidad luminosa y, por tanto, menor fatiga ocular en el conductor.
Al igual que sucede con las luces de posición y por el mismo motivo, el circuito de las luces de cruce suele estar dividido en dos: uno para el lado izquierdo del vehículo y otro para el derecho, cada uno de ellos protegido por un fusible.
Los vehículos pueden disponer de encendido automático de luces. En este caso disponen en el mando de luces de dos opciones de activación del alumbrado: manual y automático. La opción de conexionado automático de luces consiste en que el vehículo conecta y desconecta las luces de cruce en función de la cantidad de luz detectada en el exterior. El circuito básico de un encendido de luces automático dispone de una LDR y un circuito electrónico, pues como ya sabes, la LDR no es suficiente ya que disminuye su resistencia con la luz.
Otro sistema asociado a las luces de cruce del vehículo es el sistema dinámico de luz en curva. En este caso el proyector es movido dentro del faro por un motor eléctrico mientras se circula por una curva. De esta forma ambos faros siguen el recorrido de la curva, realizando giros diferentes cada uno de ellos según el lado en el que se realiza el giro. El margen de giro es de unos 15 grados, lo que implica radios de giro de hasta 200 metros. La unidad de control utiliza la información del sensor de giro del volante y la de velocidad del vehículo.
10.1.3.- Alumbrado de carretera.
La misión de la luz de carretera es alumbrar en momentos de máxima oscuridad, pero siempre con condiciones meteorológicas favorables y sin la presencia de otros usuarios en la vía a los que poder deslumbrar. La intensidad luminosa máxima permitida es de 225.000 candelas y el alcance mínimo de 100 metros.
Todo vehículo equipado con luz de largo alcance o carretera que circule a más de 40 km/h, entre el ocaso y la salida del sol, fuera de poblado, por vías insuficientemente iluminadas o cualquier hora del día por túneles, pasos inferiores y tramos de vía afectados por la señal túnel insuficientemente iluminados, llevará encendida la luz de largo alcance excepto cuando haya que utilizarse la de corto alcance o de cruce, especialmente para evitar deslumbramientos. La luz de largo alcance o de carretera podrá utilizarse aisladamente o con la de corto alcance.
Se prohíbe la utilización de la luz de largo alcance siempre que el vehículo se encuentre parado o estacionado, así como el empleo alternativo, en forma de destellos de la luz de largo alcance y de la luz de corto alcance, con finalidades distintas a las previstas en el reglamento.
El alumbrado de largo alcance deberá ser sustituido por el de corto alcance tan pronto como se aprecie la posibilidad de producir deslumbramiento a otros usuarios de la misma vía o de cualquier otra vía de comunicación y muy especialmente a los conductores de vehículos que circulen en sentido contrario y aunque éstos no cumplan esta prescripción, no restableciendo el alumbrado de carretera hasta rebasar, en el cruce, la posición del vehículo cruzado. La misma precaución se guardará respecto a los vehículos que circulen en el mismo sentido y cuyos conductores puedan ser deslumbrados por el espejo retrovisor. En caso de deslumbramiento el conductor que lo sufra reducirá la velocidad lo necesario, incluso hasta la detención total, para evitar el alcance de vehículos o peatones que circulen en el mismo sentido.
A continuación se presenta el esquema de las luces de cruce y carretera de un vehículo y su leyenda. Puedes observar la división del sistema en dos circuitos simétricos, protegidos cada uno por un fusible y el accionamiento mediante relés para proteger el mando de luces.
Para aumentar la seguridad, en algunos vehículos se dispone de forma opcional de un control electrónico para el alumbrado de carretera, denominado asistente de luz de carretera. Este sistema valora las condiciones de conducción y, si es necesario, apaga y enciende automáticamente las luces de carretera del vehículo. Cuando se activa el sistema, un sensor (del tipo LDR) de imagen montado en el interior del retrovisor delantero comprueba el tráfico y las condiciones luminosas. A partir de las imágenes resultantes, el asistente decide si son necesarias las luces de carretera. Con el tráfico de frente, cuando conduce detrás de otro vehículo o si la luz ambiental es suficiente, el asistente de luz de carretera apaga ésta.
Algunos vehículos también pueden disponer de forma electrónica o mediante un circuito eléctrico especial de un sistema que impida la simultaneidad de los alumbrados de carretera y antiniebla delantero, ya el uso de ambos alumbrados es incompatible de acuerdo con la normativa vigente.
10.1.4.- Faros antiniebla.
La misión de los faros antiniebla delanteros es producir un alumbrado más bajo y cercano que el de la luz de cruce. Se montan uno a cada lado del vehículo, en su parte delantera, generalmente incrustados en el paragolpes o bien formando un conjunto con los propios faros.
La instalación de la luz antiniebla delantera en el vehículo, y su uso es opcional. Se podrá utilizará cuando existan condiciones meteorológicas o ambientales que disminuyan sensiblemente la visibilidad, como en caso de niebla, lluvia intensa, nevada, nubes de humo o de polvo o cualquier otra circunstancia análoga. También se permite su uso en tramos de vías estrechas con muchas curvas, entendiéndose por tales las que teniendo una calzada de 6 metros y 50 cm de anchura o inferior, estén señalizadas con señales que indiquen una sucesión de curvas próximas entre sí.
La luz antiniebla delantera puede utilizarse aislada o simultáneamente con la de cruce. En todo caso se utilizará siempre conjuntamente con las de posición.
En algunos vehículos se dispone la instalación de los antiniebla delanteros de forma que se apaguen al activar las luces de carretera.
Asociados a los faros antiniebla puede existir el sistema de luces de curvas estático. En este caso, cuando se circula por una curva a una determinada velocidad se enciende el faro antiniebla del lado del giro, para que, una vez terminado el giro, se va atenuando la luz del citado faro hasta apagarse.
La luz antiniebla trasera se puede disponer en los dos pilotos traseros, o sólo en el izquierdo o como un piloto independiente.
Por contra a la luz antiniebla delantera, la instalación de la luz antiniebla trasera en el vehículo y su uso es obligatoria. Solamente deberá llevarse encendida cuando las condiciones meteorológicas o ambientales sean especialmente desfavorables, como en caso de niebla espesa, lluvia muy intensa, fuerte nevada o nubes densas de polvo o humo.
Un indicador de color amarillo auto, no intermitente, visible en el salpicadero indicará su accionamiento.
Esta luz antiniebla trasera se utilizará conjuntamente con el alumbrado de posición y, además, el alumbrado de cruce o el delantero de niebla y se podrá apagar de forma independiente del resto de sistemas de alumbrado.
Estudiando el esquema eléctrico de las luces de cruce y carretera anteriormente expuesto y su leyenda, responde a las siguientes preguntas:
- ¿Dispone el vehículo de testigo de luces de cruce?
- ¿Muestra el testigo del cuadro si se funde una lámpara?
- Enumera posibles causas de avería si no enciende ningún faro ni en cruce ni en carretera.
- Enumera posibles causas de avería si exclusivamente no enciende ningún faro de carretera.
- ¿Funcionan las luces de carretera sin la llave de contacto?
10.1.5.- Faros de luz diurna.
¿Sabías que las luces diurnas son un sistema de seguridad activa muy eficaz?
Las luces de conducción diurna hacen referencia al sistema de iluminación de los vehículos utilizado durante la circulación por el día con el objetivo de aumentar la visibilidad del automóvil y, con ello, la seguridad del resto de conductores y peatones. Su empleo está basado en que el ojo humano percibe mejor el movimiento de una luz que el de un objeto.
Las luces de conducción diurna se encienden automáticamente al arrancar el motor, evitando dejarse las luces encendidas por olvido y no pudiendo ser apagadas si el motor está arrancado. Cada faro de luz diurna recibe alimentación desde el borne +15 para detectar la conexión de la llave de contacto. De esta forma las lámparas se encienden al conectar el encendido del vehículo.
Para que las luces diurnas se activen sólo cuando la iluminación del vehículo está apagada, además de la señal del terminal +15 también reciben señal de las luces de posición, de forma que las luces diurnas se apagarán automáticamente cuando se activen las luces de cruce.
El alumbrado del vehículo para conducción diurna presenta tres opciones diferentes:
- La utilización de las luces cortas del vehículo desde el mismo momento en que se arranque del motor. Desde el punto de vista de la eficiencia energética, esta opción no es la más eficiente, puesto que este tipo de luces está orientado hacia el suelo y su propósito inicial es ver la zona situada por delante del vehículo, más que el de ser visto, por lo que la intensidad de luz necesaria para resultar suficientemente visible es mayor que si estuvieran colocadas paralelamente a la carretera.
- El empleo de las luces largas pero regulando su voltaje para disminuir su intensidad y así evitar deslumbramientos. Frente a la opción anterior, ésta permitiría optimizar algo más la duración de las bombillas, ya que este tipo de luz es el que menos se utiliza en el automóvil, frente a un uso intensivo de las luces cortas (tanto de día, como de noche) que haría necesarios frecuentes cambios de bombillas por su mayor desgaste.
- Luces específicas con un patrón determinado de luz e intensidad, que se traduce en un consumo mínima de energía, por tanto, de combustible.
Las luces diurnas deben cumplir con la normativa ECE R 87 que regula las luces diurnas y su instalación debe seguir la normativa denominada ECE R 48 que especifica cómo han de ponerse estas luces:
- Altura máxima desde el suelo: 1.500 mm.
- Altura mínima desde el suelo: 250 mm.
- Distancia máxima desde el lateral: 400 mm.
- Separación mínima entre plafones: 600 mm.
10.1.6.- Alumbrado interior del vehículo.
La iluminación interior del vehículo se realiza mediante plafones situados entre las puertas delanteras y traseras en la unión al techo, o en el centro del mismo en la zona delantera y trasera. El encendido y apagado está comandado por pulsadores normalmente cerrados que son accionados al abrir las puertas, aunque también puede conseguirse por medio de interruptores incorporados en los mismos plafones.
El circuito del alumbrado interior presenta la particularidad de que los pulsadores están situados después de las lámparas en lugar de antes, como es lo habitual. En estos casos la lámpara dispone de forma permanente de conexión positiva, abriendo o cerrando el circuito el pulsador mediante la conexión de la lámpara a masa.
También se dispone en los vehículos un sistema de alumbrado del cofre motor, del maletero y de la guantera, cuya instalación eléctrica es similar a la del alumbrado de plafones. La toma de corriente se puede realizar en estos casos a través del mando de luces, de forma que sólo se consiga esa iluminación cuando esté conectado el sistema de alumbrado.
A continuación se presenta un esquema de la iluminación interior del vehículo y su leyenda. Puedes observar como los pulsadores de las puertas cierran a masa el circuito y su alimentación directa desde positivo. Además, el módulo de temporización (A38) permite que permanezca encendida un pequeño tiempo la luz interior tras cerrar la puerta.
10.2.- Circuitos de control.
¡Qué cantidad de testigos luminosos puedes ver en la imagen del cuadro! Cada uno tiene una función de control muy concreta.
Para que el conductor del vehículo tenga en todo momento una información precisa del funcionamiento de los diversos sistemas mecánicos, eléctricos y electrónicos del mismo, se dispone en el cuadro de instrumentos una serie de indicadores que indican el estado de los diferentes sistemas, detectando las posibles averías en los mismos y avisando al conductor de las anomalías que se presenten en la marcha, evitando que las averías alcancen proporciones elevadas y un coste de reparación excesivo.
En la actualidad los cuadros de instrumentos van equipados con una centralita electrónica que recibe información de diversos sensores del vehículo, normalmente a través de redes de comunicación multiplexadas desde otras centralitas. La centralita del cuadro gestiona dicha información y envía al conductor el mensaje correspondiente mediante testigos que se iluminan, agujas sobre una escala o mensajes en un display.
Cada circuito de control puede descomponerse en dos elementos:
- En el cuadro de instrumentos: dispositivo de presentación de la información (indicador de aguja, indicador luminoso, display o avisador acústico)
- En el lugar de medida: sensor que capta la señal de medida y la envía al cuadro de instrumentos para ser mostrada al conductor.
Aunque existen cuadros de instrumentos que proporcionan más información que otros, los indicadores de aguja más habituales son: velocímetro, indicador de temperatura del refrigerante del motor, cuentarrevoluciones, presión del aceite e indicador de combustible. Y los más comunes como indicadores luminosos son: carga de batería, luz de carretera, presión de aceite insuficiente, luz antiniebla, intermitencias, nivel de líquidos de frenos insuficiente y freno de mano puesto.
Además, algunos cuadros de instrumentos van equipados con ordenador de a bordo u ordenador de viaje, que ofrece una información más detallada a través de uno o varios displays. A través de este ordenador el conductor recibe información con precisión del consumo de combustible instantáneo y medio, velocidad media, tiempo de viaje, autonomía disponible, etc.
Los cuadros de instrumentos disponen de iluminación para que sea posible su legibilidad en condiciones de poca luz. Anteriormente la iluminación de los mismos se llevaba a cabo por lámparas incandescentes de poca potencia (por ejemplo wedge), empleándose diodos led en la actualidad. Además, para regular su intensidad de iluminación suele disponerse en el salpicadero un potenciómetro.
10.2.1.- Indicadores de aguja.
La ventaja de estos indicadores frente a los luminosos es que ofrecen al conductor un valor numérico del parámetro que se está midiendo. Tal y como se observa en la siguiente figura, el dispositivo puede consistir en dos bobinas que reciben alimentación positiva, una directamente y otra a través de una unidad de envío (resistencia variable) que representa el sensor del sistema de control correspondiente. La acción conjunta del campo magnético de cada bobina sobre la aguja indicadora determina la posición que ésta toma sobre una escala graduada.
En la actualidad los indicadores de aguja funcionan de forma digital, de forma que una centralita electrónica recibe información del sensor correspondiente y controla el movimiento de la aguja mediante un motor paso a paso.
El aforador de combustible consiste en un reóstato situado en el depósito comandado por un flotador cuya posición depende del nivel alcanzado por el combustible. Puede disponer de un contacto adicional que cierra a masa un testigo luminoso para indicar que se ha alcanzado el nivel de reserva de combustible.
En el caso del indicador de temperatura del motor mediante indicador de aguja, el sensor consiste e una resistencia especial del tipo NTC, cuya corriente de alimentación actúa sobre las bobinas de la escala graduada y mueve la aguja indicadora.
Tal y como puede observarse en la siguiente figura, la unidad de envío del indicador de presión de aceite mediante aguja consiste en un transmisor manométrico constituido por un espacio relleno de una especie de carboncillo que cuanto más comprimido está mejor conductor es. Funciona como una resistencia variable que provoca una variación de tensión eléctrica que es transmitida al indicador situado en el cuadro de instrumentos.
El velocímetro del vehículo informa al conductor sobre la velocidad instantánea del motor. La velocidad del vehículo se mide a partir de la velocidad de rotación de las ruedas o de una rueda dentada de la transmisión. Los velocímetros pueden ser mecánicos o electrónicos, siendo éstos últimos los únicos empleados en la actualidad. Los velocímetros electrónicos disponen de un sensor de velocidad de giro de las ruedas que envía este dato a las centralitas de ABS y sistemas de control de estabilidad. Éstas envían dicha información a la centralita del cuadro de instrumentos, que también emplea esta señal para calcular la distancia recorrida por el vehículo. El sensor de velocidad de giro de las ruedas es inductivo o magnetorresistivo (sensor Hall), siendo más empleado este último. En ambos casos el sensor está situado frente a una corona unida al cubo de rueda. En el caso del sensor magnetorresistivo, dicho sensor presenta un tamaño más reducido que permite colocarlo en el cojinete de rueda.
La misión del cuentarrevoluciones es indicar al conductor el número de revoluciones por minuto a las que gira el motor de combustión. El indicador de revoluciones del motor cuenta en los vehículos actuales con un sensor inductivo que envía a la centralita de gestión del motor las revoluciones medidas en el volante de inercia. La corona dentada empleada en este sensor de revoluciones gira solidaria al volante de inercia del motor o a la palanca del cigüeñal.
10.2.2.- Indicadores de testigo luminoso.
Los indicadores luminosos informan al conductor únicamente cuando el valor de la variable a medir alcanza un valor fuera del intervalo recomendable. El circuito consiste en una lámpara o led de señalización que va conectada al interruptor, sensor o centralita de control que transmite la información. Seguidamente describimos los indicadores de testigo luminoso más empleados en los vehículos actuales.
- El indicador de desgaste de las pastillas de freno consiste en un testigo luminoso dispuesto en el cuadro. La unidad de envío se ubica en las pastillas en forma de conductor eléctrico de manera que si el espesor del disco es el adecuado el conductor no toca el disco, encontrándose entonces aislado de masa. Cuando las pastillas se desgastan y quedan a dos milímetros de su elemento final, el testigo entra en contacto con masa a través del disco y se ilumina el testigo. Algunas marcas no emplean este sensor debido al deterioro que éste produce sobre los discos de freno si se prolonga mucho el uso de las pastillas gastadas
.
- El indicador de líquido de frenos dispone de una unidad de envío consistente en un flotador que cierra unos contactos para cerrar así el circuito cuando el nivel es bajo
.
- La unidad de envío del testigo de presión de aceite, como puedes observar en la figura, consiste en un manocontacto normalmente cerrado que queda sometido a la presión del aceite que se aplica en el orificio, roscado a la canalización de engrase y cierra a masa el negativo de la lámpara testigo cuando la presión es insuficiente, pues si la presión es baja no se vence el muelle, permaneciendo entonces los contactos cerrados y la lámpara testigo encendida .
- La unidad de envío del testigo de temperatura de aceite consiste en una resistencia especial del tipo de coeficiente negativo (NTC) que existe en los vehículos actuales, aunque no disponga de indicador, pues su señal es empleada por el calculador para aumentar el ralentí a partir de una temperatura dada y garantizar así una presión de aceite mínima .
- La unidad de envío del testigo de temperatura del motor, tal y como puedes ver en la figura, consiste en un termocontacto roscado en serie con la lámpara testigo que, por dilatación, cierra sus contactos a partir de una temperatura dada, cerrando así el circuito de positivo de la lámpara testigo

- El indicador de nivel de aceite consta de una lámpara conectada a través de una unidad de control electrónica a un sensor, el cual es sensible a la presencia de aceite. La unidad de control electrónica envía una señal eléctrica para iluminar el indicador óptico de insuficiente nivel cuando el sensor no se encuentra sumergido en aceite. La unidad de envío empleada puede ser una lámina bimetálica, un sensor de hilo caliente o un termopar.
- El indicador de lámpara fundida informa al conductor cuando un fusible o una lámpara están fundidos en el circuito de alumbrado. El sistema más empleado actualmente es la medida de la intensidad que atraviesa a la lámpara a través de módulos con semiconductores que se encuentran en el interior de la propia unidad. De esta forma controla el consumo de corriente.
10.2.3.- Indicadores acústicos.
Además de los indicadores de aguja y luminosos, también se emplean los indicadores acústicos, que sustituyen o complementan a los luminosos y que están formados por un relé zumbador que emite un sonido cuando existe alguna anomalía en el circuito correspondiente. Veamos algunos de ellos:
- El indicador del cinturón de seguridad puede complementar su señal de un testigo luminoso en el cuadro mediante una señal acústica producida por un zumbador conectado en paralelo con el testigo luminoso. El sistema basa su funcionamiento en un pequeño interruptor situado en el sistema de enganche del cinturón que abre sus contactos al introducir la hebilla.
- El indicador de aparcamiento sirve para ayudarnos a aparcar normalmente sin tener que hacer tantos esfuerzos. Existen dos sistemas de control de aparcamiento en el mercado, el sensor por ultrasonidos y el sensor electromagnético.
- El sistema con sensores de aparcamiento por ultrasonidos funciona por la emisión y recepción de ultrasonidos a partir de los rebotes en los obstáculos dentro de su campo de acción. Estos ultrasonidos son generados por un circuito electrónico que es el encargado de recibir, procesar los rebotes y calcular la distancia a la que se encuentra el vehículo del obstáculo, indicándole al conductor de su aproximación mediante un dispositivo acústico instalado dentro del vehículo. Este sistema puede complementarse con un monitor que incluye una cámara exterior de color. La cámara se coloca en la parte trasera del vehículo, permitiendo ver en el monitor situado en el salpicadero lo que hay detrás
. - El sistema electromagnético no requiere ningún tipo de modificación exterior ni interior del vehículo, la antena se coloca en el interior del paragolpes sin necesidad de hacer agujeros, de forma totalmente invisible. Está basado en el empleo de ondas electromagnéticas. Cuando introducimos la marcha atrás el sistema se activa, la pequeña unidad de control genera un campo electromagnético y lo transfiere a la tira adhesiva (antena), la cual está situada a lo largo de todo el paragolpes. A su vez, la antena emite un campo electromagnético para cubrir y monitorizar la totalidad del área del paragolpes. Cuando un objeto entra en ese campo de ondas se crea una perturbación en el campo electromagnético, la unidad de control detecta un aumento en el voltaje e informa al conductor, mediante avisos sonoros diferentes, en relación a la proximidad del objeto
.
- El sistema con sensores de aparcamiento por ultrasonidos funciona por la emisión y recepción de ultrasonidos a partir de los rebotes en los obstáculos dentro de su campo de acción. Estos ultrasonidos son generados por un circuito electrónico que es el encargado de recibir, procesar los rebotes y calcular la distancia a la que se encuentra el vehículo del obstáculo, indicándole al conductor de su aproximación mediante un dispositivo acústico instalado dentro del vehículo. Este sistema puede complementarse con un monitor que incluye una cámara exterior de color. La cámara se coloca en la parte trasera del vehículo, permitiendo ver en el monitor situado en el salpicadero lo que hay detrás
- El sistema de control de presión de neumáticos indica al conductor cuando la presión de uno de los neumáticos es inadecuada. El aviso al conductor tiene lugar en forma de pitido y mediante indicaciones en el display del cuadro de instrumentos o del ordenador de a bordo.
Sistema de control de presión de neumáticos.
Y este enlace te permitirá conocer una posible evolución futura en los sistemas de aparcamiento.
10.2.4.- Ordenador de a bordo.
El ordenador de a bordo es un procesador que ofrece al conductor, a través de una pantalla, gran variedad de informaciones. Dicho procesador forma parte de la centralita del cuadro de instrumentos que controla además las indicaciones clásicas del cuadro, como velocidad de giro del motor, velocidad del vehículo, temperatura de aceite, estado del depósito de combustible, etc.
A través de la pantalla el ordenador de a bordo puede mostrar diversas informaciones a través de una secuencia de lecturas activable con el mando de selección, que suele estar situado en la maneta del mando limpiaparabrisas o en el propio volante. Las informaciones son las correspondientes a autonomía, distancia recorrida, consumo medio, consumo instantáneo, velocidad media y tiempo de trayecto.
Seguidamente puedes observar el esquema de conexionado del ordenador de a bordo con los distintos componentes que le envían informaciones.
La señal de consumo de combustible es proporcionada por el módulo de inyección. La señal de velocidad la proporciona los sensores inductivos de rueda del sistema ABS, cuyo módulo de control electrónico está conectado con el ordenador de a bordo. La información de combustible en el depósito la proporciona un aforador de combustible de alta precisión. Finalmente el cuadro de instrumentos envía la información de su reloj interno para los cálculos de tiempo de viaje y demás variables afectadas por el tiempo para su cálculo.
10.3.- Circuitos de maniobras y señalización.
Tiene gran importancia que los demás conductores puedan anticiparse a nuestras maniobras. Para ello es muy importante que los circuitos de maniobras y señalización estén en buen estado.
Los circuitos de maniobras y señalización son necesarios para avisar de día y de noche sobre las maniobras que se van ha realizar. Comprende aquellos sistemas que se utilizan para indicar a los demás usuarios de la vía que se va a efectuar una determinada maniobra con el vehículo, como cambiar de dirección, detenerse o retroceder.
Se consideran incluidos en el circuito de maniobras los sistemas de intermitencias y luces de emergencia, así como las luces de freno y de marcha atrás. Estos sistemas son accionados de manera que el conductor no tenga que soltar ambas manos del volante.
Las luces traseras de los intermitentes, freno y marcha atrás se disponen agrupadas en los pilotos traseros, mientras que las luces de los intermitentes delanteros pueden estar junto al faro o quedar integradas en el mismo.
10.3.1.- Intermitentes y luces de emergencia.
En este apartado podrás conocer por qué cuando se funde una lámpara de los intermitentes, el resto parpadea más rápido.
La luz indicadora de dirección o intermitentes es la destinada a advertir a los demás usuarios de la vía la intención de cambiar de dirección. Esta luz será intermitente y visible tanto de día como de noche. Sus señales deben ser visibles tanto por delante como por detrás y, en algunos vehículos concretos, también por los laterales.
Las luces de emergencia tienen por finalidad la de señalizar y advertir que el vehículo representa temporalmente un peligro para los demás usuarios de la vía por avería, accidente, caída de la carga o por cualquier otra emergencia. Consiste en el funcionamiento simultáneo de todas las luces indicadoras de dirección. Su puesta en funcionamiento deberá acusarse por una luz testigo de color rojo intermitente en el salpicadero.
Los elementos que forman el circuito de intermitencias y de emergencia son el mando de intermitencia, el mando de emergencia, el relé de intermitencias, fusibles y lámparas:
- El mando de intermitencias se monta formando un conjunto con el de alumbrado. Consta de tres posiciones: derecha, izquierda y reposo y dispone de un sistema de desactivación automática para que, al terminar el giro, retorne a su posición de reposo. También puede disponer de una función denominada intermitentes de confort mediante la cual al pulsar el mando sin llegar al final de su recorrido se activa un corto número de pulsos intermitentes y tras finalizar éstos el intermitente queda apagado
.
- El mando de emergencia alimenta los circuitos de las luces intermitentes de ambos lados a través de un interruptor específico. Este interruptor dispone de varias vías a las que le llega positivo directo (terminal 30), positivo después de contacto (terminal 15), entrada de alimentación de los circuitos de ambos lados y salida para lámpara testigo
. - El relé de intermitencias de los vehículos actuales es electrónico, disponiendo de un circuito integrado que temporiza la salida de alimentación en pulsos periódicos hacia los pilotos de intermitencia. El dispositivo está formado por un circuito de tipo multivibrador que actúa sobre la alimentación periódica de la bobina del relé para conseguir la apertura y cierre de los contactos de salida de alimentación al circuito. El funcionamiento del circuito multivibrador se basa en la continua carga y descarga de un condensador, de forma que la modificación de la resistencia del circuito (por ejemplo, al fundirse una lámpara) modifica el tiempo de carga y descarga y, por tanto, la frecuencia de parpadeo del resto de pilotos
.
A continuación puedes ver un esquema del circuito de las luces intermitentes y de emergencia junto con su correspondiente leyenda. Puedes observar en el esquema como al interruptor de luces de emergencia llegan alimentación directa y alimentación después de contacto, ésta última para la alimentación de los intermitentes. Ello pone de manifiesto que una posible avería en el interruptor de las luces de emergencia podría provocar una disfunción de los intermitentes.
10.3.2.- Luces de freno y de marcha atrás.
Una frenada de emergencia del vehículo que te precede sin la adecuada señalización sería una posible causa de colisión.
La luz de freno es la situada en la parte posterior del vehículo y destinada a indicar a los usuarios de la vía que están detrás del mismo, que se está utilizando el freno de servicio. Debe ser de intensidad considerablemente superior a la de la luz trasera de posición, sin ser deslumbrante. La intención de inmovilizar el vehículo o frenar su marcha de modo considerable, aun cuando tales hechos vengan impuestos por las circunstancias del tráfico, deberán advertirse, siempre que sea posible, mediante el empleo reiterado de las luces de frenado.
En los vehículos actuales se monta una tercera luz de freno que se emplaza en el alerón trasero o en la luneta trasera del vehículo, visible desde el exterior. Esta luz adicional realiza la señalización de la maniobra de frenado con el fin de que los conductores que circulan por detrás observen antes esta maniobra. Esta tercera luz de freno va conectada en paralelo con las luces de freno convencionales y todas ellas son activadas desde el pedal de freno, pudiendo estar alimentado el circuito, según el vehículo, de forma permanente o sólo a través del contacto.
El encendido y apagado de esta luz se realiza por medio de un pulsador normalmente cerrado, accionado por el pedal del freno, de forma que en estado de reposo del pedal, éste se encuentra accionando el pulsador y se mantiene el circuito abierto. Por otro lado, al pisar el pedal, este libera el pulsador, con lo que se cierra el circuito. De otra forma, en vehículos nuevos se dispone un pulsador doble, con una vía normalmente abierta y otra normalmente cerrada.
Resulta cada vez más habitual el empleo de diodos led en la tercera luz de freno y en ambos pilotos debido a su mayor rapidez de encendido, por lo que se incrementa la seguridad y el tiempo de reacción del conductor que circula detrás del vehículo ante una frenada del mismo.
La luz de marcha atrás es la situada en la parte posterior del vehículo y destinada a advertir a los demás usuarios de la vía que el vehículo va o está a punto de ir marcha atrás. Esta luz debe ser una o dos de color blanco y sólo debe poder encenderse cuando se engrana la marcha atrás en la caja de cambios siempre que esté encendido el contacto. El elemento encargado del accionamiento de la luz es un pulsador normalmente abierto que cuando se engrana la marcha atrás cierra el circuito.
Seguidamente se muestra un esquema del circuito de la luz de freno y de la luz de marcha atrás junto con su correspondiente leyenda. En ambos circuitos puedes observar alimentación del mismo a través de un positivo comandado por el contacto (terminal 15). El circuito de luz de marcha atrás puedes ver que puede estar constituido por uno o dos pilotos.
10.4.- Grupos ópticos y luminosos.
Un faro está formado por una carcasa exterior, un reflector y se cierra por delante mediante un dispersor. En el reflector se sujeta la lámpara de forma que la posición del filamento sobre él sea la más conveniente. Algunas veces el reflector y el dispersor se montan sellados de fábrica, con lo que resulta indesmontable. El conjunto así formado recibe el nombre de óptica de faro:
- La carcasa el faro va fijada a la carrocería y constituye el cuerpo del faro, soportando los demás componentes, empleándose termoplásticos que proporcionan disminución del peso y mayor resistencia frente a impactos.
- El reflector es la parte del faro que refleja con un ángulo determinado los rayos de luz emitidos por la lámpara. Los reflectores se fabricaban en chapa de acero estampada, pero en la actualidad se emplean termoplásticos. En ambos casos se cubren con un material reflectante y una capa protectora.
- El dispersor es el elemento que cierra el conjunto del faro, fabricado anteriormente de cristal y actualmente de plástico. En los faros con dispersor de cristal, éste disponía de una óptica de dispersión para concentrar el flujo luminoso que procede del reflector y dispersar el haz de luz, repartiéndolo sobre toda la anchura de la calzada e incidiendo en el suelo desde unos metros por delante del vehículo. En los faros actuales con dispersor de plástico éste no dispone de óptica de dispersión y sólo tiene una función de protección del conjunto del faro.
Según el reflector de los faros, pueden destacarse: faros con superficie parabólica, faros con superficie compleja y faros elipsoidales:
- Los faros con superficie parabólica están formados por un reflector con forma interna de parábola, que se cierra por delante mediante un cristal tallado en prismas triangulares. De esta forma los rayos de luz procedentes de la lámpara son reflejados por el reflector, cuya cara interna va recubierta por una fina capa de cromo. En la siguiente figura puedes observar las posibles ubicaciones del filamento sobre el foco (F) de la superficie parabólica del reflector. El alumbrado de carretera se consigue situando el filamento de la lámpara coincidente con el foco geométrico de la parábola. Si el filamento se coloca detrás del foco, el haz de luz sale divergente, mientras que si se coloca delante, sale convergente, empleándose esta última disposición en el alumbrado de cruce. En ambos alumbrados el tallado del cristal permite una desviación hacia abajo del haz luminoso y una dispersión en el sentido horizontal.
- En los faros de superficie compleja la parábola clásica es sustituida por un reflector elíptico formado por una sucesión de superficies muy pequeñas con una determinada orientación, que reciben el flujo luminoso producido por la lámpara bajo un preciso ángulo, para reflejarlo convenientemente orientado un poco hacia abajo, consiguiendo un haz de luz que permite iluminar la calzada sin producir deslumbramientos.
- En los faros elipsoidales se utiliza un reflector elipsoidal que recoge la luz emitida por la lámpara y la concentra en un segundo punto focal, desde el que incide en una lente convergente que orienta convenientemente el flujo luminoso.
En la actualidad, tanto los faros de superficie compleja como los elipsoidales pueden utilizarse con lámparas halógenas o con lámparas de Xenón.
También puedes usar este recurso interactivo para el cálculo de las magnitudes en fotometría a partir del flujo luminoso e intensidad luminosa de un foco luminoso.
10.5.- Regulación de la orientación y alcance de los faros.
¿Te has fijado cómo a veces las luces de los vehículos que circulan en sentido contrario son muy molestas? En ese caso puede que los faros no estén correctamente regulados o que las condiciones de carga del vehículo no estén en consonancia con la regulación de los faros.
Podemos distinguir la regulación de los faros que realiza el conductor por la modificación en las condiciones de carga del vehículo, de la que se realiza de forma técnica en un taller cuando por un impacto o sustitución del faro este se instala de nuevo en el vehículo. El primer caso se debe a que bajo determinadas condiciones de carga del vehículo (pasajeros y equipajes) se puede producir una transferencia de peso hacia la parte trasera, quedando la delantera descargada, lo que provoca una subida del haz de luz que con el alumbrado de cruce pueda deslumbrar a los conductores de los vehículos que circulan en sentido contrario. Para corregir este defecto de utilización se dispone en los faros mecanismos para corregir eventuales subidas del haz de luz, inclinándolos un cierto ángulo hacia abajo.
Actualmente la normativa establece que el sistema de regulación debe tener su órgano de accionamiento en el habitáculo del vehículo, siendo el más empleado el sistema regulación del haz de luz mediante motores eléctricos paso a paso ubicados en la parte posterior de cada faro., ubicándose un potenciómetro para su control en el salpicadero. También contempla la normativa vigente que los vehículos con alumbrado mediante lámparas de xenón deberán contar con un sistema de regulación automático.
El otro tipo de regulación, que es necesario efectuar cuando, por ejemplo, se sustituye un faro, tiene por objeto que los faros estén debidamente enfocados para que el alumbrado de carretera tenga un alcance y una dirección normales y que el de cruce no deslumbre, manteniendo un alcance adecuado. Para conseguir esto es necesario proceder a la regulación de los faros, que se lleva a cabo mediante regloscopios. Éstos pueden disponer de un luxómetro para medir el alumbrado que producen los faros y de un voltímetro para medir la tensión de la batería.
Para ello, la regulación se efectúa situando la óptica el regloscopio frente al faro que se pretende reglar, a una distancia aproximada de 30 cm. La lente del regloscopio concentra el haz de luz, el cual incide en una pantalla situada en el fondo del regloscopio, sobre la que están marcadas las líneas convenientes para determinar mediante la incidencia del haz de luz si el reglaje es correcto y, en caso contrario, actuar sobre los tornillos de regulación del faro para regular su orientación (tornillo de desplazamiento lateral) y alcance (tornillo corrector de altura).
Para alcanzar un resultado óptimo con el reglaje es de gran importancia conseguir la perpendicularidad entre el eje longitudinal del vehículo y la óptica del regloscopio. Para ello el regloscopio dispone de algún dispositivo mecánico u óptico. Por otro lado, como operaciones previas al inicio del reglado se establecen:
- Comprobar que la presión de inflado de los neumáticos es correcta y la dirección está recta.
- Comprobar la correcta y firme fijación de las lámparas y faros.
- El vehículo se encuentra vacío y sin carga.
- El regulador de altura debe estar situado en la posición cero (la de menor inclinación de los faros).
10.6.- Lámparas utilizadas en los vehículos: tipos, potencias, montaje.
Las lámparas son los elementos encargados de transformar la energía eléctrica en luminosa. Éstas, en función de sus características y de su principio de funcionamiento permiten ser clasificadas en los siguientes tipos:
- Lámpara de incandescencia convencional.

- Lámpara halógena.

- Lámpara de descarga o de xenón.

- Lámpara constituida por uno o varios diodos led.
La constitución genérica de cualquiera de estas lámparas consiste en una ampolla de cristal que sirve de envolvente al elemento luminoso. Además, disponen de uno o dos castillos metálicos donde se encuentran los terminales o puntos para su conexión eléctrica.
El tamaño y forma de la ampolla dependen fundamentalmente, dentro de cada tipo de lámpara, de la potencia de la misma.
La vibración a que están sometidas las lámparas en el vehículo exige que el montaje de la lámpara al portalámparas no se realice mediante enroscado, sino a presión, pudiéndose disponer de tetones (salientes) para su mejor sujeción.
Seguidamente vamos a conocer las particularidades y ventajas de cada uno de los tipos de lámparas arriba mencionados.
10.6.1.- Lámpara de incandescencia.
¿Sabes a qué se debe el distinto tamaño de las lámparas de un vehículo?
El funcionamiento de estás lámparas está basado en el efecto Joule, encontrándose formadas por un filamento de tungsteno o wolframio que al ser recorrido por la corriente eléctrica se calienta hasta ponerse incandescente (a una temperatura superior a 2.000 ºC) y produce un haz luminoso.
El filamento en forma de muelle helicoidal (para conseguir una buena robustez) va dispuesto dentro de una ampolla de vidrio al vacío y rellenada con algún gas inerte, como argón para evitar que la presencia de oxígeno junto con la alta temperatura produzca la quemadura del filamento. El filamento y la ampolla se sujetan al casquillo, que es un tubo cilíndrico de latón que se rellena interiormente con vidrio prensado que es aislante y da al conjunto gran solidez.
Los extremos del filamento, en función del tipo de lámpara, se unen mediante soldadura a terminales o al casquillo lateralmente y a la parte baja de éste debidamente aislado.
Durante su funcionamiento se desprenden partículas del filamento que se depositan sobre la ampolla por encontrarse ésta a menor temperatura, provocando esta adhesión el ennegrecimiento de la ampolla y la degradación progresiva del filamento de tungsteno.
Las lámparas de incandescencia actualmente utilizadas se clasifican según su casquillo y potencia en los siguientes tipos:
- Plafón. Su ampolla de vidrio es tubular y está provista de dos caperuzas metálicas en ambos extremos donde se conecta el filamento. Se emplea fundamentalmente en las luces interiores del habitáculo y maletero, luz de guantera y luces de placa. Las potencias más usuales son de 5 y 10 vatios.
- Piloto. Presenta un casquillo metálico de 15 milímetros de diámetro con dos tetones simétricos para su encaje en el portalámparas. Se suele emplear en el alumbrado de los pilotos traseros e intermitentes delanteros. Las potencias más comunes son de 5 y 21 vatios. En otras aplicaciones se usan este tipo de lámparas provistas de dos filamentos, en cuyo caso, los tetones de su casquillo están posicionados a distintas alturas.

- Control. Similar a la anterior, dispone de un casquillo metálico de 9 milímetros con dos tetones redondos.
- Lancia. Como puedes ver en la figura, este tipo de lámpara es similar a los tipos piloto y control y dispone de un casquillo metálico de 7 milímetros con dos tetones alargados.
- Wedge. Dispone de una ampolla tubular que se cierra por su extremo inferior en forma de cuña, quedando plegados sobre ella los hilos de los extremos del filamento para su conexión al portalámparas. Otras veces dispone de portalámparas termosellado, constituyendo lámpara y portalámparas un conjunto indivisible. Se ha empleado en el cuadro de instrumentos, pero está en desuso por su sustitución en el mismo por diodos led.
- Foco europeo. Dispone de una ampolla esférica y dos filamentos. Los bornes de conexión se encuentran en el extremo del casquillo. Se ha utilizado en los faros de los vehículos para el alumbrado de cruce y de carretera, aunque actualmente se encuentra en desuso. La lámina dispuesta bajo el filamento de cruce impide que los rayos de luz que salen hacia abajo sean reflejados por la parábola del reflector provoquen deslumbramientos.

10.6.2.- Lámpara halógena.
¿Sabes que no debes tocar con los dedos las lámparas halógenas?
La lámpara halógena es también una lámpara de incandescencia, pues su funcionamiento es similar a ésta, diferenciándose en que la intensidad luminosa que proporciona es superior. Para elevar este rendimiento luminoso se aumenta la temperatura de funcionamiento de su filamento, pero esto conlleva un acortamiento de su vida útil por emisión de parte del Tungsteno del filamento hasta la ampolla y el ennegrecimiento de la misma. Su elevado rendimiento hace que este tipo de lámparas se empleen exclusivamente en faros (cruce, carretera, antiniebla y largo alcance).
Para evitar estos inconvenientes, en la lámpara halógena se sustituye el argón del interior de la ampolla por un gas halógeno, generalmente iodo. Asimismo, debido a las elevadas temperaturas de funcionamiento en este tipo de lámpara, se sustituye el vidrio de la ampolla por cuarzo.
En las lámparas halógenas debe tenerse la precaución de no tocar con los dedos la ampolla de cuarzo, pues la grasa de la huella que se deja impresa sobre el cuarzo produce una alteración del mismo con las altas temperaturas. En caso de tocarse la ampolla, esta deberá limpiarse con un disolvente antes de encender la lámpara.
En el funcionamiento de la lámpara halógena, debido a las altas temperaturas alcanzadas en el filamento, el Tungsteno se vaporiza igual que sucede en las lámparas incandescentes convencionales. El Iodo difundido dentro de la ampolla capta el Tungsteno vaporizado y se combina con él, formándose yoduro de Tungsteno, el cual se deposita sobre el filamento descomponiéndose nuevamente en Tungsteno que regenera el filamento y Iodo que queda libre para iniciar un nuevo ciclo regenerativo.
Las lámparas halógenas más comunes son de una potencia de 55 vatios y se clasifican, según el número de filamentos y la disposición de éstos dentro de la ampolla, en los siguientes tipos:
- Lámpara H-1. Dispone de un único filamento situado longitudinalmente
.
- Lámpara H-3. Dispone de un único filamento situado transversalmente y no dispone de casquillo, acabando el filamento en un cable con terminal conector. Se emplea sólo en faros antiniebla.

- Lámpara H-4. Dispone de dos filamentos dispuestos longitudinalmente, uno para cruce (es más adelantado) y otro para carretera (es más atrasado). El casquillo tiene una plataforma de disco para su acoplamiento a la óptica de faro. La lámina dispuesta bajo el filamento de cruce impide que los rayos de luz que salen hacia abajo sean reflejados por la parábola del reflector provoquen deslumbramientos.
- Lámpara H-7.Es similar a la H1, pero con un único filamento.

10.6.3.- Lámpara de xenón.
La lámpara de descarga o de xenón basa su funcionamiento en el fenómeno del arco voltaico. Para ello, carece de filamento, disponiendo de dos electrodos perfectamente alineados entre los cuales se produce un arco voltaico. Entre los dos electrodos se dispone una pequeña ampolla rellena de gas xenón a alta presión y sales de sodio o mercurio. El arco voltaico formado produce la evaporación del gas y de las sales, que participan con su evaporación en la formación del arco. De esta forma se obtiene un flujo luminoso muy superior al obtenido con una lámpara halógena con un consumo eléctrico inferior.
La denominación de las lámparas de xenón es D1R, D2R, D3R, D4R, D1S, D2S, D3S y D4S. Los números impares indican que la bobina y la lámpara van unidas directamente y los números pares indican que van unidas mediante un cable de alta tensión. La letra R indica que es para proyectores de superficie compleja y la S para proyectores elipsoidales, diferenciándose principalmente en que la primera, como puedes ver en la figura, está dotada de una pantalla para el haz de cruce.
Como el flujo luminoso producido por este tipo de lámparas es tan intenso, puede provocar deslumbramientos a los demás usuarios de la vía, por lo que la normativa establece como exigencia que los vehículos provistos con este tipo de lámparas estén dotados de reguladores en altura del haz de luz automáticos y de lavafaros que permitan disponer de una óptica limpia que no provoque dispersiones inadecuadas del haz de luz.
La formación del arco voltaico en las lámparas de xenón sólo es posible con el empleo de tensiones alternas muy elevadas (sobre 20.000 V), por lo que es preciso disponer de un sistema capaz de transformar la tensión continua de 12 voltios disponible en el vehículo en una tensión alterna de 20.000 H y 400 Hz de frecuencia. Esto se consigue con un componente especial denominado balastro electrónico, que es el encargado de transformar la naturaleza de la corriente (de continua a alterna) para seguidamente realizar la transformación de la tensión.
En la siguiente figura puedes observar el proceso de encendido de la lámpara de Xenón. Así, una vez efectuado el encendido, se hace funcionar la lámpara de descarga de gas aproximadamente durante 3 segundos, con una corriente de mayor intensidad. El objetivo es que la lámpara alcance su claridad máxima tras un retardo mínimo de 0,3 segundos. Tras el calentamiento de la ampolla y la vaporización de las sales, durante la fase de funcionamiento prolongado, la tensión se estabiliza en 85 V y el consumo se reduce hasta 35 W.
La vida útil de estas lámparas es muy superior a las halógenas, alcanzando las 2.500 horas.
10.6.4.- Led.
Un led es un diodo, por lo que tiene polaridad, con la particularidad de que es un emisor de luz. Existen multitud de tipos de diodos led en función de la longitud de onda a la que emiten la luz (infrarrojo, visible, etc.). Hay diodos led de diferentes colores, dependiendo de la combinación de los elementos que formen el semiconductor y de diferentes tamaños y formas.
Presentan una envoltura externa de material semitransparente y con la existencia en su interior de una serie de impurezas que al encontrarse excitadas como consecuencia de una vibración térmica, provocan que los electrones de la última capa salten a la capa anterior liberando energía en forma de fotones y dando lugar a la emisión de luz.
La intensidad y tensión que soportan es baja, del orden de 1,7 a 2 V y 20 mA.
Cada vez son más empleados en los vehículos actuales, utilizándose en los cuadros de instrumentos de los vehículos, en los display digitales, en los pilotos de señalización de los vehículos, luces diurnas y en un futuro próximo como lámparas de iluminación para los alumbrados de cruce y carretera. Además no necesitan mantenimiento, tienen una duración muy superior, más de 10.000 horas de servicio, consumen entre un 50% y un 70% menos que una lámpara de incandescencia equivalente y tienen una gran resistencia a las vibraciones y golpes por no disponer de filamento.
11.- Avisador acústico.
En otra de las actividades prácticas a realizar en las prácticas en el taller, María y Lorenzo deben comprobar el claxon que no suena en un vehículo antiguo. ¿Tendrá arreglo?
La función del avisador acústico, bocina o claxon del vehículo es advertir a los demás usuarios de la vía sobre la presencia del vehículo en una situación de peligro. El código de la circulación limita su uso a casos de emergencia, siendo obligatorio el equipamiento de un claxon en todos los vehículos. El claxon debe poder oírse a una distancia mínima de 100 metros, no debe producir un sonido estridente y las sirenas y trompas de varios sonidos sucesivos están prohibidas en los vehículos particulares.
La homologación de las bocinas se realiza a través del propio fabricante.
En todas las bocinas el sonido se produce por las vibraciones a una frecuencia audible de una membrana de acero que produce una onda de presión en el aire.
Las bocinas pueden ser de dos tipos: electromagnéticas y de aire comprimido, siendo las primeras las más empleadas en automóviles y motocicletas.
El importante consumo eléctrico de estos componentes hace necesario disponer de un relé para su accionamiento, que evita el rápido deterioro de los contactos del pulsador.
Conviene que sepas que hay vehículos en los que el avisador acústico sólo funciona con la llave de contacto dada.
11.1.- Claxon electromagnético.
En un claxon electromagnético puede distinguirse la carcasa, a la que se une la tapa superior, sujetando en los extremos la membrana de acero para conseguir la vibración. La tapa dispone de aberturas para dejar paso al exterior la onda sonora y en algunos casos se canaliza la onda sonora mediante una trompeta. En el interior de la carcasa van dispuestas dos bobinas conectadas en serie mediante unos contactos normalmente cerrados.
Cuando se acciona el pulsador (dispuesto en el volante o el monomando izquierdo) la corriente llega a las bobinas, generando un campo magnético que atrae a la membrana que por su elasticidad se deforma. En este movimiento los contactos normalmente cerrados que unen ambas bobinas se desplazan provocando la desconexión de ambas bobinas entre sí, con lo que cesa el campo magnético y la membrana regresa a su posición original. Este desplazamiento produce que los contactos vuelvan a cerrarse, estableciéndose nuevamente corriente en las bobinas y repitiéndose el proceso. Debido a la interrupción de la corriente en los contactos del claxon, aparece una fuerza electromotriz de inducción en las bobinas, cuyo efecto es producir una chispa en los contactos, que los deteriora progresivamente. Para proteger los contactos se coloca en paralelo con ellos un condensador.
El circuito eléctrico de alimentación puede disponerse de forma que la activación de la bocina sea a través de positivo o a través de masa. En el primer caso la bocina puede disponer de un solo terminal, pues la conexión a masa se puede realizar a través del tornillo de fijación al chasis del vehículo. Por el contrario, en el segundo caso la bocina dispondrá de un conector con dos terminales siendo necesario que el elemento de sujeción de la bocina al chasis esté aislado del terminal de masa de la bocina.
A continuación se muestra el esquema eléctrico de un circuito de claxon y su leyenda. La alimentación del circuito tiene lugar desde positivo directo, dispone de un relé de protección para los contactos del pulsador que, al disponerse en el volante, necesita de un muelle espiral (P13) similar al del airbag para el conexionado eléctrico.
Algunos vehículos disponen de dos bocinas de diferentes tonos, que funcionan al unísono, consiguiéndose de esta forma un sonido fuerte y agradable. La instalación eléctrica para esta disposición es con las dos bocinas conectadas en paralelo al pulsador de activación.
Para regular el tono de un claxon electromagnético se actúa sobre un tornillo de regulación que varía la longitud de desplazamiento de la membrana, variando de esta forma su frecuencia. No obstante, en las bocinas actuales la regulación del tono la efectúa el fabricante durante el proceso de fabricación, haciendo inaccesible el tornillo de regulación tras la fabricación.
Observando el esquema eléctrico anterior del claxon de un vehículo:
- ¿Funciona el claxon sin la llave de contacto?
- ¿Cuál es la potencia máxima que puede absorber todo el circuito?
11.2.- Claxon de aire comprimido.
¿Por qué suena tan alto el claxon de un camión?
El claxon de aire comprimido se emplea principalmente en camiones, gracias al sistema neumático de aire que instalan estos vehículos.
El claxon de aire comprimido consiste en un conducto con una o dos lengüetas que, al accionar la bocina, producen una vibración, ya que se encuentran en el camino de circulación del aire. El aire a presión es producido por un compresor, bien desde el circuito de aire comprimido para el sistema de frenos con que cuentan algunos vehículos industriales, o desde un pequeño compresor eléctrico incorporado a la bocina o ubicada cerca de ella.
En el caso de disponer en el vehículo un compresor eléctrico, éste consiste en un motor eléctrico cuyo rotor mueve unas aspas interiormente, que comprimen un volumen de aire que hace vibrar la membrana de las bocinas con impulsos periódicos.
El circuito eléctrico es similar al de un claxon electromagnético, debiéndose respetar la polaridad del compresor eléctrico, en su caso, ya que condiciona el sentido de salida del aire comprimido.
Algunas veces se emplean dos o más trompetas para conseguir varias tonalidades de sonido y entonces se conectan al circuito de aire en paralelo entre sí mediante tubos de plástico flexible.
12.- Limpiaparabrisas.
Ignacio le encarga a María que supervise el sistema lavaparabrisas del vehículo de un cliente. El problema está en que no sale líquido de los surtidores. María sabe que existen diversidad de estos sistemas y por ello lo primero que hace es consultar la documentación técnica del vehículo para cerciorarse de los sistemas que posee el vehículo en concreto para proceder a la verificación de los mismos.
El limpiaparabrisas es un sistema vital para el confort y la seguridad durante la conducción, pues permite la visibilidad a través del parabrisas en caso de lluvia, nieve o suciedad excesiva.
Un sistema limpiaparabrisas debe cumplir tres condiciones:
- No entorpecer la visión del conductor.
- Despegar las partículas depositadas y adheridas al cristal.
- Desalojar del cristal dichas partículas.
Este sistema ha tenido una gran evolución a lo largo de la historia del automóvil; los primeros sistemas eran manuales y mecánicos, después eléctricos y en la actualidad son controlados por una unidad de control electrónica.
La normativa europea en materia de limpiaparabrisas obliga a los fabricantes de vehículos a diseñar estos sistemas de forma que proporcionen en los vehículos un barrido del 100% del campo de visibilidad del conductor y del 80% de la superficie total del parabrisas.
Además del limpiaparabrisas pueden existir en el vehículo dispositivos similares encargados de efectuar la limpieza del agua de lluvia que se deposita sobre la luneta y los faros.
Mientras que los sistemas limpiadores se encargan de retirar el agua, los sistemas lavadores ayudan a la limpieza del elemento en cuestión mediante un chorro de líquido lavaparabrisas a presión. Como hemos dicho, tanto unos sistemas como otros se encontrarán siempre montados en el parabrisas del vehículo y a veces también en la luneta y en los faros.
12.1.- Constitución del sistema.
El conjunto limpiaparabrisas está constituido esencialmente por los siguientes componentes.
- Un motor eléctrico de corriente continua, con excitación mediante imanes permanentes, que permite mover los brazos, dotado de leva (constituida esencialmente por un interruptor activo a masa) que indica a la electrónica de control el posible bloqueo del motor. Dispone de un interruptor térmico de protección.
- Un sistema de reducción, que transforma la velocidad del rotor de unas 2.500 a 3.000 revoluciones por minuto a unas 50 a 70 oscilaciones por minuto. Esto es necesario porque el aumento del tamaño de los parabrisas y su forma no plana ha traído la necesidad de ejercer una mayor presión sobre las rasquetas, que conlleva mayor rozamiento. Así, la utilización de motores de mayor potencia incorporan un sistema de reducción que permite reducir la velocidad de giro y aumentar en la misma proporción el par transmitido para vencer el rozamiento de las escobillas.Uno o dos brazos de limpiado con escobillas, que se acoplan en ejes portarrasquetas estriados y se fijan mediante tuercas.

- Un sistema de transmisión mecánica mediante un mecanismo de manivela y balancín. La transmisión del movimiento mediante un cable flexible se ha abandonado en los vehículos actuales. En algunos vehículos, debido al escaso espacio existente en la parte baja de la luneta, los fabricantes eliminan el sistema de transmisión y se emplean dos motores, uno para mover cada uno de los brazos.

- Rasquetas o escobillas, para realizar el barrido sobre la superficie de la luna. Para disminuir el empuje del aire sobre la rasqueta a altas velocidades ésta va provista de agujeros por la parte trasera. En casos especiales montan paletas conductoras del aire que deben trabajar a contracorriente con el aire.
- Dispositivo de parada automática, cuya misión es parar el motor cuando las escobillas ocupen una posición que no estorbe a la visión. Suelen emplearse interruptores giratorios, solos o combinados con un conexionado especial del motor eléctrico que produce giro en sentido contrario, actuando como freno eléctrico.
El sistema de limpiaparabrisas dispone de varios modos de funcionamiento:
- Funcionamiento con barrido continuo mediante dos velocidades, lento y rápido.
- Funcionamiento con barrido intermitente con tiempo entre cada dos barridos fijo o variable.
- Funcionamiento en modo automático mediante un sensor de lluvia.
12.2.- Velocidad continua e intermitente.
Las diferentes condiciones de lluvia, más o menos intensa, hacen necesario el empleo de un sistema que permita variar la velocidad de barrido. Así, el limpiaparabrisas dispone de un sistema de barrido continuo con velocidad lenta y rápida y otro sistema de velocidad intermitente.
Con el dispositivo de barrido continuo de dos velocidades se consigue una mejor visibilidad en caso de lluvia fuerte. Las dos velocidades, lenta y rápida, corresponden a un modo de barrido continuado. El dispositivo para conseguir las dos velocidades consiste en un colector con tres escobillas, estando una de ellas desfasada de las otras, siendo con esta última con la que se obtiene la velocidad rápida.
Para su accionamiento se dispone un conmutador con tres posiciones: desactivación, activación de la velocidad lenta (alimentación de escobillas opuestas) y activación de la velocidad rápida (alimentación de la escobilla desfasada y la más alejada).
Con el dispositivo de velocidad intermitente se consigue evitar la limpieza en seco del parabrisas por barrido continuo con lluvia escasa.
El dispositivo está formado por un circuito de tipo multivibrador, estableciéndose un periodo entre dos barridos consecutivos. Este periodo puede ser fijo (establecido por el fabricante) o variable mediante un potenciómetro dispuesto en el conmutador del limpiaparabrisas, de forma que la variación de la resistencia permite modificar el intervalo de tiempo entre dos barridos consecutivos.
En el caso de limpiaparabrisas con unidad de control, el intervalo entre barridos o el barrido continuo lento o rápido varía según los siguientes factores: la posición del potenciómetro de regulación, la velocidad de circulación del vehículo y la señal del captador de lluvia en los vehículos dotados con tal sensor.
12.3.- Dispositivo sensor de lluvia.
¡Qué cómodo es el limpiaparabrisas automático! Pero ¿es eficaz?
El sensor de lluvia suele estar disponible en vehículos con equipamiento alto y es el dispositivo que permite el funcionamiento del limpiaparabrisas automático. Este dispositivo funciona en la longitud de onda de los infrarrojos, basándose en el principio de la refracción de un haz luminoso a través de los cristales, permitiendo la regulación automática del número de pasadas de las escobillas del limpiaparabrisas de forma proporcional a la intensidad de la lluvia. En caso de avería la centralita del grupo limpiaparabrisas detecta instantáneamente esta situación y el funcionamiento vuelve automáticamente a la modalidad manual.
El sensor de lluvia está constituido por un conjunto de varios diodos led de rayos infrarrojos, situados en círculo. El dispositivo puede detectar el tamaño, el número y la cantidad de gotas de lluvia presentes en el parabrisas en función de la variación de la reflexión de las señales infrarrojas usadas como método de captación. La variación de la modalidad de refracción, respecto a un valor inicial automáticamente preprogramado por el sensor provoca la generación por parte de este último de las señales eléctricas. Las señales del dispositivo elaboradas por la electrónica interior de la centralita de control del limpiaparabrisas, permiten que ésta pueda elegir una menor o mayor cadencia al motor del limpiaparabrisas.
El sensor de lluvia debe ir colocado en el parabrisas, normalmente a la altura del espejo retrovisor interior y se mantiene en contacto con el parabrisas gracias a un muelle que actúa en una tapa de protección situada detrás del espejo. En algunos vehículos el sistema, al detectar lluvia, actúa también sobre los elevalunas y el techo corredizo.
En algunos casos el conjunto del sensor, protegido con una capa de silicona, no puede pegarse y despegarse sin dañar la capa de silicona, por lo que el sensor debe sustituirse si se cambia el parabrisas. En caso de montaje de un componente nuevo deberá comprobarse que no existan burbujas de aire entre el cristal y el sensor, aplicando una carga adecuada para así evitar la aparición de burbujas. En caso de sustitución del captador por avería de éste, habrá que eliminar con disolvente (acetona) los posibles residuos de silicona del parabrisas antes de montar el componente nuevo.
12.4.- Lavaparabrisas.
Cuando la vía por la que se circula está mojada, el paso de los vehículos por ella levanta una nube de agua y barro que ensucia el parabrisas hasta el punto de que se hace imposible su limpieza utilizando sólo las escobillas. Para ayudar a éstas en la limpieza se dispone de un sistema de lavado del parabrisas, que consiste en enviar un chorro de líquido lavaparabrisas a presión a través de unos tubos flexibles hasta los surtidores situados frente al cristal del parabrisas mismo tiempo que se hacen mover las escobillas. El dispositivo se activa mediante un pulsador de mando situado en la misma palanca de activación de limpiaparabrisas.
El sistema lavaparabrisas está constituido por un depósito de agua, un filtro, conductores de plástico flexible, surtidores y una electrobomba centrífuga situada en el interior del depósito. Además, puede disponerse también un detector de nivel de líquido en el depósito y un sistema calefactable en los surtidores.
En los vehículos con detector de nivel del líquido lavaparabrisas un testigo en el cuadro avisa al conductor cuando desciende el nivel en el depósito. Este detector puede estar formado por contactos REED o por un flotador que comanda el cursor de un potenciómetro.
En el caso de surtidores calefactables, un sensor de temperatura con un módulo electrónico activa la calefacción de los surtidores en función de la temperatura exterior. De esta forma el sistema evita que se congelen los surtidores para que así el líquido salga, pero no calienta el líquido del depósito.
En el caso de disponer el vehículo de lavaluneta, la bomba empleada es bidireccional y mediante la inversión de la polaridad en su alimentación se invierte el giro, consiguiendo que el líquido sea enviado por la salida opuesta hacia el surtidor situado sobre la luneta. Sin embargo, en vehículos más antiguos podemos encontrar un depósito con dos bombas (para el parabrisas y para la luneta) o incluso dos depósitos independientes u ubicados en lugares distintos (cofre motor y maletero), cada uno de los cuales disponía de su propia bomba.
12.5.- Limpia-lava luneta y lavafaros.
¿Te has preguntado alguna vez por qué algunos vehículos disponen de lavaluneta y otros no?
Los limpialuneta y lavaluneta presentan una constitución idéntica al sistema del parabrisas, pero con dos peculiaridades: un periodo de funcionamiento más reducido y el empleo de un solo brazo. Estos sistemas son empleados en los automóviles con portón trasero debido a que su luneta trasera se ensucia en exceso con la cortina de barro o polvo que levanta la turbulencia provocada por las ruedas traseras del mismo vehículo.
Cuando con el limpiaparabrisas activado, tanto en modalidad de funcionamiento manual como automática (sensor de lluvia), se embraga la marcha atrás, la centralita del salpicadero recibe la señal del interruptor de marcha atrás y la transmite al módulo electrónico de la palanca de mando que activa el motor del limpialuneta.
Como ya hemos comentado en el apartado anterior, para el sistema de lavado suele emplearse el mismo depósito y bomba del lavaparabrisas, mediante un sistema de bomba bidireccional e inversión de la polaridad para poder dirigir el líquido lavaparabrisas a presión a la luneta.
La instalación de los lavafaros tiene como objetivo limpiar y mantener en condiciones óptimas de limpieza la superficie de los grupos ópticos delanteros. Este sistema es obligatorio en aquellos vehículos que están equipados con faros de xenón debido a que la suciedad en ellos supone una pérdida de luminosidad y además produce la desviación de los haces de luz que provocan el deslumbramiento de los demás usuarios de la vía.
El conjunto de un sistema de lavafaros está constituido por los siguientes componentes:
- Depósito de líquido, que suele ser de mayor volumen que cuando sólo es empleado para el lavaparabrisas y lavaluneta.
- Electrobomba en el depósito del líquido lavaparabrisas.
- Centralita o relé para la activación temporizada. En el caso de control por centralita, cada cinco accionamientos del lavaparabrisas se envía un ciclo automático de lavado de los faros, mientras que con control mediante relé, un temporizador integrado es el elemento que determina cuando se activa un ciclo de lavado de los faros.
- Conjunto de tuberías flexibles.
- Pulverizadores fijos o extensibles telescópicamente con surtidores ya orientados, por lo que no hay prevista operación alguna de reglaje. Disponen de una cámara de turbulencia especial para que, al llegar el líquido a presión a ellas, éste sea impulsado en forma de cono sobre el faro para arrastrar la suciedad.
La activación, sólo con el encendido del vehículo y las luces encendidas, se efectúa por medio del mando del lavaparabrisas en la palanca de mando que identifica la acción de lavado del parabrisas.
13.- Sistemas de transmisión de datos.
Los distintos sistemas de control electrónico disponen de unidades de control que reciben información de los sensores y captadores del vehículo y la procesan según los parámetros impuestos por el fabricante para enviarla posteriormente a los diferentes actuadores.
El elevado número de sistemas de control electrónico ha traído consigo la necesidad de un gran número de centralitas. Debido a la complejidad de las funciones implementadas en los sistemas, se necesita un intercambio de datos entre las distintas centralitas, denominándose como redes multiplexadas las redes de comunicación entre todas las unidades.
La información suministrada por los sensores y captadores de un vehículo es utilizada por varias unidades de control. Para que no sea necesario el empleo de un sensor o captador para cada una de las funciones de cada unidad de control y de un elevado número de hilos conductores, la comunicación resulta más sencilla mediante el empleo de redes multiplexadas en las que el sensor envía la información a una única unidad y ésta se encarga de proporcionar dicha información a las demás unidades.
De este modo, la red multiplexada del vehículo es la red de comunicación funcional principal del mismo, que transmite por el mismo medio un gran número de informaciones sin que éstas se interfieran.
Las principales ventajas que conlleva el empleo de las redes multiplexadas en los vehículos son las siguientes:
- Es un protocolo de comunicaciones normalizado, con lo que se simplifica y economiza la tarea de comunicar subsistemas de diferentes fabricantes sobre una red común o bus.
- Supresión de captadores redundantes.
- Reparto de las funciones en el vehículo, pues los principales calculadores presentes en la red multiplexada gestionan varias funciones.
- El procesador anfitrión delega la carga de comunicaciones a un periférico inteligente, por lo tanto el procesador anfitrión dispone de mayor tiempo para ejecutar sus propias tareas.
- Al ser una red multiplexada, reduce considerablemente el cableado y elimina las conexiones punto a punto, excepto en los enganches.
- Las unidades de control son de menor dimensión al disponer de menos conexiones.
- Una mayor fiabilidad, seguridad y velocidad de transmisión de la información.
- Permite centralizar las funciones de diagnosis a través de una puerta de acceso o gateway como interfaz de comunicación entre varias de redes de un mismo vehículo.
13.1.- Transmisión de datos.
¿Qué son los datos y cómo se transmiten?
Las instalaciones eléctricas de los automóviles actuales son cada vez más complejas debido al incremento de los aparatos eléctricos y sistemas electrónicos que se disponen. La comunicación digital es la base de cada una de las redes y de la tecnología empleada en las unidades de control electrónico. A diferencia de la técnica analógica, en la que existen estados variables, en la técnica digital sólo existen dos estados, un cero y un uno, que en electrónica equivalen a dos niveles de tensión. Podemos hablar de lógica de control positiva cuando se asocia el uno a presencia de tensión y el cero a ausencia, mientras que con la lógica de control negativa el uno se asocia a la ausencia y el cero a la presencia de tensión. Estos ceros y unos crean el lenguaje para la comunicación entre las unidades de control. Agrupando las señales de cero y uno se obtienen mensajes codificados que pueden transmitir gran cantidad de datos a las unidades de control de los vehículos.
La comunicación empleada en los vehículos es la transmisión en serie, estando las unidades de control unidas por una sola línea de datos. Su ventaja es el menor número de cables y conectores y la menor complejidad del sistema y, aunque es más lenta que la comunicación paralela, alcanza una velocidad suficiente para la transmisión de datos en los vehículos.
En las redes multiplexadas utilizadas en el vehículo se puede distinguir como elementos diferenciadores:
- La velocidad de transmisión de datos.
- El soporte de transmisión de datos o tipo de señal empleada.
- Las reglas de transmisión de datos o protocolo.
En un mismo vehículo los fabricantes disponen diferentes redes con distintas velocidades de transmisión, distintos tipos de señales y distintos protocolos. Las diferentes velocidades de transmisión sirven para transmitir una elevada cantidad de datos con rapidez. Cuanto más rápida sea la transmisión de datos, mayor será el precio de los componentes.
Existen diversos protocolos de comunicación, siendo los empleados mayoritariamente: CAN, VAN, LIN, MOST y FlexRay.
El tipo de señal empleada en la transmisión de datos determina el soporte de transmisión, pudiéndose emplear cables eléctricos, cables de fibra óptica o señales de radiofrecuencia.
Los modernos sistemas multiplexados incorporan en su interior un apartado capaz de comprobar su propio funcionamiento. Cuando surge alguna anomalía ésta queda almacenada en forma de código en su memoria interna. A través del conector de diagnosis la información se obtiene más tarde en el taller. El funcionamiento de estos sistemas se basa en la utilización de un apartado del programa en la UCE que vela continuamente por el estado de los sensores y actuadores. En caso de que un sensor mida parámetros fuera de rango o imposibles con respecto a otros, automáticamente se desprecia la señal de ese sensor y se aplican valores sustitutivos.
13.2.- CAN.
La red multiplexada CAN o red de controladores de área fue desarrollada por el fabricante de componentes electrónicos Bosch.
El intercambio de datos en esta red se realiza sin orientar los datos a una unidad de control determinada. De esta forma, en un determinado momento la unidad de control de un determinado sistema necesita enviar un mensaje a una o varias unidades de control, con lo que lo construye y lo transmite a la red CAN. Tras la transmisión del mensaje, éste es recibido por todas las unidades de control de la red y cada una de estas unidades realiza un test de aceptación para determinar si la información recibida es relevante para ese sistema siendo procesada en este caso e ignorada en caso contrario.
La red CAN de un vehículo está formada por un controlador y un transceptor ubicados dentro de cada unidad de control y dos cables eléctricos para la transmisión de datos en cuyos extremos de cada uno se coloca una resistencia como elemento final del bus.
La información se transmite mediante impulsos eléctricos en forma de señal cuadrada a través del bus de datos formado por los dos cables, que se disponen entrelazados para cancelar los campos magnéticos exteriores de la línea. Las señales sobre el bus son complementarias, estableciéndose la información por diferencia de tensión entre los dos cables para evitar los efectos perturbadores de líneas adyacentes y asegurando así una protección contra interferencias externas, pues ante un impulso de interferencia, éste afecta en el mismo punto y por igual a los dos cables, manteniéndose la diferencia de tensión.
La longitud de los cables está limitada en función de la velocidad de transmisión, que en el caso de redes de alta velocidad llega hasta 1 Mbps, mientras que en las de baja velocidad es de 250 Kbps.
Cada uno de los cables del bus tiene una denominación, CAN-High (CAN-H) para señales de nivel alto de tensión y CAN-Low (CAN-L) para señales de nivel bajo.
Puedes observar en la figura como las señales eléctricas de los cables son simétricas con respecto a una tensión media. Así, si la tensión en CAN-H menos la tensión en CAN-L es igual o superior a 2 voltios, el bit se encuentra a cero (llamado dominante), mientras que si la diferencia de tensión entre ambos cables es igual a cero, el bit se encuentra a uno (llamado recesivo). Esta operación es realizada internamente en cada unidad de control.
Puedes observar en la siguiente figura que un mensaje en la red CAN consiste en un enlace de datos dividido en siete secciones o campos, que desde la primera a la última son:
- El campo de comienzo señala el comienzo del mensaje mediante la transmisión de un bit.
- El campo de estado o identificador define la prioridad del mensaje.
- El campo de control especifica la cantidad de información que contiene el campo de datos, es decir, el número de bits que se está transmitiendo.
- El campo de datos contiene información útil para el resto de unidades de control.
- El campo de aseguramiento sirve para detectar fallos en la transmisión.
- El campo de confirmación sirve para que los receptores indiquen al transmisor que han recibido correctamente el mensaje y si detectan cualquier fallo, informan de inmediato al transmisor para que repita el mensaje.
- El campo de fin indica el fin del mensaje.
13.3.- VAN.
La red VAN es un bus específico para la comunicación entre unidades de control en vehículos desarrollada por el grupo PSA y Renault. Es muy similar a CAN y ha sido empleada en sistemas que no requieren de una elevada transmisión de datos, pues su velocidad se encuentra limitada a 125 Kbps.
Una red VAN está formada por las unidades de control, constituidas por un transceptor y un controlador que incluye un microprocesador y por un par de cables conductores eléctricos denominados Data y Data B (también denominado este último como Data /). Estos cables no disponen de resistencias de terminación en sus extremos de cada cable, pero sí en la conexión de las unidades de control a aquellos.
Una red VAN funciona de forma similar a una red CAN, diferenciándose en las señales sobre el bus, que no son complementarias sino que, tal y como puedes observar en la siguiente figura, son simétricas respecto a una tensión media.
Como puedes observar, en ambos cables se emplean tensiones de 0 y 5 voltios, de forma que en el cable Data B siempre se presenta una tensión opuesta a la existente en el cable Data. Si la tensión en Data menos la tensión en Data B es mayor que cero, el bit se encuentra a 1. Si la tensión en Data menos la tensión en Data B es menor que cero, el bit se encuentra a 0.
En la siguiente figura puedes observar un mensaje en la red VAN con sus nueve campos y la longitud de cada uno, siendo la función de cada campo, desde el primero al último, la siguiente:
- Principio de trama, que marca el inicio.
- Identificador, que identifica a los destinatarios.
- Mandato, que indica el tipo de mensaje (petición o envío de datos).
- Datos, que consiste en el propio mensaje en sí.
- Control de validez del mensaje o transmisión íntegra de todos los datos.
- Fin de datos.
- Confirmación, para indicar la correcta recepción del mensaje.
- Fin de trama, que indica el final del mensaje.
- Separador de trama.
13.4.- LIN.
La red LIN fue creada por un consorcio de fabricantes y proveedores de vehículos (Audi, BMW, Daimler Chrysler, Volvo, Volkswagen, Volcano Communications y Motorola) con el objeto de lograr una red de bajo coste para su empleo en aquellos sistemas que no requieren una elevada velocidad de transmisión.
En este tipo de red los datos se transmiten a una velocidad máxima de 20 Kbps, determinada por el software utilizado por las unidades de control. Al igual que en las redes CAN y VAN, la señal transmitida es eléctrica, pero a través de un solo cable. Esta existencia de un solo cable presenta el riesgo de perturbaciones electromagnéticas, por lo que resulta es importante para el buen funcionamiento que la señal se mantenga dentro de las tolerancias de tensión; de esta forma no es necesario el apantallamiento.
En este bus de datos se establece un intercambio de datos entre unidades de control, denominadas esclavas y una maestra por cada subsistema. Como puedes ver en la figura, la unidad maestra es la encargada de transmitir los datos de la red LIN al bus CAN al cual va conectada. Así, las distintas redes LIN del vehículo intercambian información a través de la red CAN.
El mensaje en la red LIN es enviado cíclicamente por la unidad de control maestra, precedido de un encabezamiento.
En la siguiente figura puedes observar la señal de encabezamiento de un bus LIN y cómo ésta se encuentra formada por cuatro campos, que ordenados desde el primero al último, son:
- Pausa de sincronización, que comunica a todas las unidades de control esclavas del LIN el comienzo del mensaje.
- Limitación de la sincronización, que señala el límite del comienzo del campo de sincronización.
- Campo de sincronización, que sincroniza todas las unidades de control esclavas de la red LIN con la unidad de control maestra, para disponer de una transmisión de datos exenta de errores.
- Campo del identificador, que contiene el identificador del mensaje e indica el número de campos de datos que contiene la respuesta (de 0 a 8 campos).
A continuación puedes ver la señal que conforma el mensaje, que puede ser de dos tipos; en ambos casos la unidad de control maestra, por medio del campo identificador, envía una orden a las unidades de control esclavas.
- Mensaje con mandato maestro: la unidad de control maestra ordena a las unidades esclavas que utilicen los datos contenidos en la respuesta transmitida por la propia unidad maestra. Las unidades esclavas procesan los datos y los emplean en la ejecución de funciones.
- Mensaje con respuesta esclava: la unidad de control maestra ordena a las unidades esclavas que transmitan una determinada información.
13.5.- Fibra óptica.
La fibra óptica es empelada por los proveedores de Internet y por los fabricantes de vehículos. ¿Qué tienen ambos en común?
La fibra óptica es un medio de transmisión empleado habitualmente en redes de datos; un hilo muy fino de material transparente, vidrio o materiales plásticos por el que se envían pulsos de luz que representan los datos a transmitir. El haz de luz queda completamente confinado y se propaga por el interior de la fibra con un ángulo de reflexión óptimo. La fuente de luz puede ser láser o un diodo led.
Las principales ventajas que ofrece la fibra óptica en la transmisión de datos son:
- Banda de paso de datos muy ancha.
- Pequeño tamaño y ligereza.
- Gran flexibilidad.
- Inmunidad a las perturbaciones electromagnéticas.
La utilización en los vehículos de la fibra óptica viene impuesta por las múltiples ventajas citadas y por la necesidad de transmisión de datos multimedia a una elevada velocidad en los sistemas de información y de entretenimiento, tales como vídeo, telefonía, navegador, etc.
Los cables de fibra óptica empleados en los vehículos deben cumplir las siguientes exigencias:
- Ser flexible y tener un radio de curvatura no inferior a 25 mm.
- Conducir las ondas luminosas con amortiguaciones mínimas.
- Garantizar su correcto funcionamiento en un margen de temperaturas entre -40 ºC y 85 ºC.
Un cable de fibra óptica está formado por cuatro capas:
- La interior o núcleo, que constituye el conductor de las ondas luminosas.
- Una segunda capa reflectante que recubre al núcleo para conseguir una reflexión total.
- Una tercera o camisa negra que protege el núcleo contra la penetración de la luz exterior.
- Una cuarta capa o camisa de color, exterior, que identifica al conductor y lo protege contra daños mecánicos y excesos de temperatura.
Los cables de fibra óptica utilizan conectores especiales.
La transmisión de la señal luminosa en el cable de fibra óptica se basa en el principio de reflexión total. De esta forma, al incidir un rayo lumínico entre la capa límite de dos materiales de diferente densidad óptica, siendo el ángulo de incidencia pequeño, el rayo se refleja totalmente y sigue una trayectoria en zigzag a lo largo del núcleo.
13.6.- MOST.
MOST es un estándar de bus de datos que se destina a la interconexión de componentes multimedia en automóviles y otros vehículos, siendo su diferencia principal con respecto a otros estándares de buses en automóviles que está basado en un bus de fibra óptica. Esta característica le permite un tráfico de datos superior al del resto de buses del automóvil que has visto hasta ahora (21 Mbps frente a 1 Mbps de velocidad máxima en las redes CAN).
Este bus se emplea en automoción en la transmisión de datos en los sistemas de información y entretenimiento. En la siguiente figura puedes observar los componentes de un sistema multimedia con conexión mediante un bus MOST, siendo su conexión en anillo cerrado.
Los componentes físicos de una red MOST son la unidad de control y el conductor.
- La unidad de control está formada por un conector óptico para el envío y recepción de las señales luminosas y un conector eléctrico para su alimentación eléctrica. Asimismo, la unidad dispone de un transceptor con dos componentes, un transmisor y receptor para la conversión de las señales de tensión en señales luminosas y viceversa.
- El conductor optoelectrónico o cable de fibra óptica es el encargado de conducir las señales en forma de ondas luminosas entre unidades de control.
El mensaje en una red MOST contiene 16 partes denominadas encuadres. Cada encuadre es transmitido por una unidad de control hacia la siguiente unidad en forma circular o de anillo a una frecuencia de 44,1 kHz, que coincide con la frecuencia de transmisión de los aparatos digitales.
En la siguiente figura puedes observar el tamaño del encuadre, que está dividido en siete campos y que desde el primero al último son:
- Campo de comienzo, que marca el comienzo del encuadre.
- Campo delimitador, que sirve para separar de forma inequívoca el preámbulo del campo de datos que va seguidamente.
- Campo de datos, es el campo destinado a transmitir los datos de utilidad hacia las unidades de control.
- Byte de verificación 1, que transmite el identificador del transmisor y del receptor, así como las sentencias hacia el receptor.
- Byte de verificación 2, similar al anterior.
- Campo de estado, que contiene la información sobre la transmisión del encuadre para el receptor.
- Campo de paridad, que se encarga de revisar en último extremo la completitud del encuadre y decide si ha de repetir una operación de transmisión.
13.7.- FlexRay.
FlexRay es un nuevo bus de datos para las comunicaciones de datos en el automóvil desarrollado por el consorcio FlexRay (constituido por varios fabricantes de automóviles y de componentes electrónicos). Se considera más avanzado que el CAN y el MOST en lo relativo a prestaciones.
FlexRay surgió por la necesidad de crear un protocolo que permitiese la conexión de un mayor número de centralitas a un mismo bus de datos, pues los vehículos disponen cada vez de un mayor número de estas y esto puede ocasionar la sobrecarga del bus y el bloqueo de las unidades (al intentar volcar las centralitas datos bus simultáneamente), no siendo efectivo el sistema de prioridad de mensajes empleado.
En la siguiente figura puedes observar un ejemplo de bus FlexRay interconectado con un bus CAN y otro MOST, así como los sistemas que comunica cada bus.
El sistema FlexRay puede ser empleado para transmisiones de datos a través de diferentes medios físicos: cable eléctrico o fibra óptica, alcanzando una velocidad de 10 Mbps.
En el protocolo FlexRay cada centralita dispone de un momento exacto y un intervalo de tiempo para transmitir, también denominado spot, del orden de milisegundos, de forma que si tiene que enviar datos, lo hará en el tiempo y el momento que tiene asignados, controlado por el reloj del sistema. De esta forma, cada centralita tiene un reloj independiente que no puede tener una desviación superior a un 0,15% respecto al reloj de referencia y para enviar problemas de desfase debidos a la acumulación de adelantos o retrasos de unos relojes respecto a otros, éstos se reajustan frecuentemente.
El mensaje o trama está formado por un conjunto de bits que se dividen en los siguientes paquetes, desde el primero al último:
- Señal de inicio de transmisión, compuesta por un bit 0.
- Señal de inicio de la estructura, compuesta por un bit 1.
- Señal enviada n veces, dependiendo del mensaje, compuesta por la señal de inicio de byte 0 o la señal de inicio de byte 1 y un conjunto formado por 8 bits.
- Señal de fin de la estructura, formada por un bit 0.
- Señal de fin de la transmisión, formada por un bit 1.
13.8.- Bluetooth.
Seguro que tienes un teléfono móvil con Bluetooth.
La tecnología Bluetooth es una técnica inalámbrica que posibilita la transmisión de voz y datos en corto alcance, en la que los datos se transmiten mediante ondas de radio de 2,4 GHz de frecuencia.
Los dispositivos Bluetooth pueden clasificarse por su velocidad de transmisión, desde 1 Mbps para la versión 1.2 hasta 24 Mbps ppara la versión 4.0.
En la actualidad esta tecnología es empleada en el vehículo para la conexión entre un teléfono móvil y el dispositivo manos libres del vehículo, permitiendo utilizar el teléfono móvil a través del sistema de audio del vehículo. Gracias a este protocolo, los citados dispositivos pueden comunicarse entre ellos cuando se encuentran dentro de su alcance. Las comunicaciones se realizan por radiofrecuencia de forma que los dispositivos no tienen que estar alineados.
Los módulos Bluetooth son pequeños y compactos e integran un chip que dispone de un transceptor de radiofrecuencia, un microprocesador, una antena y un componente de reducción de interferencias para eliminar las frecuencias cercanas a la banda de frecuencia de transmisión.
La utilización de esta tecnología para el intercambio de datos entre las distintas centralitas del vehículo presenta como principal problema el de la seguridad, pues una red de frecuencias de radio es más propensa que una red cableada a ataques de intrusos informáticos.
Para evitar los ataques de intrusos, durante la autentificación entre los dispositivos que se conectan por Bluetooth se genera una clave secreta de 128 bits de reconocimiento mutuo a la que se aplica un algoritmo.
Anexo.- Licencias de recursos.
| Recurso (1) | Datos del recurso (1) | Recurso (2) | Datos del recurso (2) |
|---|---|---|---|
![]() |
Autoría: José Manuel Alonso. Licencia: Copyright (cita). Procedencia: Libro: Circuitos electrotécnicos básicos. Sistemas de carga y arranque. Ed. Paraninfo (2002). |
![]() |
Autoría: Edoarado. Licencia: CC BY-SA. Procedencia: http://commons.wikimedia.org/wiki/File:Alternador.svg |
![]() |
Autoría: José Manuel Alonso. Licencia: Copyright (cita). Procedencia: Libro: Circuitos electrotécnicos básicos. Sistemas de carga y arranque. Ed. Paraninfo (2002). |
![]() |
Autoría: Glogger. Licencia: GNU-GPL. Procedencia: http://commons.wikimedia.org/wiki/File:Getting_behind_the_tridge_rectifier.jpg |
![]() |
Autoría: José Manuel Alonso. Licencia: Copyright (cita). Procedencia: Libro: Circuitos electrotécnicos básicos. Sistemas de carga y arranque. Ed. Paraninfo (2002). |
Autoría: José Manuel Alonso. Licencia: Copyright (cita). Procedencia: Libro: Circuitos electrotécnicos básicos. Sistemas de carga y arranque. Ed. Paraninfo (2002). |
|
![]() |
Autoría: José Manuel Alonso. Licencia: Copyright (cita). Procedencia: Libro: Circuitos electrotécnicos básicos. Sistemas de carga y arranque. Ed. Paraninfo (2002). |
![]() |
Autoría: ShakataGaNai. Licencia: CC BY-SA. Procedencia: http://commons.wikimedia.org/wiki/File:Maker_Faire_2008_San_Mateo_153.JPG |
|
Autoría: José Guillermo Tena Sánchez. Licencia: Copyright (cita). Procedencia: Libro: Circuitos electrotécnicos básicos. Sistemas de carga y arranque. Ed. Paraninfo (2009). |
![]() |
Autoría: José Guillermo Tena Sánchez. Licencia: Copyright (cita). Procedencia: Libro: Circuitos electrotécnicos básicos. Sistemas de carga y arranque. Ed. Paraninfo (2009). |
|
|
Autoría: Hatsukari715. Licencia: Dominio público. Procedencia: http://commons.wikimedia.org/wiki/File:Ni-MH_Battery_01.JPG |
![]() |
Autoría: JMPerez. Licencia: CC BY-SA. Procedencia: http://es.wikipedia.org/wiki/Archivo:PriusBatteryModule.jpg |
|
![]() |
Autoría: Maxwell Technologies. Licencia: CC BY-SA. Procedencia: http://es.wikipedia.org/wiki/Archivo:Maxwell_MC_and_BC_ultracapacitor_cells_and_modules.jpg |
![]() |
Autoría: José Manuel Alonso. Licencia: Copyright (cita). Procedencia: Libro: Circuitos electrotécnicos básicos. Sistemas de carga y arranque. Ed. Paraninfo (2002). |
![]() |
Autoría: José Guillermo Tena Sánchez. Licencia: Copyright (cita). Procedencia: Libro: Circuitos electrotécnicos básicos. Sistemas de carga y arranque. Ed. Paraninfo (2009). |
![]() |
Autoría: José Manuel Alonso. Licencia: Copyright (cita). Procedencia: Libro: Circuitos electrotécnicos básicos. Sistemas de carga y arranque. Ed. Paraninfo (2002). |
![]() |
Autoría: José Manuel Alonso. Licencia: Copyright (cita). Procedencia: Libro: Circuitos electrotécnicos básicos. Sistemas de carga y arranque. Ed. Paraninfo (2002). |
![]() |
Autoría: José Manuel Alonso. Licencia: Copyright (cita). Procedencia: Libro: Circuitos electrotécnicos básicos. Sistemas de carga y arranque. Ed. Paraninfo (2002). |
![]() |
Autoría: José Guillermo Tena Sánchez. Licencia: Copyright (cita). Procedencia: Libro: Circuitos electrotécnicos básicos. Sistemas de carga y arranque. Ed. Paraninfo (2009). |
Autoría: José Manuel Alonso. Licencia: Copyright (cita). Procedencia: Libro: Circuitos electrotécnicos básicos. Sistemas de carga y arranque. Ed. Paraninfo (2002). |
|
![]() |
Autoría: José Guillermo Tena Sánchez. Licencia: Copyright (cita). Procedencia: Libro: Circuitos electrotécnicos básicos. Sistemas de carga y arranque. Ed. Paraninfo (2009). |
![]() |
Autoría: José Manuel Alonso. Licencia: Copyright (cita). Procedencia: Libro: Circuitos electrotécnicos básicos. Sistemas de carga y arranque. Ed. Paraninfo (2002). |
|
Autoría: Willdre. Licencia: CC BY-SA. Procedencia: http://commons.wikimedia.org/wiki/File:Automobile_starter_2.JPG |
![]() |
Autoría: Revista Técnica del Automóvil. Licencia: Copyright (cita). Procedencia: Nº 083. Junio 2000. Ed. ANETO-ETA.I. (2000). |
|
![]() |
Autoría: Revista Técnica del Automóvil. Licencia: Copyright (cita). Procedencia: Nº 083. Junio 2000. Ed. ANETO-ETA.I. (2000). |
![]() |
Autoría: José Guillermo Tena Sánchez. Licencia: Copyright (cita). Procedencia: Libro: Circuitos electrotécnicos básicos. Sistemas de carga y arranque. Ed. Paraninfo (2009). |
![]() |
Autoría: José Guillermo Tena Sánchez. Licencia: Copyright (cita). Procedencia: Libro: Circuitos electrotécnicos básicos. Sistemas de carga y arranque. Ed. Paraninfo (2009). |
Autoría: DnetSvg. Licencia: CC BY-SA. Procedencia: http://commons.wikimedia.org/wiki/File:Circuit_elements.svg |
|
![]() |
Autoría: Michelangelo-36. Licencia: CC BY-SA. Procedencia: http://es.wikipedia.org/wiki/Archivo:ACCIDENTE.jpg |
![]() |
Autoría: Liftarn. Licencia: CC BY-SA. Procedencia: http://es.wikipedia.org/wiki/Archivo:Intertial-reel.jpg |
![]() |
Autoría: Lupin. Arpingstone. Licencia: Dominio público. Procedencia: http://commons.wikimedia.org/wiki/File:Airbag_SEAT_Ibiza.jpg? |
![]() |
Autoría: Silverxxx. Licencia: CC BY-SA. Procedencia: http://commons.wikimedia.org/wiki/File:Car_alarm_siren.jpg |
![]() |
Autoría: Instituto de servicio SEAT, S.A. Licencia: Copyright (cita). Procedencia: Sistema eléctrico Exeo. Cuaderno didáctico nº124. 1ª Edición. 2008. |
![]() |
Autoría: CsChirp. Licencia: Dominio público. Procedencia: http://es.wikipedia.org/wiki/Archivo:Windowlifter_motor.JPG |
![]() |
Autoría: José Manuel Alonso. Licencia: Copyright (cita). Procedencia: Libro: Circuitos eléctricos auxiliares. Ed. Paraninfo (2004). |
![]() |
Autoría: Ángel Sanz González. Licencia: Copyright (cita). Procedencia: Libro: Prácticas de Automoción 2·1. Ed. Don Bosco (1983). |
|
Autoría: Scott Ehardt. Licencia: Dominio público. Procedencia: http://es.wikipedia.org/wiki/Archivo:Stranded_lamp_wire.jpg |
![]() |
Autoría: Revista Técnica del Automóvil. Licencia: Copyright (cita). Procedencia: Nº 083. Junio 2000. Ed. ANETO-ETA.I. (2000). |
|
![]() |
Autoría: Revista Técnica del Automóvil. Licencia: Copyright (cita). Procedencia: Nº 083. Junio 2000. Ed. ANETO-ETA.I. (2000). |
![]() |
Autoría: Revista Técnica del Automóvil. Licencia: Copyright (cita). Procedencia: Nº 105. Junio 2002. Ed. ANETO-ETA.I. (2002). |
![]() |
Autoría: Revista Técnica del Automóvil. Licencia: Copyright (cita). Procedencia: Nº 105. Junio 2002. Ed. ANETO-ETA.I. (2002). |
Autoría: Revista Técnica del Automóvil. Licencia: Copyright (cita). Procedencia: Nº 105. Junio 2002. Ed. ANETO-ETA.I. (2002). |
|
|
Autoría: José Manuel Alonso. Licencia: Copyright (cita). Procedencia: Libro: Circuitos eléctricos auxiliares. Ed. Paraninfo (2004). |
Autoría: José Manuel Alonso. Licencia: Copyright (cita). Procedencia: Libro: Circuitos eléctricos auxiliares. Ed. Paraninfo (2004). |
||
![]() |
Autoría: José Manuel Alonso. Licencia: Copyright (cita). Procedencia: Libro: Circuitos eléctricos auxiliares. Ed. Paraninfo (2004). |
![]() |
Autoría: José Manuel Alonso. Licencia: Copyright (cita). Procedencia: Libro: Circuitos eléctricos auxiliares. Ed. Paraninfo (2004). |
![]() |
Autoría: TuningPedia S.L. Licencia: CC BY. Procedencia: http://www.tuningpedia.org/Sensores_de_aparcamiento |
![]() |
Autoría: Revista Técnica del Automóvil. Licencia: Copyright (cita). Procedencia: Nº 105. Junio 2002. Ed. ANETO-ETA.I. (2002). |
![]() |
Autoría: Revista Técnica del Automóvil. Licencia: Copyright (cita). Procedencia: Nº 105. Junio 2002. Ed. ANETO-ETA.I. (2002). |
![]() |
Autoría: Revista Técnica del Automóvil. Licencia: Copyright (cita). Procedencia: Nº 105. Junio 2002. Ed. ANETO-ETA.I. (2002). |
![]() |
Autoría: José Manuel Alonso. Licencia: Copyright (cita). Procedencia: Libro: Circuitos eléctricos auxiliares. Ed. Paraninfo (2004). |
Autoría: José Manuel Alonso. Licencia: Copyright (cita). Procedencia: Libro: Circuitos eléctricos auxiliares. Ed. Paraninfo (2004). |
|
![]() |
Autoría: José Manuel Alonso. Licencia: Copyright (cita). Procedencia: Libro: Circuitos eléctricos auxiliares. Ed. Paraninfo (2004). |
![]() |
Autoría: José Manuel Alonso. Licencia: Copyright (cita). Procedencia: Libro: Circuitos eléctricos auxiliares. Ed. Paraninfo (2004). |
![]() |
Autoría: Revista Técnica del Automóvil. Licencia: Copyright (cita). Procedencia: Nº 105. Junio 2002. Ed. ANETO-ETA.I. (2002). |
![]() |
Autoría: Malinaccier. Licencia: CC BY. Procedencia: http://commons.wikimedia.org/wiki/File:Rain_on_windscreen.jpg |
![]() |
Autoría: Instituto de servicio SEAT, S.A. Licencia: Copyright (cita). Procedencia: Bixenón con luz de viraje dinámica. Cuaderno didáctico nº108. 1ª Edición. 2006. |
Autoría: Tony R. Kuphaldt. Licencia: CC BY. Procedencia: http://commons.wikimedia.org/wiki/File:Telephony_multiplexer_system.gif |
|
|
Autoría: Evaristo Serrano Minchan. Licencia: Copyright (cita). Procedencia: Libro: Circuitos eléctricos auxiliares del vehículo. Ed. Editex (2006). |
![]() |
Autoría: Evaristo Serrano Minchan. Licencia: Copyright (cita). Procedencia: Libro: Circuitos eléctricos auxiliares del vehículo. Ed. Editex (2006). |
|
|
Autoría: José Manuel Alonso. Licencia: Copyright (cita). Procedencia: Libro: Circuitos electrotécnicos básicos. Sistemas de carga y arranque. Ed. Paraninfo (2002). |
![]() |
Autoría: María José Llanos López. Licencia: Copyright (cita). Procedencia: Libro: Circuitos eléctricos auxiliares del vehículo. Ed. Paraninfo (2011). |
|
![]() |
Autoría: María José Llanos López. Licencia: Copyright (cita). Procedencia: Libro: Circuitos eléctricos auxiliares del vehículo. Ed. Paraninfo (2011). |
![]() |
Autoría: Evaristo Serrano Minchan. Licencia: Copyright (cita). Procedencia: Libro: Circuitos eléctricos auxiliares del vehículo. Ed. Editex (2006). |
![]() |
Autoría: Evaristo Serrano Minchan. Licencia: Copyright (cita). Procedencia: Libro: Circuitos eléctricos auxiliares del vehículo. Ed. Editex (2006). |
Autoría: BigRiz. Licencia: CC BY-SA. Procedencia: http://es.wikipedia.org/wiki/Archivo:Fibreoptic.jpg |
|
![]() |
Autoría: Hustvedt. Licencia: CC BY-SA. Procedencia: http://es.wikipedia.org/wiki/Archivo:Fiber_optic_illuminated.jpg |
![]() |
Autoría: Adamantios. Licencia: CC BY-SA. Procedencia: http://es.wikipedia.org/wiki/Archivo:ST-optical-fiber-connector-hdr-0a.jpg |
![]() |
Autoría: María José Llanos López. Licencia: Copyright (cita). Procedencia: Libro: Circuitos eléctricos auxiliares del vehículo. Ed. Paraninfo (2011). |
![]() |
Autoría: Evaristo Serrano Minchan. Licencia: Copyright (cita). Procedencia: Libro: Circuitos eléctricos auxiliares del vehículo. Ed. Editex (2006). |
![]() |
Autoría: María José Llanos López. Licencia: Copyright (cita). Procedencia: Libro: Circuitos eléctricos auxiliares del vehículo. Ed. Paraninfo (2011). |
![]() |
Autoría: DBGthekafu. Licencia: Copyright (cita). Procedencia: http://commons.wikimedia.org/wiki/File:Bluetooth_bw.png |
![]() |
Autoría: Zuzu. Licencia: CC BY-SA. Procedencia: http://commons.wikimedia.org/wiki/File:Car_dashboard_with_MEX-BT2500_head_unit_and_BCT-15_radio_scanner_installed_and_illuminated.jpeg |



















































































































