Ejercicio 01 01 01:

Calcular la resistencia equivalente a tres resistencias de valores respectivos 5Ω, 10Ω y 25 Ω conectadas en serie.


Ejercicio 01 01 02:

La resistencia equivalente a un conjunto de resistencias conectadas en serie siempre es...


Ejercicio 01 01 03:

Calcular la resistencia equivalente a tres resistencias de valores respectivos 5Ω, 100Ω y 25Ω conectadas en paralelo.


Ejercicio 01 01 04:

La resistencia equivalente a un conjunto de resistencias conectadas en paralelo siempre es...


Ejercicio 01 01 05:

Calcular la resistencia equivalente a cuatro resistencias de valores respectivos 0,2kΩ, 250Ω, 3kΩ, 0,7MΩ conectadas en serie.
Expresar el resultado en mΩ, Ω, kΩ y MΩ.


Ejercicio 01 01 06:

Calcular la resistencia equivalente a 5 resistencias de valor 5Ω conectadas en paralelo.


Ejercicio 01 01 07:

Calcular la resistencia equivalente al siguiente acoplamiento:



Ejercidio 01 01 08:

Calcular la resistencia equivalente al siguiente acoplamiento:



Ejercicio 01 01 09:

Calcular la resistencia equivalente al siguiente acoplamiento:


Ejercicio 01 01 10:

Calcular la resistencia equivalente al siguiente acoplamiento:



Ejercicio 01 01 11:

Calcular la resistencia equivalente al siguiente acoplamiento:



Ejercicio 01 01 12:

Calcular la resistencia equivalente al siguiente acoplamiento:



Ejercicio 01 01 13:

Calcular la resistencia equivalente al siguiente acoplamiento:



Ejercicio 01 01 14:

Calcular la resistencia equivalente al siguiente acoplamiento:


Ejercicio 01 01 15:

Calcular la resistencia equivalente al siguiente acoplamiento:




Ejercicio 01 01 15:

Calcular la resistencia equivalente al siguiente acoplamiento entre los puntos Y y Z:



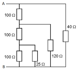
Ejercicio 01 01 16:

Calcular la resistencia equivalente al siguiente acoplamiento entre los puntos A y B:

Fuente: Microsoft Word - circuitos (yoquieroaprobar.es)


Ejercicio 01 01 17:

Calcular la resistencia equivalente al siguiente acoplamiento entre los puntos A y B:

Fuente: ESO2H_TEC_TEC.pdf (maralboran.eu)


Ejercicio 01 01 18:

Calcular la resistencia equivalente al siguiente acoplamiento entre los puntos A y B:

Fuente: ESO2H_TEC_TEC.pdf (maralboran.eu)


Ejercicio 01 01 19:

Calcular la resistencia equivalente al siguiente acoplamiento entre los puntos A y G:

Fuente: CÁLCULO DE CIRCUITOS MIXTOS DE (wordpress.com)



Ejercicio 01 01 20:

Calcular la resistencia equivalente al siguiente acoplamiento entre los puntos A y F:


Fuente: CÁLCULO DE CIRCUITOS MIXTOS DE (wordpress.com)



Última modificación: mércores, 25 de marzo de 2026, 12:14 PM